Запчасти Case IH 9210 (2-056) - CYLINDER BLOCK, 6T-830 ENGINE, 9210 TRACTOR ONLY, ENGINE SERIAL NO. 44706126 AND AFTER (02) - ENGINE

Схема запчастей Case IH 9210 - (2-056) - CYLINDER BLOCK, 6T-830 ENGINE, 9210 TRACTOR ONLY, ENGINE SERIAL NO. 44706126 AND AFTER (02) - ENGINE
7
14
15
8
7
14
10a
12
11
13
26
16
10
29
27
5
12
21
8
14
19
18
9
4
6
7
1
25
22
2
17
20
24
23
28
7
3
FIT
1:1
100%

Артикул

Название

Примечание

Количество

1989003C2

ENGINE ASSEMBLY

- complete, new, Includes: all parts except starter, alternator, fan, fan belt, air cleaner, muffler and exhaust pipe, for service order 1989098C2 basic engine below

1шт.

47466038R

REMAN-BASIC ENGINE

Remanufactured Basic Engine Assembly, assembly includes short block assembly, cylinder head, valve cover, front cover, oil pan, water pump, thermostat and gasket kit to transfer trim parts

1шт.

47466038C

CORE-BASIC ENGINE

Return Part Number

1шт.

1989098C2

BASIC ENGINE

ENGINE ASSEMBLY - basic, new

1шт.

Includes: all parts except: starter, alternator, fan, fan belt, fan bracket, air cleaner, muffler, exhaust manifold and pipe, flywheel and housing, oil fill and dipstick, fuel injection pump, injectors and lines, front crank pulley, belt tensioner and turbocharger, uses Ref. 1A, sleeve and Ref. 3A, piston shown on Figure 2-066

1шт.

J921843

SKELETON ENGINE

BLOCK ASSEMBLY - short, engine, new, Includes: stripped block, pistons, connecting rods and bearings, crankshaft and bearings, uses Ref. 1A sleeve and Ref. 3A piston shown on Figure 2-066, Includes: Ref. 1 - 9

1шт.

JR921843

ENGINE, EXCHANGE

Block Assembly, Short, Remanufactured, Component Parts Shown On This Figure Do Not Apply To The Remanufactured Assembly, Includes: Ref. 1 - 9

1шт.

JC921843

CORE-SHORT ENGINE

Return Part Number, Use This Part Number To Return Block Core For Credit When Using a Remanufactured Assembly

1шт.

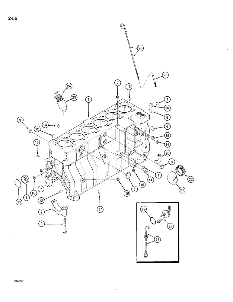
1

J919934

CYLINDER BLOCK

BLOCK ASSEMBLY - cylinder, stripped, new, Includes: Ref. 2 - 9

1шт.

Order Ref. 10 - 20 when ordering JR919934 block assembly or J919934 stripped block.

1шт.

Order Ref. 10 - 20 when ordering JR919934 block assembly or J919934 stripped block.

1шт.

1

JR919934

BLOCK

Assembly, Stripped, Remanufactured, Component Parts Shown On This Figure Do Not Apply To The Remanufactured Assembly, Includes: Ref. 1 - 9

1шт.

1

JC919374

CORE-ENGINE

Return Part Number, Use This Part Number To Return Stripped Core For Credit When Using a Remanufactured Assembly

1шт.

2

J917313

BEARING CAP

CAP - bearing, main

7шт.

3

J916369

FLANGE BOLT,Hex, M14 x 2 x 128mm, Cl 10.9

SCREW, , Main bearing cap to block Hex Flg Hd, M14 x 128

14шт.

4

J901685

BUSHING

- camshaft, front, See Figure 2-042, Ref. 6

7шт.

5

A77782

PLUG

- expansion, 58 mm OD

1шт.

6

A77586

PLUG

- expansion, 28.9 mm OD

1шт.

7

A77506

PLUG

- expansion, 21 mm O.D.

4шт.

8

J905401

PLUG

- expansion, 35 mm OD

3шт.

9

A77439

PLUG

- expansion, 22 mm OD

1шт.

A77716

BLOCK

KIT - block hardware, no longer available, order components separately, Includes: Ref. 10 - 20

1шт.

Order A77716 hardware kit when ordering JR919934 block assembly or J919934 stripped block.

1шт.

10

A77530

PLUG

- expansion, 30 mm OD

2шт.

10a

A77439

PLUG

- expansion, not used in this application

1шт.

11

J901969

PLUG

- expansion, 69 mm OD

1шт.

12

J901846

PIN,12.01mm OD x 24mm L

- dowel

4шт.

13

J906619

PLUG,1/8" - 27

- hex, 1/8 inch PT

6шт.

14

A77429

PLUG

- hex socket, 1/2 inch PT

4шт.

15

A77505

PLUG

- hex socket, 3/4 inch PT

2шт.

16

A77533

PLUG

- hex socket, 1 inch PT

1шт.

17

J919003

NOZZLE INJECTION

NOZZLE - cooling, piston

12шт.

18

J900257

PIN,10.01mm OD x 16mm L

- dowel, 16 mm

2шт.

19

A77425

DRAIN VALVE

VALVE - drain, coolant

1шт.

20

J903744

PIPE FITTING,22.42 mm ID x 28 mm OD x 90.2, 64 mm L

TUBE - turbocharger drain

1шт.

21

J920762

ELBOW

HOSE - elbow, water, replaces J909389 hose

1шт.

22

J918521

HOSE CLAMP,59mm - 83mm

CLAMP - hose, adjustable, 1-13/16 - 2-3/4

1шт.

23

J905408

TUBE,35.13 mm ID x 52.39 mm OD x 100 mm L

- filler, oil

1шт.

24

A77424

FILLER CAP

CAP - filler

1шт.

25

J905425

TUBE,9.52 mm OD x 93 mm L

- dipstick, oil

1шт.

26

J908772

DIPSTICK

- oil gauge, 298 mm long

1шт.

A77595

KIT

- engine block heater, Includes: Ref. 27 - 29

1шт.

27

J905113

CABLE

- heater, engine block

1шт.

28

NSS

NOT SOLD SEPARAT

ELEMENT - heater, 120 volt, 1000 watts, engine block

1шт.

29

J910517

O-RING

- heater element, engine block

1шт.

Выбрано товаров: 45