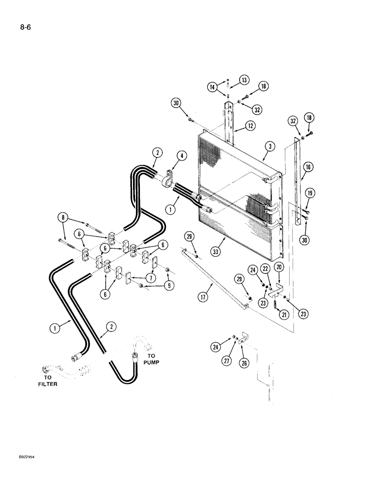
Запчасти Case IH 9230 (8-006) - HYDRAULIC SYSTEM, OIL COOLER AND MOUNTING (08) - HYDRAULICS

Схема запчастей Case IH 9230 - (8-006) - HYDRAULIC SYSTEM, OIL COOLER AND MOUNTING (08) - HYDRAULICS
6
30
18
23
13
23
6
8
12
16
32
1
3
17
30
18
9
24
33
7
19
20
2
24
21
4
6
27
29
14
6
32
2
26
1
29
22
FIT
1:1
100%

Артикул

Название

Примечание

Количество

1

31-2932

HOSE ASSY.

HOSE - return, oil cooler to tube, 145 inch long

1шт.

2

31-2931

HOSE ASSY.

HOSE - pressure, tube to oil cooler, 131 inch long

1шт.

3

90-6127T2

COOLER, OIL

COOLER - oil, hydraulic

1шт.

4

31-1411

CLAMP

- hose

1шт.

6

50-2534T1

CLAMP

- hose, split, halves

8шт.

7

50-2533T1

PLATE

COVER - clamp

3шт.

8

413-564

BOLT,Hex, 5/16" - 18 x 4", Gr 5

- hex, 5/16 NC x 4 inch

2шт.

9

425-105

NUT,5/16"-18, G5

- hex, 5/16 inch NC

1шт.

12

50-3350T1

ANGLE

BRACE - cooler mounting, Includes: hinge

1шт.

13

70-1996T3

PIN,6.35mm OD x 111mm L

ROD - hinge

2шт.

14

70-2600T1

RING, SNAP

RING - retaining, hinge pin

4шт.

16

50-3352T1

ANGLE

BRACE - mounting, cooler

1шт.

17

50-3353T1

STRAP

BRACKET - mounting, cooler

1шт.

18

413-58

BOLT,Hex, 5/16" - 18 x 1/2", Gr 5

- hex, 5/16 NC x 1/2 inch

6шт.

19

413-616

BOLT,Hex, 3/8" - 16 x 1", Gr 5

- hex, 3/8 NC x 1 inch

1шт.

20

70-5756T2

HANDLE

- latch

1шт.

21

90-7524T1

SPRING

- latch handle

1шт.

22

70-5177T1

SPACER

- pivot, latch

1шт.

23

495-21044

WASHER,3/8"

(flat, 7/16 x 1 x 5/64 inch) 3/8"

2шт.

24

232-4136

LOCK NUT,3/8"-16, GC

NUT, LOCK, 3/8"-16, GC

3шт.

26

70-5921T1

LATCH

- retaining, handle

1шт.

27

495-11041

WASHER,0.406" ID x 0.812" OD x 0.065" W

(Flat, 13/32 x 13/16 x 1/16") 3/8", SAE

2шт.

29

27254R1

NUT

- hex lock, 5/16 inch NC

1шт.

30

413-512

BOLT,Hex, 5/16" - 18 x 3/4", Gr 5

- hex, 5/16 NC x 3/4 inch

2шт.

32

495-11034

WASHER,5/16", SAE

5/16" SAE (flat, 11/32 x 11/16 x 1/16")

6шт.

33

REF

INSTRUCTION

CONDENSER - air conditioner, See Figure 9-108, Ref. 24 for correct condenser

1шт.

Выбрано товаров: 26