Запчасти Case IH 9230 (8-008) - HYDRAULIC COUPLERS AND LINES (08) - HYDRAULICS

Схема запчастей Case IH 9230 - (8-008) - HYDRAULIC COUPLERS AND LINES (08) - HYDRAULICS
19
20
5
45
13
40
8
12
18
45
30
6
31
8
32
49
36
5
6
37
18
20
5
37
19
5
45
9
24
9
2
4
18
5
7
19
8
25
8
26
39
4
5
45
17
33
20
6
28
9
19
6
6
35
9
21
5
49
29
7
8
6
40
18
24
22
30
5
41
9
3
18
39
6
9
20
1
41
FIT
1:1
100%

Артикул

Название

Примечание

Количество

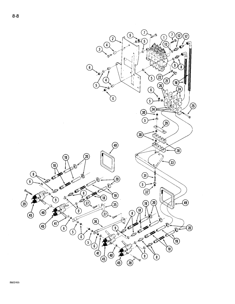
1

REF

INSTRUCTION

VALVE ASSEMBLY - remote control, See Figure 8-51 for correct valve

1шт.

2

60-4358T2

SUPPORT

MOUNT - control valve

1шт.

3

413-628

BOLT,Hex, 3/8" - 16 x 1-3/4", Gr 5

3шт.

4

D52276

ISOLATOR,10.16mm ID x 28.07mm OD x mm L

CUSHION - rubber

6шт.

5

495-21044

WASHER,3/8"

(flat, 7/16 x 1 x 3/32 inch) 3/8"

19шт.

6

425-106

NUT,3/8"-16, Cl 5

16шт.

7

413-632

BOLT,Hex, 3/8" - 16 x 2", Gr 5

- hex, 3/8 NC x 2 inch

3шт.

8

218-5060

HYD CONNECTOR,3/4" - 16 Male JIC x 7/8" - 14 Male ORB

Adapter, straight, Incl. Ref 9 3/4"-16, 37º x 7/8"-14, O-Ring

12шт.

9

237-6010

O-RING,0.097" Thk x 0.755" ID, -910, Cl 6, 90 Duro

10-1, 90 Duro, .755" ID x .097" Thk

12шт.

12

218-5062

HYD CONNECTOR,7/8"-14, 37 Degree x 7/8"-14, O-Ring

ADAPTER - straight, 7/8-14 inch thread, Includes: Ref. 13

4шт.

13

237-6010

O-RING,0.097" Thk x 0.755" ID, -910, Cl 6, 90 Duro

10-1, 90 Duro, .755" ID x .097" Thk

4шт.

17

386624R1

REDUCER,37 Degree, 7/8"-14, Fem x 3/4"-16 Male

ADAPTOR - reducer

4шт.

18

31-2942

HOSE ASSY.,12.7mm ID x 123mm L

HOSE -, Serial Range: valve-couplers

8шт.

19

50-3087T1

CONDUIT

GUARD - hose, protective, 59 inch (Order S119717 and, Serial Range: cut-length)

8шт.

20

22-824

CABLE TIE,3/16" x 7 1/4"

STRAP - nylon

24шт.

21

218-5158

PLUG,Hex Hd, 1 1/16"-12 ORB

Includes: Ref. 22 Hex Hd, 1 1/16"-12 ORB

1шт.

22

237-6012

O-RING,0.116" Thk x 0.924" ID, -912, Cl 6, 90 Duro

12-1, 90 Duro, .924 ID x .116" Thk

1шт.

24

50-2551T1

CLAMP

- hose, split halves

6шт.

25

413-656

BOLT,Hex, 3/8" - 16 x 3-1/2", Gr 5

- hex, 3/8 NC x 3-1/2 inch

2шт.

26

50-2533T1

PLATE

COVER - clamp

2шт.

28

50-3339T1

SHIN

CLAMP - hose

3шт.

29

50-3340T1

LARGE PLATE

PLATE - clamp

1шт.

30

425-105

NUT,5/16"-18, G5

- hex, 5/16 inch NC

6шт.

31

50-3343T1

STUD

- clamp

2шт.

32

231-1445

NUT,5/16"-18, GB

NUT - hex lock, 5/16 inch NC

2шт.

33

70-6051T2

BRACKET

- frame plate, hose support

1шт.

35

50-3318T1

SUPPORT

MOUNT - coupler, left (With PTO system)

1шт.

35

50-3334T1

SUPPORT

MOUNT - coupler, left (Without PTO system)

1шт.

36

50-3319T1

SUPPORT

MOUNT - coupler, right (With PTO system)

1шт.

36

50-3334T1

SUPPORT

MOUNT - coupler, right (Without PTO system)

1шт.

37

413-12112

BOLT,Hex, 3/4" - 10 x 7", Gr 5

- hex, 3/4 NC x 7 inch (With PTO system)

4шт.

37

413-1220

BOLT,Hex, 3/4" - 10 x 1-1/4", Gr 5

- hex, 3/4 NC x 1-1/4 inch (Without PTO system)

4шт.

39

413-688

BOLT,Hex, 3/8" - 16 x 5-1/2", Gr 5

- hex, 3/8 NC x 5-1/2 inch

4шт.

40

50-3371T1

SPACER

- coupler

4шт.

41

492-11038

LOCK WASHER,3/8"

2шт.

45

REF

INSTRUCTION

COUPLER ASSEMBLY - quick disconnect, See Figure 8-058 for correct coupler

4шт.

49

50-3342T1

GROMMET

- edge protector (Order 31-1785T1 and, Serial Range: cut-length)

2шт.

Выбрано товаров: 37