Запчасти Case IH 9230 (8-036) - 3-POINT HITCH CONTROLS, ELECTRONIC CONTROLLED, CNTRL LEVER MOUNTED TO LEVER BRACKET, REF. 3 (CONTD) (08) - HYDRAULICS

Схема запчастей Case IH 9230 - (8-036) - 3-POINT HITCH CONTROLS, ELECTRONIC CONTROLLED, CNTRL LEVER MOUNTED TO LEVER BRACKET, REF. 3 (CONTD) (08) - HYDRAULICS
74
75
74
62
70
44
64
61
47
77
62
74
64
71
46
55555555555555555
50
63
76
65
66
48
73
45
63
75
49
67
72
70
FIT
1:1
100%

Артикул

Название

Примечание

Количество

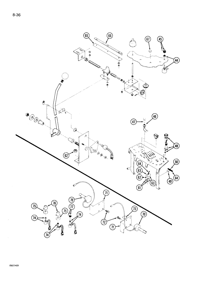
44

A186061

POTENTIOMETER,10,000 Ohm, 8V

Lower Rate 10,000 Ohm, 8V

1шт.

45

A186263

KNOB

Lower Rate

1шт.

46

60-6111T1

INDICATOR

LAMP - indicator

1шт.

47

58554C1

BULB,C2F, #1892, 14V

- lamp, No. 1892

1шт.

48

1983331C1

GAUGE

- display, seven segment

1шт.

49

22-823

MOUNT

MOUNT - strap, adhesive backed

1шт.

50

22-824

CABLE TIE,3/16" x 7 1/4"

STRAP - nylon

1шт.

61

60-6065T1

ANGLE BAR

ANGLE - retaining, foam

2шт.

62

231-1445

NUT,5/16"-18, GB

NUT - hex lock, 5/16 inch NC

4шт.

63

60-6066T1

FOAM

- sealing

2шт.

64

60-6509T1

HARNESS

- depth control, electronic

1шт.

65

60-3954T1

LARGE PLATE

STRIP - wear, lever

1шт.

66

60-4276T1

SUPPORT

BRACKET - stiffener, console

1шт.

67

60-4258T1

PLUG

- hole

3шт.

35-1743T92

PACKAGE

KIT - sensing, draft (if equipped), Order Components, Includes: Ref. 70 - 77

1шт.

70

1964916C3

PIN

- lower link, draft sensing kit (if equipped)

2шт.

71

70-5285T2

LARGE PLATE

PLATE - retainer, draft sensing pin, kit (if equipped)

2шт.

72

19-1108

BOLT,Hex, 1/2" - 13 x 1", Gr 8

- hex, 1/2 NC x 1 inch, grade 8, draft sensing kit (if equipped)

4шт.

73

22-824

CABLE TIE,3/16" x 7 1/4"

STRAP - tie, 7 inch long, draft sensing kit (if equipped)

1шт.

74

A186061

POTENTIOMETER,10,000 Ohm, 8V

Travel, Response Speed and Load, Draft Sensing Kit, if Equipped 10,000 Ohm, 8V

3шт.

75

60-4919T1

WASHER

- foam, draft sensing kit (if equipped)

2шт.

76

60-3958T1

BUTTON

Knob, Potentiometer, Travel and Load, Draft Sensing Kit, if Equipped

2шт.

77

A186263

KNOB

Response Speed, Draft Sensing Kit, if Equipped

1шт.

Выбрано товаров: 23