Запчасти Case IH 9230 (2-014) - ENGINE MOUNTING (02) - ENGINE

Схема запчастей Case IH 9230 - (2-014) - ENGINE MOUNTING (02) - ENGINE
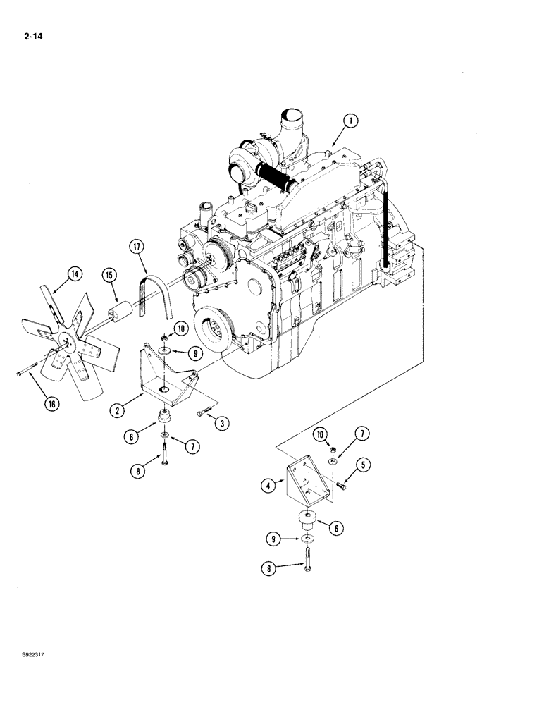
6
1
15
14
6
17
7
5
8
9
10
16
9
2
7
10
3
8
4
FIT
1:1
100%

Артикул

Название

Примечание

Количество

1

1989098C3

BASIC ENGINE

ENGINE ASSEMBLY - 6T-830, used with 9210 tractor, See Figures 2-052 - 2-056 (Replaces 1989003C2)

1шт.

1

47466038R

REMAN-BASIC ENGINE

Remanufactured Basic Engine Assembly, assembly includes short block assembly, cylinder head, valve cover, front cover, oil pan, water pump, thermostat and gasket kit to transfer trim parts

1шт.

1

47466038C

CORE-BASIC ENGINE

Return Part Number

1шт.

1

1989099C3

BASIC ENGINE

ENGINE ASSEMBLY - 6TA-830, used with 9230 tractor, See Figures 2-044 - 2-048 (Replaces 1989021C2)

1шт.

2

90-6432T1

ANCHOR

MOUNT - engine, front

1шт.

3

814-12060

BOLT,Hex, M12 x 1.75 x 60mm, Cl 8.8

BOLT, Hex, M12 x 60, 8.8

4шт.

4

90-6436T1

MOUNTING PARTS

MOUNT - engine, left and right rear

2шт.

5

627-12035

BOLT,Hex, M12 x 1.75 x 35mm, Cl 10.9, Full Thd

BOLT - hex, 12 mm - 1.75 x 35 mm, class 10.9

8шт.

6

24-231

RUBBER MOUNTING

MOUNT - isolator, rubber

3шт.

7

396-21066

WASHER,16.66mm ID x 33.33mm OD x 4.27mm Thk

WASHER, 21/32" x 1 5/16" x .150", HDN

3шт.

8

413-1064

BOLT,Hex, 5/8" - 11 x 4", Gr 5

BOLT - hex, 5/8 NC x 4 inch

3шт.

9

19-408

WASHER

WASHER - flat, 5/8 x 2-1/2 x 3/16 inch

3шт.

10

232-41110

NUT,5/8"-11, GC

NUT, LOCK, 5/8"-11, GC

3шт.

14

90-5857T1

FAN

FAN - engine

1шт.

15

136260A1

SPACER

SPACER - fan, See Figure 2-016 (Replaces A184523)

1шт.

16

814-10080

BOLT,Hex, M10 x 1.5 x 80mm, Cl 8.8

BOLT - hex, 10 mm - 1.5 x 80 mm

4шт.

17

J911572

V-BELT,27.92mm W x 1549.4mm L, 8 Ribs

Fan

1шт.

Выбрано товаров: 17