Запчасти Case IH 9230 (3-012) - FUEL INJECTION SYSTEM, 6TA-830 ENGINE, 9230 TRACTOR ONLY (03) - FUEL SYSTEM

Схема запчастей Case IH 9230 - (3-012) - FUEL INJECTION SYSTEM, 6TA-830 ENGINE, 9230 TRACTOR ONLY (03) - FUEL SYSTEM
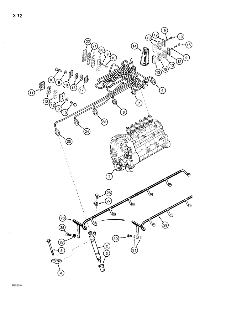
8
14
29
19
9
15
28
9
23
9
27
12
7
22
25
21
13
13
18
10
10
10
1
13
24
3
31
9
2
16
10
12
12
30
20
4
5
28
6
17
27
9
11
26
13
FIT
1:1
100%

Артикул

Название

Примечание

Количество

1

J915686

PUMP

ASSEMBLY - fuel injection, parts list Figure 3-018

1шт.

1

JR915686

REMAN-INJECTION PUMP

1шт.

1

JC915686

CORE-INJECTION PUMP

Return Number

1шт.

2

REF

INSTRUCTION

INJECTOR ASSEMBLY - fuel, parts list Figure 3-022

6шт.

3

J909886

SEAL,16.9mm ID x 22mm OD x 38mm L

SLEEVE - sealing, injector

6шт.

4

J910279

CLAMP

- injector

6шт.

5

845-8080

BOLT,Hvy Hex, M8 x 80mm, Cl 8.8

- heavy hex flange, 8 - 1.25 x 80 mm

6шт.

6

J910749

FUEL TUBE,2 mm ID x 6.4 mm OD x 927.5 mm L

TUBE - fuel, No. 1 cylinder

1шт.

7

J910750

FUEL TUBE,2 mm ID x 6.4 mm OD x 927.5 mm L

TUBE - fuel, No. 2 cylinder

1шт.

8

J910751

FUEL TUBE,2 mm ID x 6.4 mm OD x 927.5 mm L

TUBE - fuel, No. 3 cylinder

1шт.

9

J903723

WASHER

- flat, special

11шт.

10

J920854

CAPTIVE WASHER SCREW,HWH, M5 x 0.8 x 24.5mm, Cl 8.8

SCREW, Hex Hd, M5 x .8 x 20, w/LW

9шт.

11

J917716

BRACE

- supply tube

1шт.

12

J904519

SUPPORT

BRACE - tube

3шт.

13

J917747

CLAMP

- tube

6шт.

14

J917776

BRACE

BRACKET - tube

1шт.

15

J917748

CLAMP

- tube

1шт.

16

J917713

SCREW,Pan, #6 - 32 x 3/8", Gr 2

BOLT - hex, special

2шт.

17

J917717

BRACE

- tube

1шт.

18

J917746

CLAMP

- fuel tube

2шт.

19

J904711

SUPPORT

BRACE - supply tube

1шт.

20

J910686

BRACE

- tube retaining

1шт.

21

J917749

CLAMP

- tube

2шт.

22

J917740

BRACE

tube retaining

1шт.

23

J910752

FUEL TUBE,2 mm ID x 6.4 mm OD x 927.5 mm L

TUBE - fuel, No. 4 cylinder

1шт.

24

J910753

FUEL TUBE,2 mm ID x 6.4 mm OD x 927.5 mm L

TUBE - fuel, No. 5 cylinder

1шт.

25

J910754

FUEL TUBE

TUBE - fuel, No. 6 cylinder

1шт.

26

J915695

MANIFOLD

- drain, fuel, prior to Engine Serial Number 44713107, no longer available, order Ref. 29 - 31, manifold, check valve, and washers on this Figure and Ref. 20, J918191 washers and Ref. 21A, J916361 banjo bolt on Figure 3-016

1шт.

27

J903380

SEAL

- connector (6 used with Ref. 29, J920595 manifold, 7 used with Ref. 26, J915695 manifold)

6-7шт.

28

J905307

BANJO BOLT,M6 x 1 x 14.30mm

BOLT, BANJO, (6 used with Ref 29, J920595 manifold, 7 used with Ref 26, J915695 manifold) M6 x 1 x 14.3

6 -7шт.

29

J920595

TUBE ASSY.

MANIFOLD - fuel drain, Engine Serial Number 44713107 and after

1шт.

30

J916360

VALVE

- check

1шт.

31

J918188

WASHER,7.8mm ID x 13.5mm OD x 1.2mm Thk

- sealing

2шт.

Выбрано товаров: 33