Запчасти Case IH 9230 (4-060) - WIPER DRIVE ASSEMBLY, FRONT WINDOWS, P.I.N. JCB0027741 AND AFTER (04) - ELECTRICAL SYSTEMS

Схема запчастей Case IH 9230 - (4-060) - WIPER DRIVE ASSEMBLY, FRONT WINDOWS, P.I.N. JCB0027741 AND AFTER (04) - ELECTRICAL SYSTEMS
14
5
22
3
4
2
16
15
24
31
20
19
29
1
40
21
23
30
28
FIT
1:1
100%

Артикул

Название

Примечание

Количество

60-6577T91

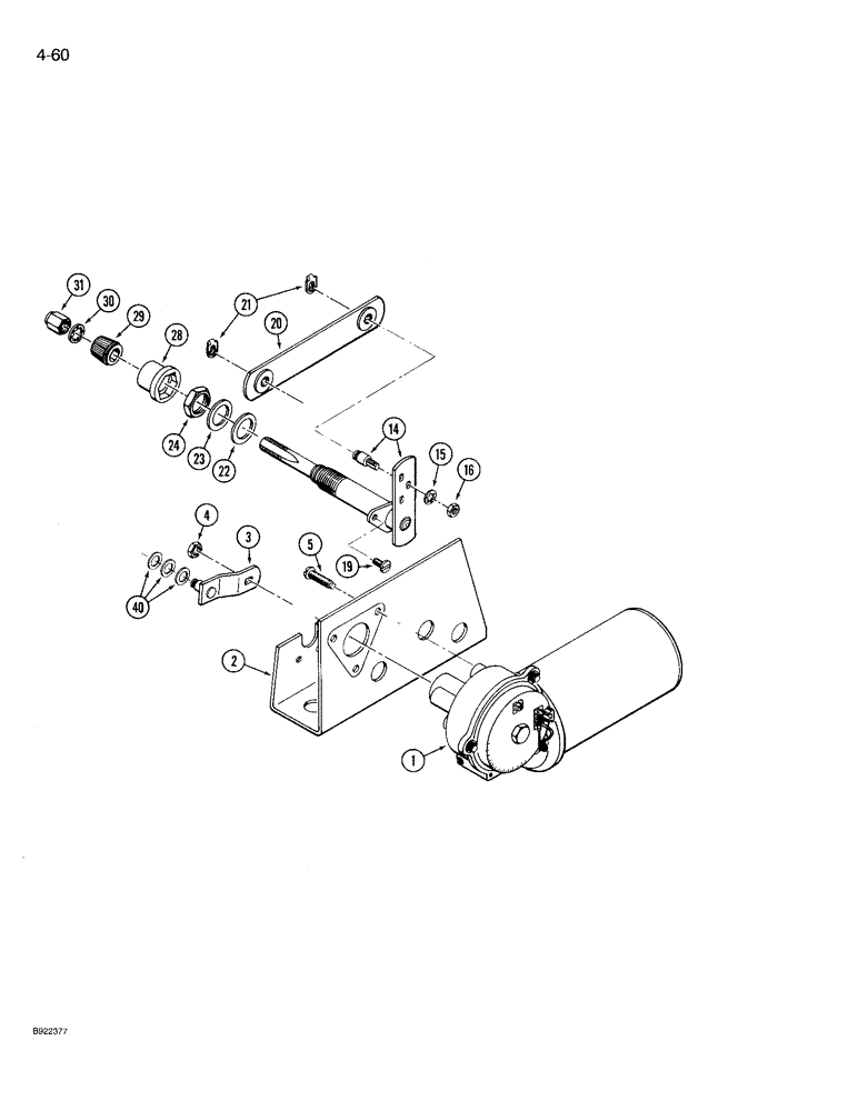
DRIVE

ASSEMBLY - wiper (Order components), Includes: Ref. 1 - 40

1шт.

1

60-6586T1

WIPER MOTOR

MOTOR - wiper

1шт.

2

60-6633T1

SUPPORT

BRACKET - mounting, motor

1шт.

3

60-6626T1

LEVER

- drive

1шт.

4

60-6632T1

NUT

- hex lock, retaining

1шт.

5

60-6631T1

SCREW

BOLT - slotted hex special (with lock washer)

3шт.

14

2-6869T91

SHAFT ASSY.

DRIVE ASSEMBLY - shaft and pivot arm, Includes: Ref. 15 & 16

1шт.

15

493-21026

LOCK WASHER,Int Tooth, 1/4"

WASHER - internal lock, 1/4 inch

1шт.

16

129-121

NUT,1/4"-28, G5

- hex jam, 1/4 inch NF

1шт.

19

2-6870T1

SCREW

- pan head machine, Keps

1шт.

20

D71427

LINK,85.85mm L

- connecting

1шт.

21

D71414

CLIP

RETAINER - spring clip

2шт.

22

N6749

WASHER

- fiber

1шт.

23

N6750

WASHER

- flat steel

1шт.

24

60-3497T1

NUT

- hex jam

1шт.

28

N6752

CAP

- shaft, rubber

1шт.

29

N6753

BLOCK DRIVER

DRIVER - knurled

1шт.

30

60-3501T1

WASHER

- internal lock

1шт.

31

N6754

NUT

- dome, 3/8 inch NF

1шт.

40

A22431

WASHER

- flat retainer (Quantity of 1 used if equipped with side wiper)

3шт.

Выбрано товаров: 20