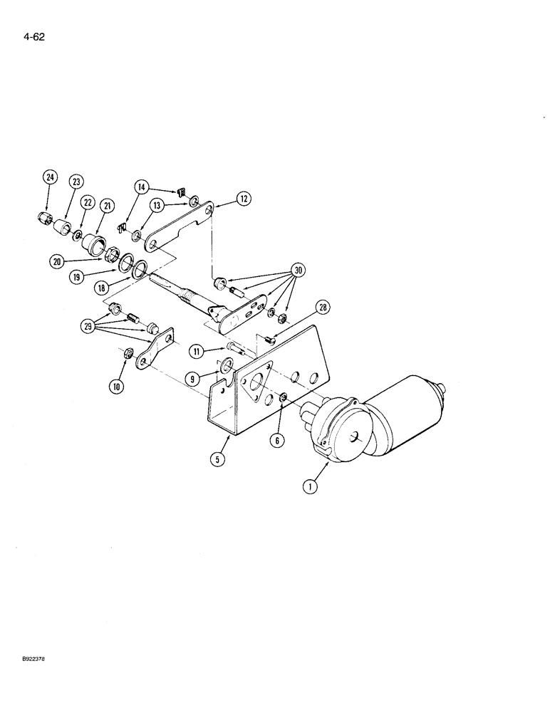
Запчасти Case IH 9230 (4-062) - WIPER DRIVE, REAR WINDOW, PRIOR TO P.I.N. JCB0028400 (04) - ELECTRICAL SYSTEMS

Схема запчастей Case IH 9230 - (4-062) - WIPER DRIVE, REAR WINDOW, PRIOR TO P.I.N. JCB0028400 (04) - ELECTRICAL SYSTEMS
21
1
5
19
13
23
18
22
28
14
29
30
12
9
6
11
20
10
24
FIT
1:1
100%

Артикул

Название

Примечание

Количество

1

60-6586T1

WIPER MOTOR

MOTOR - wiper

1шт.

5

D72850

BRACKET

- mounting, motor

1шт.

6

1-9415

SPACER

- motor mounting

3шт.

9

D71411

WASHER

- wave

1шт.

10

F44452

LOCK NUT

- hex, special, Keps

1шт.

11

D72849

SCREW

- machine, round head, Keps

1шт.

12

D71427

LINK,85.85mm L

- connecting

1шт.

13

A22431

WASHER

SPACER - pivot shaft

2шт.

14

D71414

CLIP

RETAINER - spring clip

2шт.

18

D71417

SPECIAL WASHER

WASHER - fiber, special

1шт.

19

D71418

WASHER

- steel, special

1шт.

20

D71419

NUT

- hex jam, special

1шт.

21

D71420

CAP

- seal, shaft

1шт.

22

1-9422

WASHER

- lock, special

1шт.

23

1267556C1

BUTTON

DRIVER - knurled

1шт.

24

D71422

NUT

- hex cap

1шт.

28

1-2686

SCREW,no

- machine, pan head, Keps (Order 182-528 machine screw and 192-18 lock washer)

2шт.

29

F64210

LEVER

- drive

1шт.

30

60-6581T91

DRIVE ASSY.

DRIVE - shaft and pivot arm (Replaces 60-6581T1)

1шт.

Выбрано товаров: 0