Запчасти Case IH 9240 (6-012) - TRANSMISSION (06) - POWER TRAIN

Схема запчастей Case IH 9240 - (6-012) - TRANSMISSION (06) - POWER TRAIN
39
36
29
28
34
26
31
33
38
35
25
30
32
32
27
37
FIT
1:1
100%

Артикул

Название

Примечание

Количество

90-7354T91

TRANSMISSION

TRANSMISSION ASSEMBLY - 9240 tractor, complete parts list on Figures 6-006 through 6-034, Includes: Ref. 25 - 39

1шт.

90-7015T91

TRANSMISSION

TRANSMISSION ASSEMBLY - 9250 and 9260 tractor, complete parts list on Figures 6-006 through 6-034, Includes: Ref. 25 - 39

1шт.

313686A1R

REMAN-TRANSMISSION

Remanufactured Transmission 4WD Powershift;

1шт.

313686A1C

CORE-TRANSMISSION

Return Part Number

1шт.

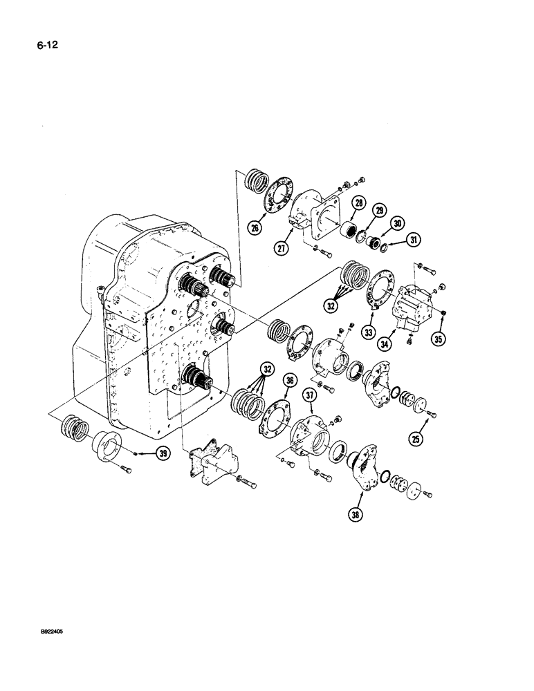
25

SM8134035

BOLT

BOLT - hex, 10 mm 1.25 x 35 mm, class 10.9

3шт.

26

33-1468T1

GASKET

GASKET - pump support

1шт.

27

33-1514T1

HOLDER

SUPPORT - oil pump

1шт.

28

33-1444T1

COUPLING

COUPLING - pump adapter

1шт.

29

33-1445T1

RING, SNAP

RING SNAP RING - snap

1шт.

30

33-1515T1

ADAPTER

ADAPTER - pump drive

1шт.

31

33-1517T1

RING, SNAP

RING SNAP RING - snap

1шт.

32

33-1460T1

SHIM

SHIM - bearing, 0.10 mm thick

1шт.

32

33-1461T1

SHIM

SHIM - bearing, 0.30 mm thick

1шт.

32

33-1462T1

SHIM

SHIM - bearing, 0.60 mm thick

1шт.

32

33-1463T1

SHIM

SHIM - bearing, 0.70 mm thick

1шт.

32

33-1475T1

SHIM

SHIM - bearing, 0.15 mm thick

1шт.

33

33-1433T1

GASKET

GASKET - clutch collector

1шт.

34

33-1438T1

CLUTCH

COLLECTOR - clutch

1шт.

35

STX99700F

PLUG

PLUG - collector

1шт.

36

33-1426T1

GASKET

GASKET - bearing retainer

1шт.

37

33-1427T1

BEARING CARRIER

RETAINER - bearing

1шт.

38

33-1429T1

YOKE

UNIVERSAL JOINT YOKE YOKE - output, front (9240 Tractor)

1шт.

38

33-1431T1

YOKE

UNIVERSAL JOINT YOKE YOKE - output, front (9250 and 9260 Tractor)

1шт.

39

33-1439T1

PLUG

PLUG - orifice

2шт.

Выбрано товаров: 24