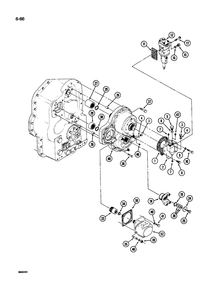
Запчасти Case IH 9240 (6-066) - POWER TAKEOFF (06) - POWER TRAIN

Схема запчастей Case IH 9240 - (6-066) - POWER TAKEOFF (06) - POWER TRAIN
24
41
2
52
39
19
38
26
16
36
6
29
47
40
5
4
48
7
20
3
15
11
40
27
18
25
35
28
3
30
26
10
9
17
34
12
4
33
46
1
8
7
37
FIT
1:1
100%

Артикул

Название

Примечание

Количество

90-7046T93

CLUTCH

PTO ASSEMBLY - hydraulic, 9240 Tractor, complete parts list on Figures 6-066 through 6-072, Includes: Ref. 1 - 48

1шт.

90-7045T93

REAR PTO ASSY

PTO ASSEMBLY - hydraulic, 9250 and 9260 Tractor, complete parts list on Figures 6-066 through 6-072, Includes: Ref. 1 - 48

1шт.

1

S8540S00F

GASKET

- servo case

1шт.

Part of PTO overhaul kit P/N S9870S00F.

1шт.

2

S8530S00F

CASE

- PTO servo

1шт.

3

S1030S00F

PLUG

- servo case, Includes: Ref. 4

3шт.

4

S1040S00F

O-RING

- plug

3шт.

Part of PTO overhaul kit P/N S9870S00F.

1шт.

5

S8550S00F

PLUG

- servo case, Includes: Ref. 6

1шт.

6

S8560S00F

GASKET

O-RING - plug

1шт.

Part of PTO overhaul kit P/N S9870S00F.

1шт.

7

STX99700F

PLUG

- pipe

2шт.

8

SM8124030

BOLT

BOLT - hex, 10 mm - 1.25 x 30 mm

6шт.

9

892-11010

LOCK WASHER,M10

3шт.

10

SM8124080

BOLT

BOLT - hex, 10 mm - 1.25 x 80 mm

3шт.

11

S9510S00F

GASKET

- control valve

1шт.

Part of PTO overhaul kit P/N S9870S00F.

1шт.

12

S9500S00F

VALVE

ASSEMBLY - PTO control, See Figure 6-072

1шт.

15

S1390S00F

PLUG

- oil port, Includes: Ref. 16

2шт.

16

S1320S00F

O-RING

- plug

2шт.

17

SM8120880

BOLT

BOLT - hex, 8 mm - 1.25 x 80 mm

4шт.

18

90-7004T1

FORK

YOKE - PTO output (9240 Tractor)

1шт.

18

90-7005T1

YOKE

- PTO output (9250 and 9260 Tractor)

1шт.

19

S8950S00F

GASKET

O-RING - yoke seal

1шт.

Part of PTO overhaul kit P/N S9870S00F.

1шт.

20

S9950S00F

SHIM,0.1mm Thk

(0.10 mm), Yoke .004" Thk

1шт.

20

S9960S00F

SHIM,0.31mm Thk

(0.30 mm), Yoke .012" Thk

1шт.

20

S9970S00F

SHIM,0.51mm Thk

(0.50 mm), Yoke .020" Thk

1шт.

20

S9980S00F

SHIM,0.71mm Thk

(0.7 mm), Yoke .028" Thk

1шт.

24

S8860S00H

WASHER

- retainer (9240 Tractor)

1шт.

24

S8860S00F

THRUST WASHER

WASHER - retainer (9250 and 9260 Tractor)

1шт.

25

SM8134635

BOLT

BOLT - hex, 16 - 1.50 x 35 mm, class 10.9

1шт.

26

33-1467T1

DOWEL

PIN - dowel

2шт.

27

S8600S00F

SLEEVE

- drive coupling

1шт.

28

SM922247

RING, SNAP

RING - snap

1шт.

29

33-1452T1

COUPLING

- pump drive

1шт.

30

33-1445T1

RING, SNAP

RING - snap

1шт.

33

33-1528T1

COUPLING

ADAPTER - pump drive, 13 tooth

1шт.

34

33-1446T1

RING, SNAP

RING - snap

1шт.

35

SM8267455

STUD

- 14 mm - 1.5 x 66 mm

2шт.

36

SM8124295

BOLT

BOLT - hex, 12 - 1.25 x 80 mm

2шт.

37

SM8124290

BOLT

BOLT - hex, 12 - 1.25 x 90 mm

10шт.

38

50-1388T1

GASKET

- pump

1шт.

Part of PTO overhaul kit P/N S9870S00F.

1шт.

39

SM8911244

NUT

- hex, 14 mm - 1.5

2шт.

40

SM8915144

PLATE, LOCKING

WASHER - lock, 14 mm

4шт.

41

SM8124460

BOLT

BOLT - hex, 8 mm - 1.50 x 60 mm

2шт.

46

S8930S00F

PLUG

- orifice

1шт.

47

S8920S00F

PLUG

- orifice

1шт.

48

REF

INSTRUCTION

HOUSING - PTO, See Figure 6-068 for related parts

1шт.

52

33-1524T91

PUMP, HYDRAULIC

PUMP ASSEMBLY - transmission lubrication, See Figure 6-032

1шт.

33-1524T91R

REMAN-HYD PUMP

9240, 9260 BOTH (10/90-10/94), 9250 (9/90-5/95)

1шт.

33-1524T91C

CORE-HYDRAULIC PUMP

RETURN NUMBER

1шт.

S9870S00F

KIT

- overhaul, PTO, Includes: Ref. 1, 4, 6, 11, 19 and 38

1шт.

Выбрано товаров: 0