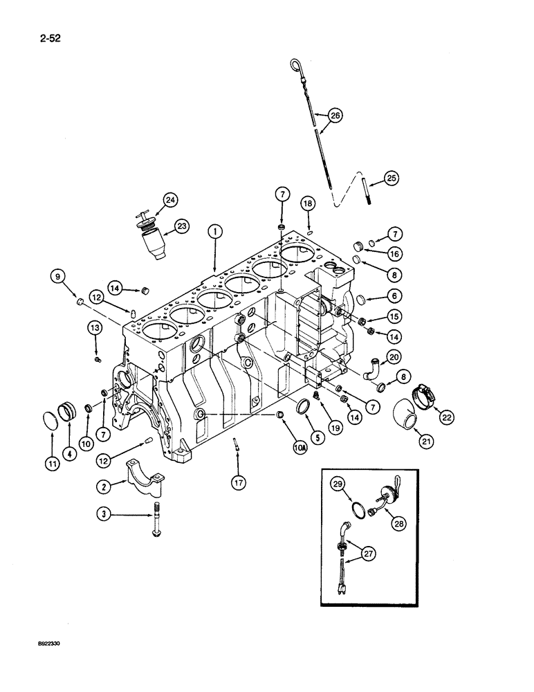
Запчасти Case IH 9240 (2-052) - CYLINDER BLOCK, 6TA-830 ENGINE, PRIOR TO ENGINE SERIAL NUMBER 44706126 (02) - ENGINE

Схема запчастей Case IH 9240 - (2-052) - CYLINDER BLOCK, 6TA-830 ENGINE, PRIOR TO ENGINE SERIAL NUMBER 44706126 (02) - ENGINE
2
17
4
8
28
7
16
11
12
8
22
7
14
9
13
21
7
7
25
15
24
3
14
10a
27
19
5
10
1
26
29
18
23
20
14
6
12
FIT
1:1
100%

Артикул

Название

Примечание

Количество

1989021C2

ENGINE ASSEMBLY

- complete, new, Includes: all parts except starter, alternator, fan, fan belt, air cleaner, muffler and exhaust pipe, for service order 1989099C2 basic engine shown on Figure 2-056

1шт.

1989099C2

BASIC ENGINE

ENGINE ASSEMBLY - basic, new

1шт.

Includes: all parts except: starter, alternator, fan, fan belt, fan bracket, air cleaner, muffler, exhaust manifold and pipe, flywheel and housing, oil fill and dipstick, fuel injection pump, injectors and lines, front crank pulley, belt tensioner and turbocharger, uses Ref. 1A sleeve and Ref. 3A piston shown on Figure 2-064

1шт.

47466039R

REMAN-BASIC ENGINE

Remanufactured Basic Engine Assembly, assembly includes short block assembly, cylinder head, valve cover, front cover, oil pan, water pump, thermostat and gasket kit to transfer trim parts

1шт.

47466039C

CORE-BASIC ENGINE

Return Number

1шт.

87448684

REMAN-SHORT ENGINE

Assembly - short, remanufactured component parts shown on this Figure do not apply to the remanufactured assembly, Includes: Ref. 1 - 9

1шт.

6830SHBC

CORE-SHORT ENGINE

Return Number

1шт.

J921058

CRANKCASE

BLOCK ASSEMBLY - short, engine, new, Includes: stripped block, pistons, connecting rods and bearings, crankshaft and bearings, uses Ref. 1 sleeve and pistons stamped 8750, 9930, 9565 or 3164, shown on Figure 2-064, Includes: Ref. 1 - 9

1шт.

1

J920036

CYLINDER BLOCK

BLOCK ASSEMBLY - cylinder, stripped, new, Includes: Ref. 2 - 9

1шт.

Order Ref. 10 - 20 when ordering J920036 stripped block.

1шт.

2

J917313

BEARING CAP

CAP - bearing, main

7шт.

3

J916369

FLANGE BOLT,Hex, M14 x 2 x 128mm, Cl 10.9

SCREW, , Main bearing cap to block Hex Flg Hd, M14 x 128

14шт.

4

J901685

BUSHING

- camshaft, See Figure 2-050, item 6

7шт.

5

A77782

PLUG

- expansion, 58 mm OD

1шт.

6

A77586

PLUG

- expansion, 28.9 mm OD

1шт.

7

A77506

PLUG

- expansion, 21 mm O.D.

4шт.

8

J905401

PLUG

- expansion, 35 mm OD

3шт.

9

A77439

PLUG

- expansion, 22 mm OD

1шт.

A77716

BLOCK

KIT - block hardware, no longer available, order components separately, Includes: Ref. 10 - 20

1шт.

Order Ref. 10 - 20 when ordering J920036 stripped block.

1шт.

10

A77530

PLUG

- expansion, 30 mm OD

2шт.

10a

A77439

PLUG

- expansion, not used in this application

1шт.

11

J901969

PLUG

- expansion, 69 mm OD

1шт.

12

J901846

PIN,12.01mm OD x 24mm L

- dowel

4шт.

13

J906619

PLUG,1/8" - 27

- hex, 1/8 inch PT

6шт.

14

A77429

PLUG

- hex socket, 1/2 inch PT

4шт.

15

A77505

PLUG

- hex socket, 3/4 inch PT

2шт.

16

A77533

PLUG

- hex socket, 1 inch PT

1шт.

17

J919003

NOZZLE INJECTION

NOZZLE - cooling, piston

12шт.

18

J900257

PIN,10.01mm OD x 16mm L

- dowel, 16 mm

2шт.

19

217-103

COCK, DRAIN

VALVE - drain, coolant

1шт.

20

J903744

PIPE FITTING,22.42 mm ID x 28 mm OD x 90.2, 64 mm L

TUBE - turbocharger drain

1шт.

21

J920762

ELBOW

HOSE - elbow, water, replaces J909389 hose

1шт.

22

J918521

HOSE CLAMP,59mm - 83mm

CLAMP - hose, adjustable, 1-13/16 - 2-3/4

1шт.

23

J905408

TUBE,35.13 mm ID x 52.39 mm OD x 100 mm L

- filler, oil

1шт.

24

A77424

FILLER CAP

CAP - filler

1шт.

25

J905425

TUBE,9.52 mm OD x 93 mm L

- dipstick, oil

1шт.

26

J908772

DIPSTICK

- oil gauge, 298 mm long

1шт.

A77595

KIT

- engine block heater, Includes: Ref. 27 - 29

1шт.

27

J905113

CABLE

- heater, engine block

1шт.

28

NSS

NOT SOLD SEPARAT

ELEMENT - heater, 120 volt, 1000 watts, engine block

1шт.

29

J910517

O-RING

- heater element, engine block

1шт.

Выбрано товаров: 42