Запчасти Case IH 9250 (6-042) - CLUTCH CONTROL, TRANSMISSION (06) - POWER TRAIN

Схема запчастей Case IH 9250 - (6-042) - CLUTCH CONTROL, TRANSMISSION (06) - POWER TRAIN
29
11
55
12
15
14
15
45
54
36
18
27
19
11
11
21
51
25
40
32
26
15
7
1a
53
11
5
39
4
19
25
2
1
47
6
41
52
46
35
20
13
4
10
30
31
2a
50
2
FIT
1:1
100%

Артикул

Название

Примечание

Количество

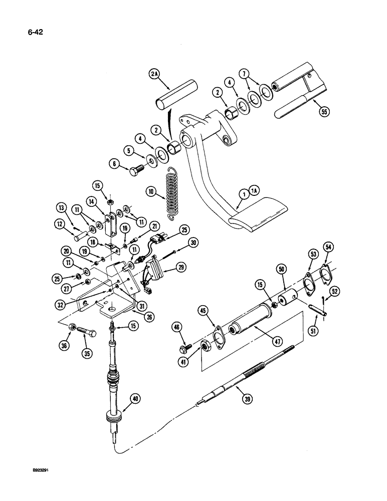
1

60-4251T2

PEDAL

- actuating, clutch (Order 60-6835T1 pedal and 60-6836T1 bearing, Ref. 1A & 2A

1шт.

1a

60-6835T1

PEDAL

- clutch actuating

1шт.

2

24-208

BEARING ASSY,1" ID x 1.125" OD x 0.75"

BEARING - pivot, short (Used with 60-4251T2 pedal)

2шт.

2a

60-6836T1

RING RACE

BEARING - pivot, long (Used with 60-6835T1 pedal)

1шт.

4

19-5635

WASHER

- flat nylon, 1 x 1-3/4 x 3/32 inch

2шт.

5

495-21056

WASHER,1/2"

- flat, 9/16 x 1-3/8 x 3/32 inch

1шт.

6

413-816

BOLT,Hex, 1/2" - 13 x 1", Gr 5

1шт.

7

95-81125

WASHER,1 1/16" x 1 3/4" x .065"

- flat, 1-1/16 x 1-3/4 x 1/16 inch

1шт.

10

2-5000T1

SPRING

- tension, pedal return

1шт.

11

495-11041

WASHER,0.406" ID x 0.812" OD x 0.065" W

(Flat, 13/32 x 13/16 x 1/16") 3/8", SAE

6шт.

12

19-5922

CLEVIS PIN,3/8" x 1 1/4"

PIN - clevis, 3/8 x 1-1/4 inch

1шт.

13

432-612

COTTER PIN,3/32" x 3/4"

PIN , SPLIT (COTTER), 3/32" x 3/4"

1шт.

14

60-4384T1

CLEVIS COUPLING

YOKE - clevis

1шт.

15

19-236

JAM NUT,5/16" - 24, Gr 5

- hex jam, 5/16 inch NF

3шт.

18

60-5048T1

SUPPORT

BRACKET - mounting, actuator

1шт.

19

446143

WASHER

- flat, No.8

2шт.

20

19-5621

LOCK NUT,#8-32, GB

NUT - hex lock, No. 8 NC

1шт.

21

20-1316T1

ACTUATOR

- magnetic

1шт.

25

60-6027T1

SENSOR

- proximity

1шт.

26

60-6025T1

SUPPORT

BRACKET - mounting, control

1шт.

27

425-104

NUT,1/4"-20, Cl 5

- hex, 1/4 inch NC

3шт.

29

20-2340T91

IGNITION SWITCH

SWITCH - micro (Order 20-2333T1 and 60-2666T1)

1шт.

30

470-10620

SCREW,Pan HD, #6 - 32 x 1-1/4"

- machine, pan head slotted, No. 6-32 x 1-1/4 inch

2шт.

31

19-708

WASHER,#6

- flat, No. 6 x 3/8 x 1/16 inch

2шт.

32

19-1013

NUT

- hex, No. 6 NC

2шт.

35

413-628

BOLT,Hex, 3/8" - 16 x 1-3/4", Gr 5

1шт.

36

19-5573

NUT,3/8"-16, G8

- hex, 3/8 inch NC

1шт.

39

60-6729T1

CABLE

- actuating clutch, 54 inch long

1шт.

For manual transmission, not used on the 9250

1шт.

39

60-4957T1

CABLE

- actuating clutch, 75 inch long

1шт.

40

1-1050

GROMMET

- hole, cable protecting

1шт.

41

425-1512

JAM NUT,Jam, 3/4"-10, G5

- hex jam, 3/4 inch NF

1шт.

45

2-4693T1

RETAINER

- cable enclosure

1шт.

46

458-412

BOLT,Hex, 1/4" - 20 x 3/4", Gr 5

- hex flange, 1/4 NC x 3/4 inch

2шт.

47

2-4692T1

ROPE GUIDE

ENCLOSURE - cable

1шт.

50

60-6241T1

END

YOKE - clevis, clutch actuating

1шт.

51

19-6041

PIN

- clevis

1шт.

52

32-212

COTTER PIN,1/32" x 3/4"

PIN, SPLIT (COTTER), 1/32" x 3/4"

2шт.

53

60-2056T1

GASKET

- retainer

1шт.

54

60-3008T1

SHIM

- enclosure

1шт.

55

60-5074T1

PEDAL

MOUNT - pedal, clutch and brake, See Figure 7-002

1шт.

Выбрано товаров: 41