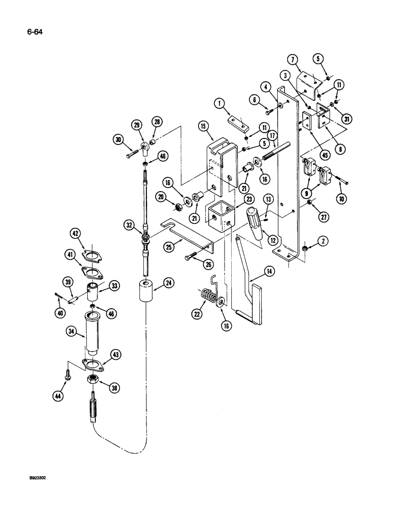
Запчасти Case IH 9250 (6-064) - POWER TAKEOFF CONTROLS (06) - POWER TRAIN

Схема запчастей Case IH 9250 - (6-064) - POWER TAKEOFF CONTROLS (06) - POWER TRAIN
29
11
12
7
9
8
38
25
27
16
26
42
30
46
28
34
16
22
6
44
5
43
21
41
16
5
45
2
14
23
3
1
40
15
13
39
20
21
4
46
10
24
11
31
32
33
17
FIT
1:1
100%

Артикул

Название

Примечание

Количество

1

60-4269T1

LARGE PLATE

STRIP - wear, lever

1шт.

2

231-1445

NUT,5/16"-18, GB

NUT - hex lock, 5/16 inch NC

2шт.

3

225-14104

NUT,#4-40

- hex, No.4-40

2шт.

4

495-21031

WASHER,1/4"

- flat, 5/16 x 47/64 x 1/16 inch

1шт.

5

111626C1

NUT

- hex lock, 1/4 inch NC

2шт.

6

413-412

BOLT,Hex, 1/4" - 20 x 3/4", Gr 5

- hex, 1/4 NC x 3/4 inch

1шт.

7

60-4270T1

SUPPORT

BRACKET - support, console to mounting bracket

1шт.

8

60-5608T1

SUPPORT

BRACKET - micro switch mounting

1шт.

9

20-2340T91

IGNITION SWITCH

SWITCH ASSEMBLY - micro, neutral safety and PTO tachometer (Order 20-2333T1 switch and 60-2666T1 wire)

2шт.

10

470-10428

SCREW,Slotted Pan Hd, #4-40 x 1 3/4"

- round head machine, No. 4 NC x 1-3/4 inch

2шт.

11

86632551

NUT,#10-24, GB

NUT, LOCK, #10-24, GB

6шт.

12

60-4272T1

HANDLE

KNOB - lever, PTO actuating

1шт.

13

19-5798

SET SCREW

SCREW - set, No. 8-32

1шт.

14

60-4265T2

LEVER

- actuating, PTO

1шт.

15

60-4296T2

SUPPORT

BRACKET - cable actuating

1шт.

16

25710R1

WASHER

- flat, 17/32 x 1-1/16 x 9/64 inch

3шт.

17

60-5858T1

SUPPORT

BRACKET - mounting, PTO controls

1шт.

20

19-653

LOCK NUT

- hex lock, 1/2 inch NC

1шт.

21

90-4367T1

BRONZE BUSHING

BUSHING - pivot

2шт.

22

60-4294T1

SPRING

- pressure

1шт.

23

60-4293T1

JOINT

TRUNNION - lever

1шт.

24

60-6066T1

FOAM

SEAL - foam, cab, Serial Range: floor-cable

1шт.

25

60-5020T1

SUPPORT

BRACKET - cable mounting

1шт.

26

9417950

BOLT,Hex, 5/16" - 18 x 3/4", Gr 5, Full Thd

- hex, 5/16 NC x 3/4 inch

2шт.

27

19-5777

LOCK NUT

- hex lock, 5/16 inch NC

2шт.

28

60-5021T1

SPACER,0.282" ID x 0.500" OD x 0.312" Thk

- rod and

1шт.

29

A146456

BALL

JOINT - ball, PTO cable

1шт.

30

25485R1

BOLT,Hex, 1/4" - 20 x 1 1/4", Gr 8

- hex, 1/4 NC x 1-1/4 inch

1шт.

30

426-424

BOLT,Hex, 1/4" - 20 x 1-1/2", Gr 8

- hex, 1/4 NC x 1-1/2 inch, grade 8

1шт.

31

195-513

WASHER,#10

- flat, 7/32 x 1/2 x 3/64 inch

2шт.

32

60-5022T1

CABLE

- actuating, PTO

1шт.

33

60-6240T1

END FITTING

YOKE - cable

1шт.

34

2-4692T1

ROPE GUIDE

HOUSING - cable

1шт.

38

425-1512

JAM NUT,Jam, 3/4"-10, G5

- hex jam, 3/4 inch NF

1шт.

39

19-6041

PIN

- clevis

1шт.

40

32-212

COTTER PIN,1/32" x 3/4"

PIN, SPLIT (COTTER), 1/32" x 3/4"

2шт.

41

60-2056T1

GASKET

- retainer

1шт.

42

60-3008T1

SHIM

- housing

1шт.

43

2-4693T1

RETAINER

- cable housing

1шт.

44

458-412

BOLT,Hex, 1/4" - 20 x 3/4", Gr 5

- hex flange, 1/4 NC x 3/4 inch

2шт.

45

60-5609T1

SPACER

- switch mounting

1шт.

46

129-121

NUT,1/4"-28, G5

- hex jam, 1/4 inch NF

2шт.

Выбрано товаров: 42