Запчасти Case IH 9250 (6-108) - RIGID AXLE, WHEEL HUB PLANETARY, 9250 TRACTOR, PRIOR TO P.I.N. JEE0032778 (CONTD) (06) - POWER TRAIN

Схема запчастей Case IH 9250 - (6-108) - RIGID AXLE, WHEEL HUB PLANETARY, 9250 TRACTOR, PRIOR TO P.I.N. JEE0032778 (CONTD) (06) - POWER TRAIN
22
45
42
21
24
46
44
30
47
23
31
29
26
25
39
43
32
38
48
44a
39
27
41
21
49
50
28
40
FIT
1:1
100%

Артикул

Название

Примечание

Количество

90-6556T91

4WD AXLE ASSY

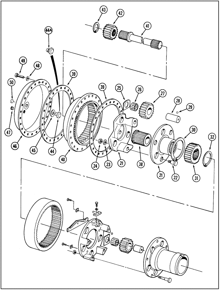
AXLE ASSEMBLY - front, without limited slip differential, k598.78, Includes: Ref. 21 - 50 and 1 - 20 on Figure 6-106

1шт.

90-6992T91

4WD AXLE ASSY

AXLE ASSEMBLY - front, with limited slip differential, k598.95, Includes: Ref. 21 - 50 and 1 - 20 on Figure 6-106

1шт.

90-6557T91

AXLE HOUSING

AXLE ASSEMBLY - rear, without limited slip differential k598.68, Includes: Ref. 21 - 50 and 1 - 20 on Figure 6-106

1шт.

90-6993T91

AXLE HOUSING

AXLE ASSEMBLY - rear, with limited slip differential, k598.85, Includes: Ref. 21 - 50 and 1 - 20 on Figure 6-106

1шт.

90-4522T91

REDUCER

CARRIER ASSEMBLY - planetary, outer, Includes: Ref. 21 - 28

2шт.

21

90-4523T91

REDUCER

CARRIER ASSEMBLY - planetary, Includes: Ref. 22 - 24

1шт.

22

16-1608

SCREW,Hex Shldr

BOLT - hex shoulder, special

3шт.

23

16-1599

WASHER

- flat, special

3шт.

24

16-1598

NUT

- hex, special

3шт.

25

1-8341

SPACER

PLATE - wear

6шт.

26

1-8340

BEARING, NEEDLE

BEARING - needle, 2 per gear

6шт.

27

90-4525T1

PINION

GEAR - pinion, 26 tooth

3шт.

28

90-2567T1

PIN

SHAFT - planetary pinion, with lube hole

3шт.

29

16-1607

BALL

- steel

3шт.

30

90-4528T1

RING, SNAP

RING - snap

1шт.

31

16-1622

SUN GEAR

GEAR - sun

1шт.

32

16-1623

RING, SNAP

RING - snap

1шт.

38

90-4526T1

PINION

GEAR - sleeve

1шт.

39

B17555

LOCTITE

SEALANT - Gasket Eliminator No. 515, 50 ml tube

1шт.

40

90-4521T1

GEAR, RING

GEAR - double ring

2шт.

41

90-2535T1

SHAFT

- axle, 1106.5 mm long, without limited slip differential

2шт.

41

90-2536T1

SHAFT

- axle, 1236.5 mm long, without limited slip differential

2шт.

41

90-7178T1

SHORT SHAFT

SHAFT - axle, 1147.5 mm long, with limited slip differential

2шт.

41

90-7177T1

LONG SHAFT

SHAFT - axle, 1195.5 mm long, with limited slip differential

2шт.

42

90-4519T1

PINION

GEAR - sun, 25 tooth

2шт.

43

16-1596

RING, SNAP

RING - snap

2шт.

44

90-7615T1

PIN

- support, axle shaft, use with 90-7616T1 cover

2шт.

44a

90-2555T2

PIN

- headed, splined, axle shaft support, use with 90-4520T1 cover

2шт.

45

90-2554T1

SHIM

- support pin

1шт.

46

90-7616T1

COVER

- axle end, with 32 mm diameter bored hole through center of cover

2шт.

46

90-4520T1

COVER

- axle end, without 32 mm diameter bored hole through center of cover

2шт.

47

90-2523T1

PLUG

- special, check and fill

2шт.

48

16-1592

LOCK WASHER

- lock, 15 mm

48шт.

49

90-7371T1

FLANGE BOLT,M14 x 1.5 x 45mm

BOLT - flange, 14 mm - 1.5 x 45 mm, grade 10.9

48шт.

50

90-7614T1

PLUG

- cup, use with 90-7616T1 cover

2шт.

Выбрано товаров: 35