Запчасти Case IH 9250 (8-034) - HYDRAULIC PISTON PUMP (CONTD) (08) - HYDRAULICS

Схема запчастей Case IH 9250 - (8-034) - HYDRAULIC PISTON PUMP (CONTD) (08) - HYDRAULICS
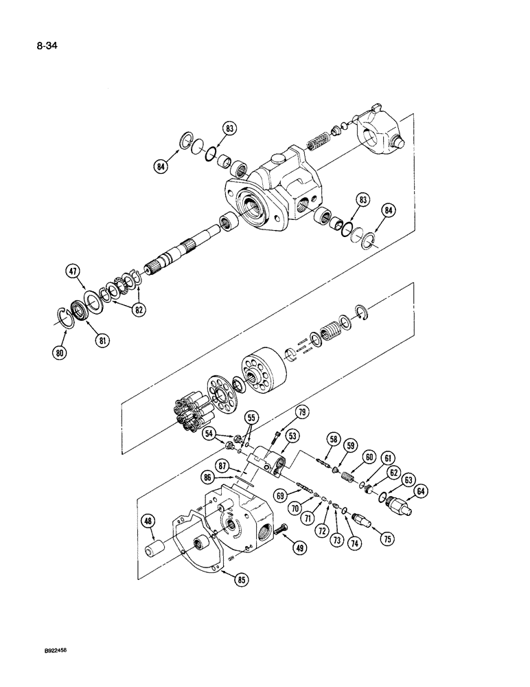
75
72
48
86
73
47
53
81
58
63
74
64
83
70
59
84
60
82
54
71
84
83
61
79
49
80
87
85
62
55
69
FIT
1:1
100%

Артикул

Название

Примечание

Количество

50-3274T91

PUMP, HYDRAULIC

PUMP ASSEMBLY - piston, Includes: Ref. 47 - 87 and 1 - 42 on Figure 8-032

1шт.

47

D66330

WASHER

- flat, 1-19/32 x 2 x 5/64 inch

1шт.

48

50-2802T1

PISTON

- control, cam plate

1шт.

49

19-799

BOLT,Hex, 3/8" - 16 x 1 1/4", Gr 8

- hex, 3/8 NC x 1-1/4 inch, grade 8

4шт.

50-2810T91

EQUALIZER

COMPENSATOR ASSEMBLY - pump, Includes: Ref. 53 - 75

1шт.

53

NSS

NOT SOLD SEPARAT

BODY - compensator

1шт.

54

50-2812T91

O-RING

- hex

2шт.

55

1971623C1

O-RING,0.064" Thk x 0.301" ID, -903, Cl 6, 90 Duro

- 19/64 ID x 1/16 inch

2шт.

Part of seal kit P/N 50-2825T91.

1шт.

58

NSS

NOT SOLD SEPARAT

SPOOL- pressure

1шт.

59

50-2814T1

SPRING SEAT

CAP - spring pivot

1шт.

60

A45144

SPRING

- spool

1шт.

61

238-7113

O-RING,0.103" Thk x 0.549" ID, -113, Cl 7, 75 Duro

1шт.

Part of seal kit P/N 50-2825T91.

1шт.

62

50-2817T1

PISTON

FOLLOWER - pressure spring

1шт.

63

238-5118

O-RING,0.103" Thk x 0.862" ID, -118, Cl 5, 75 Duro

1шт.

64

50-2819T1

CAP

- pressure adjuster

1шт.

69

NSS

NOT SOLD SEPARAT

SPOOL - flow

1шт.

70

50-2820T1

SPRING SEAT

PIVOT - spring

1шт.

71

50-2821T1

SPRING

- spool

1шт.

72

50-2822T1

O-RING

- seal

1шт.

Part of seal kit P/N 50-2825T91.

1шт.

73

50-2823T1

PISTON

FOLLOWER - flow spring

1шт.

75

50-2824T1

CAP

- flow adjuster

1шт.

79

61-32520

HEX SOC SCREW,1/4"-20 x 1 1/4"

BOLT - socket head, 1/4 NC x 1-1/4 inch

4шт.

80

D28436

SNAP RING,2", Int, #200

Ring, Snap, 2", Int, #200

1шт.

Part of seal kit P/N 50-2825T91.

1шт.

81

D73667

SEAL,28.57mm ID x 50.98mm OD x 6.35mm Thk

- shaft, drive

1шт.

Part of seal kit P/N 50-2825T91.

1шт.

82

F62235

SNAP RING,#112, Ext

Ring, Snap, #112, Ext

2шт.

Part of seal kit P/N 50-2825T91.

1шт.

83

238-5127

O-RING,0.103" Thk x 1.424" ID, -127, Cl 5, 75 Duro

2шт.

Part of seal kit P/N 50-2825T91.

1шт.

84

D27833

SNAP RING,1.625", Int, #162

Ring, Snap, 1.625", Int, #162

2шт.

Part of seal kit P/N 50-2825T91.

1шт.

85

N7804

GASKET

- housing

1шт.

Part of seal kit P/N 50-2825T91.

1шт.

86

1266917C1

GASKET

- compensator

1шт.

Part of seal kit P/N 50-2825T91.

1шт.

87

50-2809T1

O-RING

- seal, compensator

1шт.

Part of seal kit P/N 50-2825T91.

1шт.

50-2825T91

SEAL KIT

KIT - seal, Includes: Ref. 55, 61, 72, 74 and 80 - 87

1шт.

74

237-6006

O-RING,0.078" Thk x 0.468" ID, -906, Cl 6, 90 Duro

6-1, 90 Duro, .468" ID x .078" Thk, Adjuster cap

1шт.

Part of seal kit P/N 50-2825T91.

1шт.

Выбрано товаров: 44