Запчасти Case IH 9250 (5-006) - STEERING COLUMN ASSEMBLY (05) - STEERING

Схема запчастей Case IH 9250 - (5-006) - STEERING COLUMN ASSEMBLY (05) - STEERING
40
21
28
25
42
20
24
5
1
21
22
29
17
34
33
2
16
41
36
35
3
13
47
43
14
37
10
32
23
6
4
11
48
30
12
FIT
1:1
100%

Артикул

Название

Примечание

Количество

1-7630

STEERING COLUMN

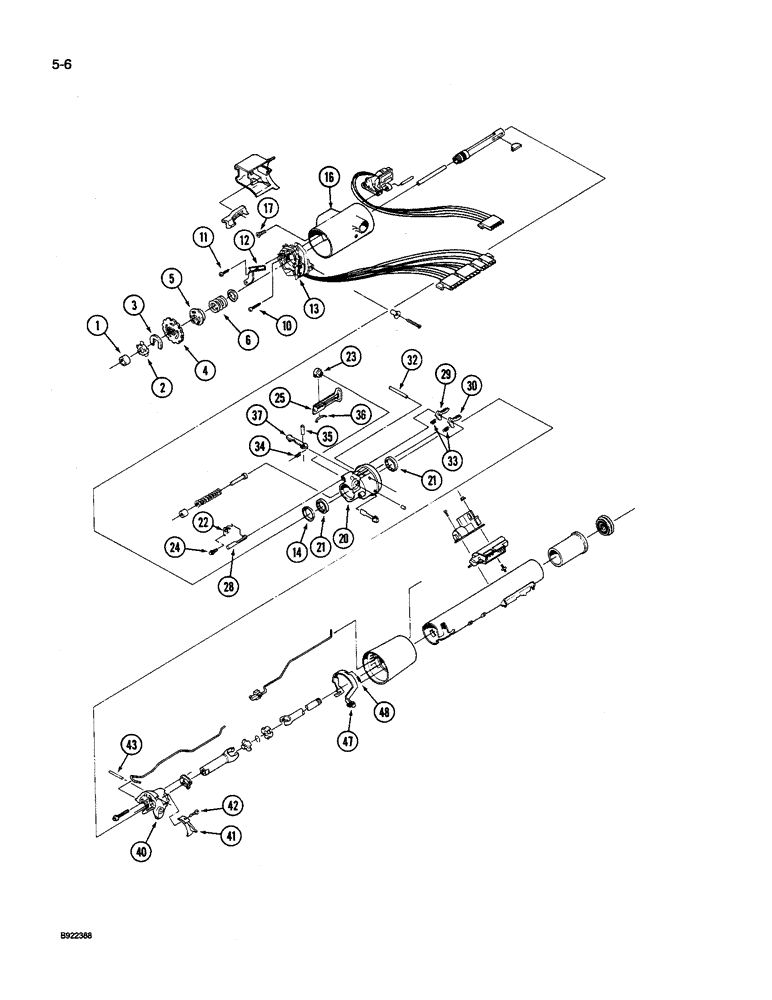
COLUMN ASSEMBLY - steering, tilt and telescoping, Includes: Ref. 1 - 48 and 50 - 98 on Figure 5-008

1шт.

1

1-1320

BUMPER

- shaft, retracted steering

1шт.

2

1-1329

RETAINER

- carrier snap ring

1шт.

3

1-1331

RETAINER

- shaft lock

1шт.

4

1-1325

ARRESTER

LOCK - steering shaft

1шт.

5

1-1215

SUPPORT

CARRIER - lock

1шт.

6

1-4507

SPRING

- bearing, upper

1шт.

10

1-1333

SCREW

- binding head machine

3шт.

11

1-6924

SCREW

- crown head flanged machine

1шт.

12

1-4466

ARM ASSY.

ARM - signal switch

1шт.

13

1-4497

SWITCH

- turn signal

1шт.

14

1-1336

SEAT

SEAL - bearing, inner race

1шт.

16

2-1454

HOUSING

COVER - lock housing

1шт.

17

1-6926

SCREW,Cross Oval Hd

- oval head machine

3шт.

1-4474

HOUSING ASSY.

HOUSING ASSEMBLY - lock, Includes: Ref. 20 - 37

1шт.

20

NSS

NOT SOLD SEPARAT

HOUSING - lock

1шт.

33-1174T1

KIT

- actuator, switch, Includes: Ref. 14, 21 - 25

1шт.

21

NSS

NOT SOLD SEPARAT

BEARING - lock housing

2шт.

22

NSS

NOT SOLD SEPARAT

SPRING - lock bolt

1шт.

23

NSS

NOT SOLD SEPARAT

SECTOR - switch actuator

1шт.

24

NSS

NOT SOLD SEPARAT

SCREW - flange head machine

1шт.

25

NSS

NOT SOLD SEPARAT

RACK - switch actuator

1шт.

28

19-5460

LOCK BOLT

BOLT - lock

1шт.

29

1-1227

BRAKE SHOE

SHOE - lock, steering wheel

1шт.

30

1-1226

BRAKE SHOE

SHOE - lock, steering wheel

1шт.

32

1-1220

SPLIT PIN/SAFETY PIN

PIN - dowel

1шт.

33

1-1301

SPRING

- shoe

2шт.

34

1-1230

SPRING

- release lever

1шт.

35

1-1221

PIN

- release lever

1шт.

36

1-1229

SPRING

- preload, rack

1шт.

37

1-4476

CONTROL LEVER

LEVER - shoe release

1шт.

1-4493

SUPPORT ASSY.

SUPPORT ASSEMBLY - housing, Includes: Ref. 40 - 43

1шт.

40

NSS

NOT SOLD SEPARAT

SUPPORT - housing

1шт.

41

1-4494

FIXING BRACKET

PLATE - retaining, shroud

1шт.

42

19-5459

SCREW

- oval head machine

2шт.

43

1-6925

DOWEL

Pin

1шт.

47

1-4501

LEVER

- release, key

1шт.

48

1-4506

SPRING

- release lever

1шт.

Выбрано товаров: 38