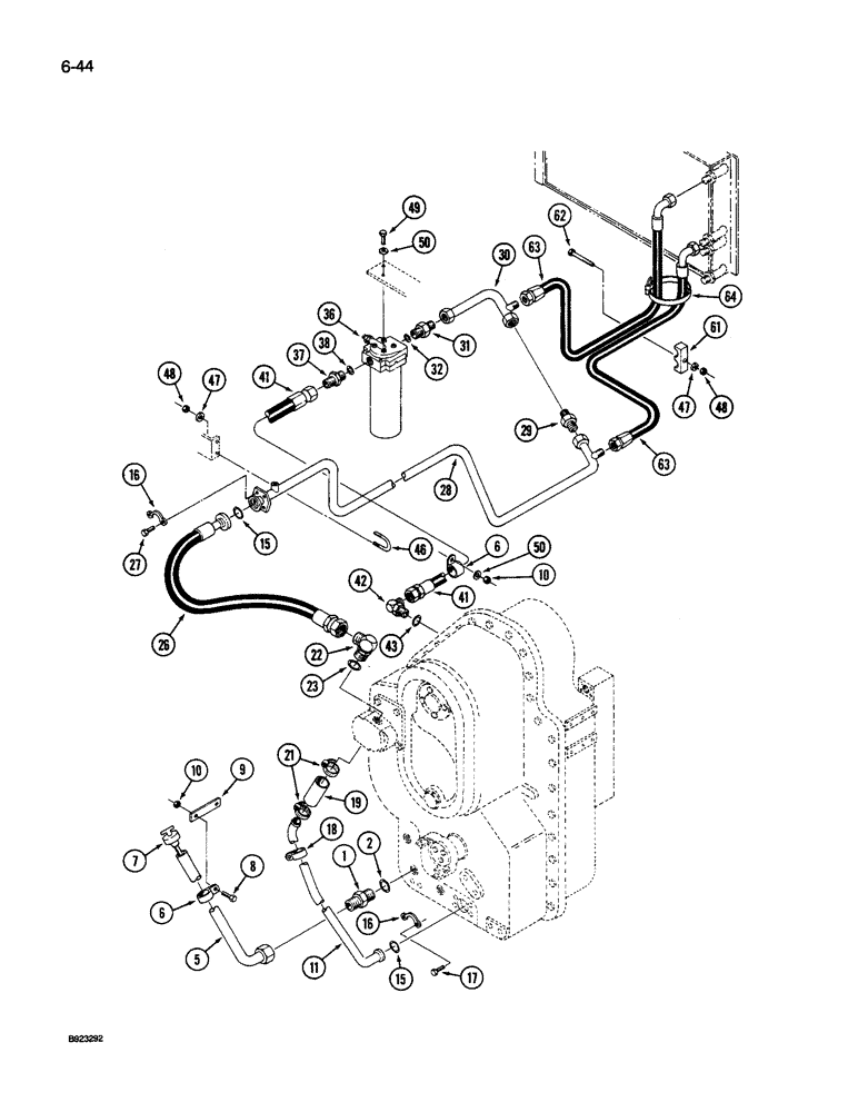
Запчасти Case IH 9260 (6-044) - TRANSMISSION LUBRICATION, TRANSMISSION TO OIL COOLER, PRIOR TO P.I.N. JCB0028400 (06) - POWER TRAIN

Схема запчастей Case IH 9260 - (6-044) - TRANSMISSION LUBRICATION, TRANSMISSION TO OIL COOLER, PRIOR TO P.I.N. JCB0028400 (06) - POWER TRAIN
6
26
29
5
38
31
64
50
21
63
15
43
48
63
27
41
11
17
49
1
47
6
41
37
50
16
47
62
61
19
10
8
46
7
9
22
15
16
18
32
36
28
10
2
48
30
42
23
FIT
1:1
100%

Артикул

Название

Примечание

Количество

1

218-5072

HYD CONNECTOR,1-5/8" - 12 Male JIC x 1-5/8" - 12 Male ORB

ADAPTER - straight, 1-5/8-12 inch flare x O-ring boss, Includes: Ref. 2

1шт.

2

237-6020

O-RING,0.118" Thk x 1.475" ID, -920, Cl 6, 90 Duro

20-1, 90 Duro, 1.475" ID x .118" Thk

1шт.

5

90-7023T1

TUBE,1.25" OD x 24.15" L

- dipstick

1шт.

6

31-1348

CLAMP

- tube and hose

2шт.

7

90-6546T1

DIPSTICK

- oil check

1шт.

8

426-612

BOLT,Hex, 3/8" - 16 x 3/4", Gr 8

- hex, 3/8 NC x 3/4 inch, grade 8

2шт.

9

90-6588T1

SUPPORT

BRACKET - support, clamp mounting

1шт.

10

425-106

NUT,3/8"-16, Cl 5

2шт.

11

90-7064T1

TUBE,1.5" OD

- transmission to pump (Without PTO system)

1шт.

11

90-7063T1

TUBE,1.5" OD

- transmission to pump (With PTO system)

1шт.

15

31-1925

O-RING,0.139" Thk x 1.484" ID, -222, Cl 6, 90 Duro

- 1-1/2 x 9/64 inch

2шт.

16

31-1910

COUPLING FLANGE

FLANGE - split, clamp halves

4шт.

17

413-624

BOLT,Hex, 3/8" - 16 x 1-1/2", Gr 5

- hex, 3/8 NC x 1-1/2 inch

4шт.

18

31-1349

MOUNTING CLIP

CLAMP - tube

1шт.

19

1-4571

HOSE

- suction, 1-1/2 ID x 4 inch (Order hose 1-4482T1 and, Serial Range: cut-length)

1шт.

21

31-1283

MOUNTING CLIP

CLAMP - hose, 1-1/4 to 2-5/8 inch

2шт.

22

218-5116

ELBOW,90 Degree Elbow, 1-5/8" - 12 Male JIC x 1-5/16" - 12 Male ORB

- 90 degree adjustable, 1-5/8 flare x 1-5/16 inch o-ring, Includes: Ref. 23

1шт.

23

31-587

O-RING,16-1, 90 Duro, 1.171" ID x .116" Thk

- 1-3/16 x 1/8 inch

1шт.

26

31-2842

HOSE,31.75mm ID x 850.9mm L, SAE 100R1

- pump to tube, 35-1/2 inch

1шт.

27

413-720

BOLT,Hex, 7/16" - 14 x 1-1/4", Gr 5

- hex, 7/16 NC x 1-1/4 inch

4шт.

28

50-3277T1

HYD TUBE

TUBE - hose to check valve

1шт.

29

90-6578T1

VALVE POPPET

VALVE - check

1шт.

30

50-3278T1

HYD TUBE

TUBE - check, Serial Range: valve-filter

1шт.

31

218-5039

HYD CONNECTOR,1-5/8" - 12 Male JIC x 1-5/16" - 12 Male ORB

ADAPTER - straight, 1-5/8 flare x 1-5/16 inch O-ring boss, Includes: Ref. 32

1шт.

32

31-587

O-RING,16-1, 90 Duro, 1.171" ID x .116" Thk

- 1-3/16 x 1/8 inch

1шт.

36

D131293

FILTER

ASSEMBLY - hydraulic, See Figure 8-042

1шт.

37

218-5069

HYD CONNECTOR,1-5/16" - 12 Male JIC x 1-5/16" - 12 Male ORB

Adapter - straight, 1-5/16-12 inch flare x O-ring boss, Incl. Ref. 38

1шт.

38

31-587

O-RING,16-1, 90 Duro, 1.171" ID x .116" Thk

- 1-3/16 x 1/8 inch

1шт.

41

31-2892

HOSE ASSY.

HOSE - filter to transmission, 5 inch (Without PTO system) (Order 31-2911)

1шт.

41

31-2911

HOSE

- filter to transmission, 52 inch (With PTO system)

1шт.

42

218-5110

ELBOW,90 Degree Elbow, 1-5/16" - 12 Male JIC x 1-5/16" - 12 Male ORB

90º, 1-5/16-12 inch flare x adj O-ring boss, Incl. Ref. 43

1шт.

43

237-6016

O-RING,0.116" Thk x 1.171" ID, -916, Cl 6, 90 Duro

16-1, 90 Duro, 1.171" ID x .118" Thk

1шт.

46

19-153

U-BOLT

- tube support

1шт.

47

495-11034

WASHER,5/16", SAE

5/16" SAE (flat, 11/32 x 11/16 x 1/16")

3шт.

48

425-105

NUT,5/16"-18, G5

- hex, 5/16 inch NC

3шт.

49

426-616

BOLT,Hex, 3/8" - 16 x 1", Gr 8

2шт.

50

495-11041

WASHER,0.406" ID x 0.812" OD x 0.065" W

(Flat, 13/32 x 13/16 x 1/16") 3/8", SAE

3шт.

61

50-2534T1

CLAMP

- hose, split halve

1шт.

62

413-580

BOLT,Hex, 5/16" - 18 x 5", Gr 5

1шт.

63

31-2898

HOSE ASSY.

HOSE - tube to oil cooler, 91 inch

2шт.

64

19-135

CABLE TIE

STRAP - nylon

1шт.

Выбрано товаров: 41