Запчасти Case IH 9260 (9-118) - AIR CONDITIONER, COMPRESSOR MOUNTING AND DRIVE, 9250 AND 9260 TRACTOR, PRIOR TO P.I.N. JCB0028400 (09) - CHASSIS/ATTACHMENTS

Схема запчастей Case IH 9260 - (9-118) - AIR CONDITIONER, COMPRESSOR MOUNTING AND DRIVE, 9250 AND 9260 TRACTOR, PRIOR TO P.I.N. JCB0028400 (09) - CHASSIS/ATTACHMENTS
22
4
21
13
14
8
17
12
23
25
2
24
27
10
18
11
22
27
3
1
21
2a
19
9
14
26
20
17
17
FIT
1:1
100%

Артикул

Название

Примечание

Количество

1

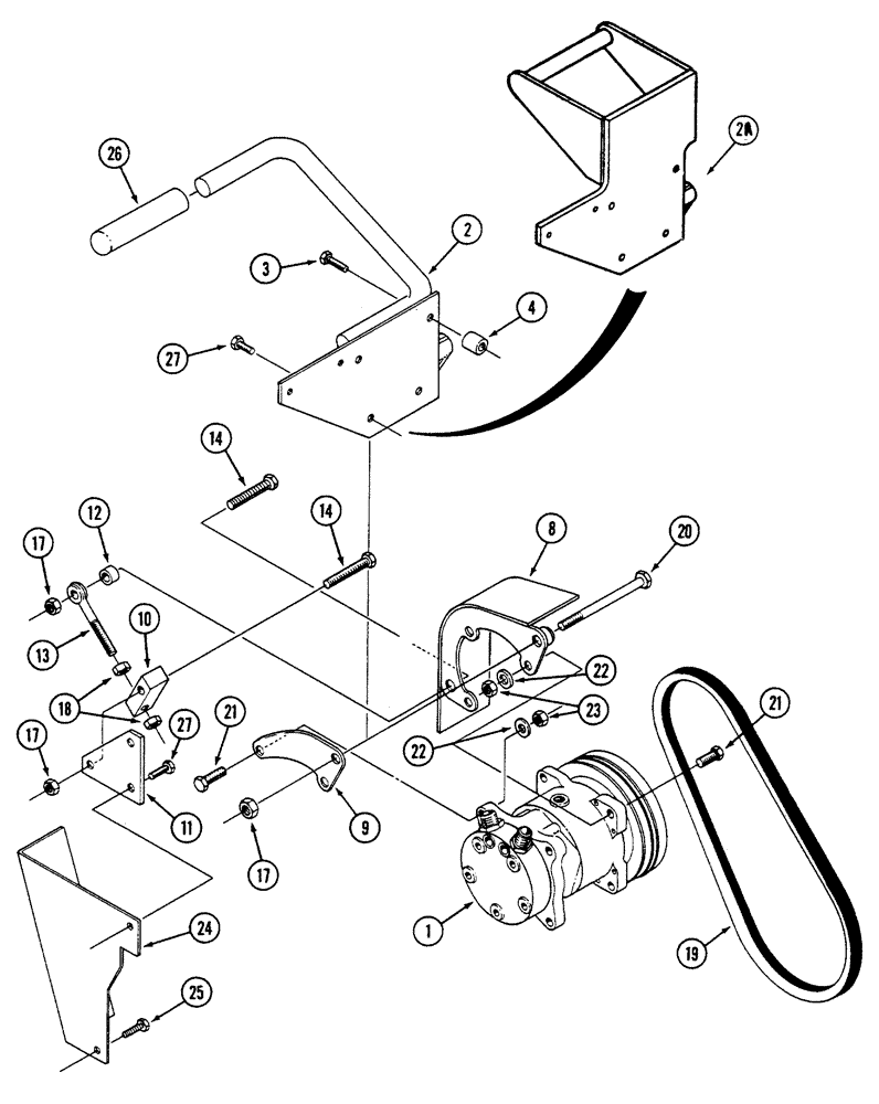
60-2921T94

AIRCOND. COMPRESSOR

ASSEMBLY - air conditioning, parts list Figure 9-122

1шт.

60-2921T94R

REMAN-A/C COMPRESSOR

9250 (9/90-5/95), 9260 (10/90-10/94), BOTH PRIOR TO P.I.N. JCB0028400

1шт.

60-2921T94C

CORE-A/C COMPRESSOR

Return Number

1шт.

2

90-7337T3

BRACKET

MOUNT - compressor, if used

1шт.

2a

90-7737T1

SUPPORT

MOUNT - compressor, if used

1шт.

3

814-10075

BOLT,Hex, M10 x 1.5 x 75mm, Cl 8.8

- hex, 10 - 1.5 x 75 mm, 8.8

2шт.

4

90-7181T1

SPACER

compressor mount

2шт.

8

90-7323T2

SUPPORT

BRACKET - compressor mounting, front

1шт.

9

90-3554T1

SUPPORT

BRACKET - compressor

1шт.

10

1-6899T1

BLOCK

- compressor belt adjusting

1шт.

11

90-7186T1

PLATE

- adjusting block

1шт.

12

90-7188T1

SPACER

adjusting rod

1шт.

13

22-1086T1

ROD

EYEBOLT, compressor belt adjusting

1шт.

14

413-840

BOLT,Hex, 1/2" - 13 x 2-1/2", Gr 5

- hex, 1/2 NC x 2-1/2 inch

2шт.

17

231-4118

LOCK NUT,1/2"-13, GB

NUT - hex, self-locking, 1/2 inch NC

3шт.

18

425-118

NUT,1/2"-20, G5

- hex, 1/2 inch NF

2шт.

19

90-7190T1

V-BELT,0.56" W x 40.25" L

Compressor, Air conditioning 0.56" W x 40.25" L

1шт.

20

413-888

BOLT,Hex, 1/2" - 13 x 5-1/2", Gr 5

- hex, 1/2 NC x 5-1/2 inch

1шт.

21

19-454

SCREW,Hex, M10 x 34mm, Cl 8.8

BOLT - hex, 10 mm - 1.5 x 34 mm

5шт.

22

495-21044

WASHER,3/8"

(flat, 7/16 x 1 x 5/64 inch) 3/8"

5шт.

23

19-455

NUT

- hex, 10 mm - 1.5

5шт.

24

90-7311T1

PROTECTOR

GUARD - compressor belt, lower

1шт.

25

614-10020

BOLT,Hex, M10 x 1.5 x 20mm, Cl 8.8, Full Thd

1шт.

26

70-5846T1

GRIP

- handle

1шт.

27

40-1091

BOLT,Hex, M10 x 1.5 x 20mm, Gr 8.8

BOLT - hex, 10 - 1.5 x 20 mm

4шт.

Выбрано товаров: 25