Запчасти Case IH 9260 (9-120) - AIR CONDITIONER, COMPRESSOR MOUNTING & DRIVE, 9250 & 9260 TRACTOR, P.I.N. JCB0028400 THRU JEE0031849 (09) - CHASSIS/ATTACHMENTS

Схема запчастей Case IH 9260 - (9-120) - AIR CONDITIONER, COMPRESSOR MOUNTING & DRIVE, 9250 & 9260 TRACTOR, P.I.N. JCB0028400 THRU JEE0031849 (09) - CHASSIS/ATTACHMENTS
10
16
27
14
20
18
9
2
8
17
4
24
7
18
3
24a
19
7
18
15
10
1
15
26
14
8
21
25
9
9
FIT
1:1
100%

Артикул

Название

Примечание

Количество

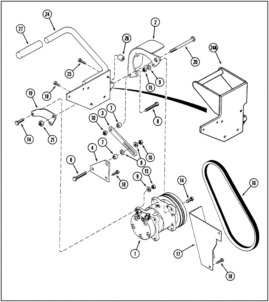
1

60-2921T94

AIRCOND. COMPRESSOR

ASSEMBLY - air conditioning, parts list Figure 9-122

1шт.

60-2921T94R

REMAN-A/C COMPRESSOR

9250 (9/90-5/95), 9260 (10/90-10/94), BOTH P.I.N. JCB0028400 THRU JEE0031849

1шт.

60-2921T94C

CORE-A/C COMPRESSOR

Return Number

1шт.

2

90-7589T1

SUPPORT

BRACKET - compressor mounting

1шт.

3

90-7587T1

ADJUSTING PLATE

STRAP - adjusting, compressor

1шт.

4

90-7590T1

LARGE PLATE

PLATE - adjusting strap

1шт.

7

90-7586T1

SPACER

27/64 x 43/64 x 45/64 inch, adjusting strap

2шт.

8

326-632

BOLT,Hex, 3/8" - 16 x 2", Gr 8

1шт.

8

426-636

BOLT,Hex, 3/8" - 16 x 2-1/4", Gr 8

- hex, 3/8 NC x 2-1/4 inch, grade 8

2шт.

9

495-21044

WASHER,3/8"

(flat, 7/16 x 1 x 5/64 inch) 3/8"

7шт.

10

19-341

LOCK NUT,3/8" - 16, GB

NUT - hex, self-locking, 3/8 inch NC

2шт.

14

614-10035

BOLT,Hex, M10 x 1.5 x 35mm, Cl 8.8, Full Thd

- hex, full threads, 10 - 1.5 x 35 mm

5шт.

15

825-1410

NUT,M10, Cl 8

5шт.

16

90-7190T1

V-BELT,0.56" W x 40.25" L

Compressor 0.56" W x 40.25" L

1шт.

17

90-7311T1

PROTECTOR

GUARD - compressor belt

1шт.

18

614-10020

BOLT,Hex, M10 x 1.5 x 20mm, Cl 8.8, Full Thd

5шт.

19

90-3554T1

SUPPORT

BRACKET - compressor

1шт.

20

426-888

BOLT,Hex, 1/2" - 13 x 5-1/2", Gr 8

- hex, 1/2 NC x 5-1/2 inch, grade 8

1шт.

21

231-4118

LOCK NUT,1/2"-13, GB

NUT - hex, self-locking, 1/2 inch NC

1шт.

24

90-7337T3

BRACKET

MOUNT - compressor, if used

1шт.

24a

90-7737T1

SUPPORT

MOUNT - compressor, if used

1шт.

25

814-10075

BOLT,Hex, M10 x 1.5 x 75mm, Cl 8.8

- hex, 10 - 1.5 x 75 mm, 8.8

2шт.

26

90-7181T1

SPACER

compressor mount

2шт.

27

70-5846T1

GRIP

- handle

1шт.

Выбрано товаров: 24