Запчасти Case IH 9260 (4-006) - OVERHEAD CAB HARNESS (04) - ELECTRICAL SYSTEMS

Схема запчастей Case IH 9260 - (4-006) - OVERHEAD CAB HARNESS (04) - ELECTRICAL SYSTEMS
10
20
21
8
34
3
35
4
21
28
19
33
24
7
32
31
1
20
6
6
2
23
41
40
6
26
9
22
17
7
6
37
13
30
9
18
5
39
36
27
37
38
12
25
10
7
7
4
29
FIT
1:1
100%

Артикул

Название

Примечание

Количество

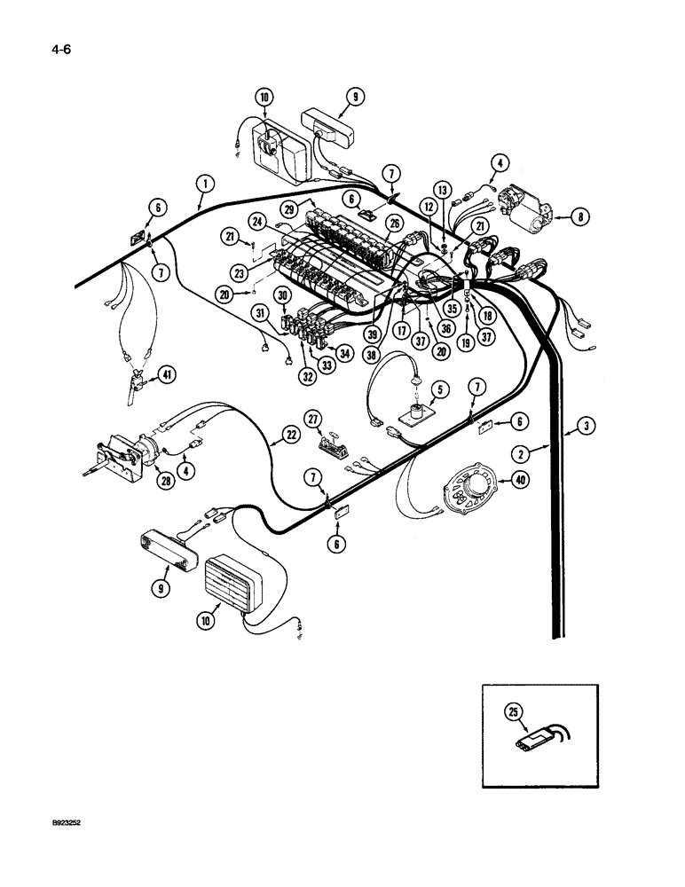
1

60-6516T1

HARNESS

- overhead

1шт.

2

REF

INSTRUCTION

HARNESS - main cab, See Figure 4-002 for correct harness

1шт.

3

60-6807T1

HARNESS

- overhead power (P.I.N. JCB0028400 and after)

1шт.

3

60-6300T1

HARNESS

- overhead power (Prior to P.I.N. JCB0028400)

1шт.

4

60-6627T1

ELECTRICAL WIRE

WIRE - ground, with spade end (P.I.N. JCB0027741 and after)

2шт.

4

20-1452T1

ELECTRICAL WIRE

WIRE - ground, with eyelet end (Prior to P.I.N. JCB0027741)

2шт.

5

83882C91

LAMP

ASSEMBLY - console, See Figure 9-082

1шт.

6

22-823

MOUNT

MOUNT - strap, adhesive backed

6шт.

7

22-824

CABLE TIE,3/16" x 7 1/4"

STRAP - tie, 7 inch

1шт.

8

REF

INSTRUCTION

DRIVE ASSEMBLY - front wiper, See Figures 4-068 and 4-070 for correct drive

1шт.

9

22-665T1

LIGHT ASSY.

LAMP ASSEMBLY - warning, See Figure 4-056

4шт.

10

20-1730T91

LAMP, WORK

LAMP ASSEMBLY - flood, See Figure 4-054

4шт.

12

19-5577

LOCK WASHER

- lock, 3/8 inch

1шт.

13

115772

NUT

- hex brass, 3/8 inch NC

1шт.

17

31-1776

MOUNTING CLIP

CLAMP - harness, retaining

1шт.

18

31-1349

MOUNTING CLIP

CLAMP - harness, retaining

1шт.

19

413-416

BOLT,Hex, 1/4" - 20 x 1", Gr 5

- hex, 1/4 NC x 1 inch

1шт.

20

19-481

SERRATED NUT

- Keps, No. 10-32

4шт.

21

459-5108

SCREW,Slotted Pan Hd, #10-32 x 1/2", G5

- pan head machine, No. 10 NC x 1/2 inch

4шт.

22

60-6523T1

HARNESS

- rear wiper

1шт.

23

REF

INSTRUCTION

BREAKER ASSEMBLY - circuit, See Figure 4-010 for correct breaker

1шт.

24

60-6297T1

DECAL

- circuit breaker, See Figure 9-128

1шт.

25

22-738

DIODE

- electrical

4шт.

26

60-6298T1

DECAL

- relay, overhead, See Figure 9-128

1шт.

27

1983391C1

LAMP,12V, 10W

ASSEMBLY - dome, See Figure 9-086

1шт.

28

REF

INSTRUCTION

DRIVE ASSEMBLY - rear wiper, See Figures 4-072 and 4-074 for correct drive

1шт.

29

1983394C1

RELAY

- electrical (Replaces 1-7877)

7шт.

30

1964752C1

SWITCH

- rocker, master lamp

1шт.

31

245012C1

SWITCH

- rocker, dash lamp

1шт.

32

1964751C1

SWITCH

- rocker, ether start

1шт.

33

1964755C1

SWITCH

- rocker, rear wiper

1шт.

34

60-3210T1

PLUG

- switch hole

1шт.

35

280129

NUT,1/4"-20

NUT - hex lock, 1/4 inch NC

1шт.

36

20-1451T1

BLOCK

- junction

1шт.

37

495-21031

WASHER,1/4"

- flat, 5/16 x 47/64 x 1/16 inch

3шт.

38

492-11025

LOCK WASHER,1/4"

WASHER, LOCK, 1/4"

2шт.

39

425-104

NUT,1/4"-20, Cl 5

- hex, 1/4 inch NC

3шт.

40

60-5748T1

SPEAKER

- radio, See Figure 4-058

2шт.

41

60-6515T1

SWITCH

- dome lamp, See Figure 9-086

1шт.

Выбрано товаров: 39