Запчасти Case IH 9260 (4-044) - STARTER ASSEMBLY, 9250 AND 9260 TRACTOR, 20-2384T91 STARTER ASSEMBLY (04) - ELECTRICAL SYSTEMS

Схема запчастей Case IH 9260 - (4-044) - STARTER ASSEMBLY, 9250 AND 9260 TRACTOR, 20-2384T91 STARTER ASSEMBLY (04) - ELECTRICAL SYSTEMS
13
33
38
9
7
42
36
43
4
18
16
39
1
26
3
23
32
24
25
34
30
14
19
17
12
44
15
40
31
37
8
2
22
41
27
FIT
1:1
100%

Артикул

Название

Примечание

Количество

20-2384T91

STARTING MOTOR

STARTER ASSEMBLY - 12 volt, Delco Remy, no longer available, order 107717A1 starter, L128826 shield and 1546549C1 nut, See Figures 4-047A and 4-047C, Includes: Ref. 1 - 44 and 50 - 101 on Figure 4-046

1шт.

140855A3R

REMAN-STARTER,12V

Remanufactured Starter 12 volt, 42MT

1шт.

140855A3C

CORE-STARTER,12V

Return Part Number, Starter 12 volt, 42MT

1шт.

AR187728

REMAN-STARTER

Remanufactured Starter

1шт.

AC187728

CORE-STARTER

Return Part Number

1шт.

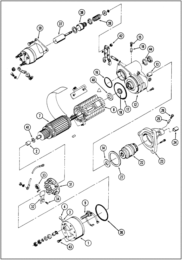
1

A187561

COVER

COVER ASSEMBLY - commutator end, Includes: Ref. 2 - 4

1шт.

2

NSS

NOT SOLD SEPARAT

BUSHING - armature, commutator end

1шт.

Part of bushing kit P/N A187514.

1шт.

3

NSS

NOT SOLD SEPARAT

FELT - bearing oil

1шт.

Part of bushing kit P/N A187514.

1шт.

4

NSS

NOT SOLD SEPARAT

CUP - oil reservoir

1шт.

Part of bushing kit P/N A187514.

1шт.

7

81772C1

ROTOR

ARMATURE - starter

1шт.

8

81771C1

COIL ASSY.

COIL - field

1шт.

9

A49764

TERMINAL CONNECTOR

WIRE - terminal, commutator end

1шт.

12

33-1013T91

HOUSING

HOUSING ASSEMBLY - lever, Includes: Ref. 13 - 19

1шт.

13

NSS

NOT SOLD SEPARAT

BUSHING - armature, lever housing

1шт.

Part of bushing kit P/N A187514.

1шт.

14

A185121

WASHER

WASHER - shift lever housing, brake

1шт.

15

NSS

NOT SOLD SEPARAT

PLUG - oil reservoir

1шт.

Part of bushing kit P/N A187514.

1шт.

16

NSS

NOT SOLD SEPARAT

O-RING - seal, switch

1шт.

Part of bushing kit P/N A187514.

1шт.

17

NSS

NOT SOLD SEPARAT

O-RING - seal, lever housing

1шт.

Part of bushing kit P/N A187514.

1шт.

18

NSS

NOT SOLD SEPARAT

SEAL - oil lever housing

1шт.

Part of bushing kit P/N A187514.

1шт.

19

NSS

NOT SOLD SEPARAT

FELT - bearing oil

1шт.

Part of bushing kit P/N A187514.

1шт.

22

20-1343T1

DRIVE ASSY.

CLUTCH - drive

1шт.

23

A49773

HOUSING

HOUSING - drive end, Includes: Ref. 24 - 27

1шт.

24

NSS

NOT SOLD SEPARAT

BUSHING - armature, drive housing

1шт.

Part of bushing kit P/N A187514.

1шт.

25

NSS

NOT SOLD SEPARAT

FELT - bearing oil

1шт.

Part of bushing kit P/N A187514.

1шт.

26

NSS

NOT SOLD SEPARAT

CUP - oil reservoir

1шт.

Part of bushing kit P/N A187514.

1шт.

27

NSS

NOT SOLD SEPARAT

O-RING - seal, drive housing

1шт.

Part of bushing kit P/N A187514.

1шт.

30

81773C1

SOLENOID

SWITCH - magnetic

1шт.

31

81769C1

BRUSH HOLDER

HOLDER, BRUSH PLATE - brush, Includes: Ref. 32 - 36

1шт.

81774C1

BRUSH SET

BRUSH KIT - starter, repair, Includes: Ref. 32 - 36

1шт.

32

NSS

NOT SOLD SEPARAT

BRUSH - starter

4шт.

33

NSS

NOT SOLD SEPARAT

SPRING - brush

4шт.

34

NSS

NOT SOLD SEPARAT

SCREW - brush lead

4шт.

36

NSS

NOT SOLD SEPARAT

O-RING - seal, commutator end

1шт.

37

A49757

PLUNGER

PLUNGER - solenoid

1шт.

38

A49589

BOOT

BOOT - plunger, cover

1шт.

39

A41242

SPRING

SPRING - plunger return

1шт.

40

NSS

NOT SOLD SEPARAT

WASHER - flat, 13/16 x 1-3/4 x 3/16 inch

1шт.

Part of bushing kit P/N A187514.

1шт.

41

NSS

NOT SOLD SEPARAT

WASHER - thrust

1шт.

Part of bushing kit P/N A187514.

1шт.

42

22-1129

JAM NUT

NUT - hex, self-locking, 5/16 inch NF

1шт.

Part of bushing kit P/N A187514.

1шт.

43

NSS

NOT SOLD SEPARAT

SCREW - hex Keps

6шт.

Part of bushing kit P/N A187514.

1шт.

44

NSS

NOT SOLD SEPARAT

GASKET - inspection plug

1шт.

Part of bushing kit P/N A187514.

1шт.

A187514

KIT

KIT - bushing, Includes: Ref. 2 - 4, 13, 15 - 19, 24 - 27 and 40 - 44

1шт.

Выбрано товаров: 60