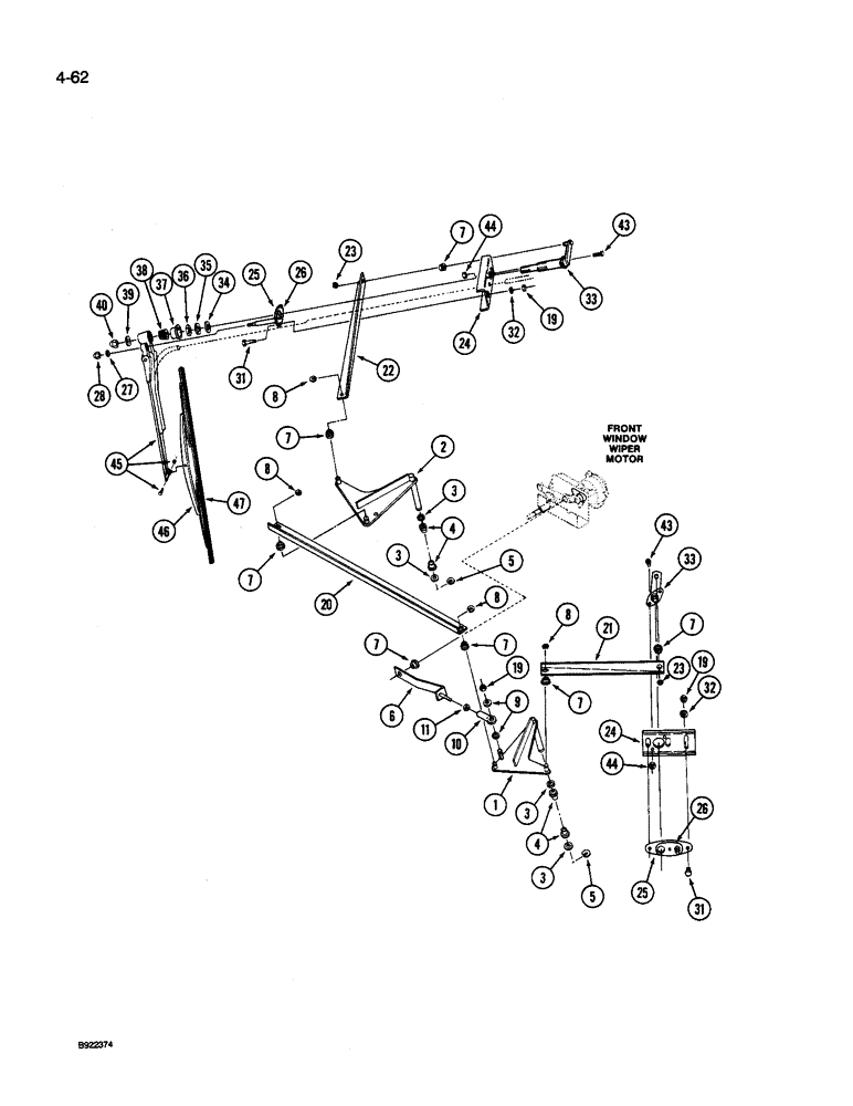
Запчасти Case IH 9260 (4-062) - SIDE WINDOW WIPERS, IF EQUIPPED (04) - ELECTRICAL SYSTEMS

Схема запчастей Case IH 9260 - (4-062) - SIDE WINDOW WIPERS, IF EQUIPPED (04) - ELECTRICAL SYSTEMS
33
21
8
40
2
33
31
5
3
19
3
44
11
28
23
24
8
7
4
1
9
10
22
25
23
27
43
26
32
37
32
4
35
47
36
7
19
3
39
6
7
7
20
45
31
5
34
36
7
25
43
8
24
44
3
7
46
8
26
19
7
FIT
1:1
100%

Артикул

Название

Примечание

Количество

35-1848T92

KIT - wiper, side and rear window with washer, order from Machinery Price List, Includes: Ref. 1 - 47

1шт.

Wiper Kit also includes the parts shown on Figures 4-064 and 4-066.

1шт.

1

60-5903T1

SUPPORT

BRACKET - pivot, left

1шт.

2

60-5904T1

SUPPORT

BRACKET - pivot, right

1шт.

3

19-5370

WAVE WASHER

- wave, 7/16 inch

4шт.

4

19-6263

NYLON BEARING,0.38" ID x 0.59" OD x 0.38"

BEARING - flanged

4шт.

5

19-5866

RING, SNAP

RING - snap, main pivots

2шт.

6

60-6630T1

PITMAN

ARM - link, actuating (Replaces 60-5898T1)

1шт.

7

19-6262

RING RACE

BEARING - snap in

7шт.

8

19-5992

RING, SNAP

RING - snap

4шт.

9

60-5994T1

SPACER

- ball joint

2шт.

10

A146456

BALL

JOINT - ball, actuating (Replaces 19-1031)

1шт.

11

425-114

NUT,1/4"-28, G5

1шт.

19

111626C1

NUT

- hex lock, 1/4 inch NC

5шт.

20

60-5899T1

ANGLE BAR

ANGLE - actuating, front

1шт.

21

60-5900T1

ANGLE BAR

ANGLE - actuating, left

1шт.

22

60-5901T1

ANGLE BAR

ANGLE - actuating, right

1шт.

23

D71414

CLIP

RETAINER - spring clip

2шт.

24

60-6529T2

SPACER

- shaft, pivot

2шт.

60-1436T91

PIVOT ASSY.

KIT - pivot, wiper blade, Includes: Ref. 25 - 28

2шт.

25

NSS

NOT SOLD SEPARAT

PIVOT - body and shaft, wiper blade

2шт.

26

NSS

NOT SOLD SEPARAT

GASKET - pivot

2шт.

27

2-4191T1

WASHER

- lock

2шт.

28

2-4192T1

NUT

- hex cap

2шт.

31

413-428

BOLT,Hex, 1/4" - 20 x 1-3/4", Gr 5

- hex, 1/4 NC x 1-3/4 inch

4шт.

32

495-11028

WASHER,1/4", SAE

(flat, 9/32 x 5/8 x 1/16") 1/4", SAE

4шт.

F96719

SHAFT

DRIVE ASSEMBLY - shaft and pivot arm, Includes: Ref. 33 - 40

2шт.

33

NSS

NOT SOLD SEPARAT

SHAFT - wiper pivot

2шт.

34

D71417

SPECIAL WASHER

WASHER - flat

2шт.

35

D71418

WASHER

- flat

2шт.

36

D71419

NUT

- hex jam

2шт.

37

D71420

CAP

- seal, shaft

2шт.

38

1267556C1

BUTTON

DRIVER - knurled

2шт.

39

1-9422

WASHER

- lock

2шт.

40

D71422

NUT

- hex cap

2шт.

43

463-41012

SCREW,Slot Hex Wash Hd, #10-24 x 3/4"

- hex flange machine, No. 10-24 x 3/4 inch

4шт.

44

19-351

NUT,#10 - 24, GA

NUT - hex lock, No. 10-24

4шт.

45

60-1144T1

WIPER ARM

ARM - wiper, 17 inch

2шт.

46

60-1145T91

WIPER BLADE

BLADE ASSEMBLY - wiper, Includes: Ref. 47

2шт.

47

2-4194T1

WIPER BLADE

BLADE - wiper, 18 inch rubber

2шт.

Выбрано товаров: 40