Запчасти Case IH 9260 (4-072) - WIPER DRIVE, REAR WINDOW, PRIOR TO P.I.N. JCB0028400 (04) - ELECTRICAL SYSTEMS

Схема запчастей Case IH 9260 - (4-072) - WIPER DRIVE, REAR WINDOW, PRIOR TO P.I.N. JCB0028400 (04) - ELECTRICAL SYSTEMS
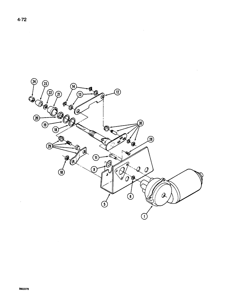
28
23
11
19
30
1
24
20
22
29
9
5
6
18
21
12
10
14
13
FIT
1:1
100%

Артикул

Название

Примечание

Количество

1

F96765

WIPER MOTOR

MOTOR - wiper

1шт.

5

D72850

BRACKET

- mounting, motor

1шт.

6

1-9415

SPACER

- motor mounting

3шт.

9

D71411

WASHER

- wave

1шт.

10

F44452

LOCK NUT

- hex Keps

1шт.

11

D72849

SCREW

- round head machine

1шт.

12

D71427

LINK,85.85mm L

- connecting

1шт.

13

A22431

WASHER

SPACER - pivot shaft

2шт.

14

D71414

CLIP

RETAINER - spring clip

2шт.

18

D71417

SPECIAL WASHER

WASHER - flat

1шт.

19

D71418

WASHER

- flat

1шт.

20

D71419

NUT

- hex jam

1шт.

21

D71420

CAP

- seal, shaft

1шт.

22

1-9422

WASHER

- lock

1шт.

23

1267556C1

BUTTON

DRIVER - knurled

1шт.

24

D71422

NUT

- hex cap

1шт.

28

1-2686

SCREW,no

- pan head machine (Order 459-1108 and 492-11010)

2шт.

29

F64210

LEVER

- drive

1шт.

30

F96719

SHAFT

DRIVE - shaft and pivot arm

1шт.

Выбрано товаров: 19