Запчасти Case IH 9260 (6-006) - TRANSMISSION (06) - POWER TRAIN

Схема запчастей Case IH 9260 - (6-006) - TRANSMISSION (06) - POWER TRAIN
3
20
26
2
33
17
29
37
30
5
10
3
27
6
11
18
38
19
33
4
32
3
36
7
31
25
9
14
12
28
40
35
15
39
34
1
8
13
16
FIT
1:1
100%

Артикул

Название

Примечание

Количество

90-7354T91

TRANSMISSION

TRANSMISSION ASSEMBLY - 9240 tractor, complete parts list on Figures 6-006 through 6-034, Includes: Ref. 1 - 40

1шт.

90-7015T91

TRANSMISSION

TRANSMISSION ASSEMBLY - 9250 and 9260 tractor, complete parts list on Figures 6-006 through 6-034, Includes: Ref. 1 - 40

1шт.

313686A1R

REMAN-TRANSMISSION

Remanufactured Transmission 4WD Powershift;

1шт.

313686A1C

CORE-TRANSMISSION

Return Part Number

1шт.

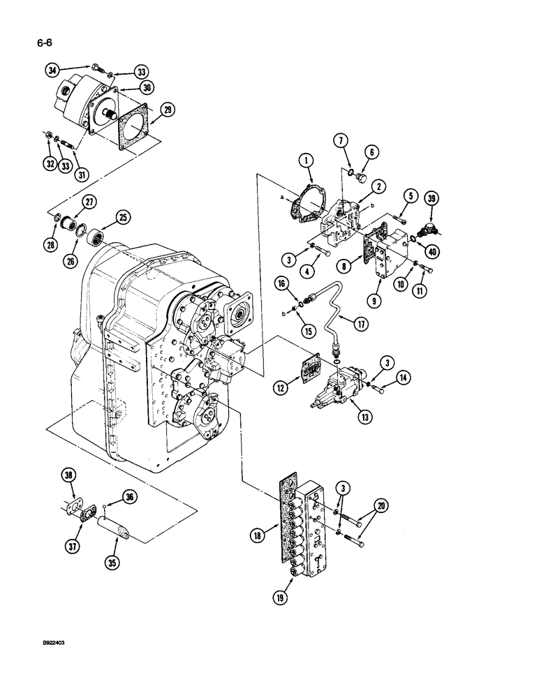
1

S1160S00F

GASKET

GASKET - ditch plate

1шт.

2

S1170S00F

LARGE PLATE

PLATE, LARGE PLATE - ditch

1шт.

3

892-11010

LOCK WASHER,M10

LOCK WASHER, M10

17шт.

4

SM8124070

BOLT

BOLT - hex, 10 mm - 1.25 x 70 mm

3шт.

5

S1050S00F

SCREW

BOLT - socket head

3шт.

6

S1210S00F

PLUG

PLUG - o-ring boss, Includes: Ref. 7

1шт.

7

S1200S00F

O-RING

O-RING - plug

1шт.

8

S1150S01F

GASKET

GASKET - regulator valve

1шт.

9

S7000S01F

VALVE

VALVE ASSEMBLY - regulator, See Figure 6-028

1шт.

10

892-11008

LOCK WASHER,8mm ID

WASHER, LOCK, M8

6шт.

11

SM8120865

BOLT

BOLT - hex, 8 mm - 1.25 x 65 mm

8шт.

12

S1140S00F

GASKET

GASKET - clutch control

1шт.

13

S6000S00F

VALVE

CONTROL ASSEMBLY - clutch, See Figure 6-026

1шт.

14

SM8124085

BOLT

BOLT - hex, 10 mm - 1.25 x 85 mm

4шт.

15

S1020S00F

FILTER

SCREEN - filter

1шт.

16

31-1099

O-RING,0.078" Thk x 0.468" ID, -906, Cl 6, 90 Duro

O-Ring, 6-1, 90 Duro, .468" ID x .078" Thk

2шт.

17

33-1558T1

TUBE

TUBE - clutch

1шт.

18

S1220S00F

GASKET

GASKET - range selector valve

1шт.

19

33-1525T91

VALVE

VALVE ASSEMBLY - range selector, See Figure 6-034

1шт.

20

SM8124003

BOLT

BOLT - hex, 10 mm - 1.25 x 115 mm

10шт.

25

33-1452T1

COUPLING

COUPLING - pump

1шт.

26

33-1445T1

RING, SNAP

RING SNAP RING - snap, external retaining

1шт.

27

33-1516T1

ADAPTER

ADAPTER - pump drive

1шт.

28

33-1446T1

RING, SNAP

RING SNAP RING - snap

1шт.

29

50-1388T1

GASKET

GASKET - pump

1шт.

30

33-1524T91

PUMP, HYDRAULIC

PUMP ASSEMBLY - lubrication, See Figure 6-032

1шт.

30

33-1524T91R

REMAN-HYD PUMP

9240, 9260 Both (10/90-10/94), 9250 (9/90-5/95)

1шт.

30

33-1524T91C

CORE-HYDRAULIC PUMP

Return Part Number

1шт.

31

SM8267430

STUD

STUD - 14 mm - 1.60 x 30 mm

2шт.

32

SM8911244

NUT

NUT - hex, 14 mm - 1.5

2шт.

33

SM8915144

PLATE, LOCKING

WASHER - lock, 14 mm

2шт.

34

SM8124440

BOLT

BOLT - hex, 14 mm - 1.5 x 40 mm

2шт.

35

S1520S00F

PIPE

TUBE - suction

1шт.

36

S14701960

BALL,3.968mm OD

BALL - steel, tube retaining

1шт.

37

S1620S00F

GASKET

GASKET - suction tube

1шт.

38

S1700S00F

LARGE PLATE

PLATE, LARGE PLATE - suction tube retainer

1шт.

39

218-5110

ELBOW,90 Degree Elbow, 1-5/16" - 12 Male JIC x 1-5/16" - 12 Male ORB

ELBOW, 90º, adjustable, 1-5/16 inch thread, Incl. Ref. 40

1шт.

40

31-587

O-RING,16-1, 90 Duro, 1.171" ID x .116" Thk

O-RING - 1-11/64 ID x 1/8 inch

1шт.

Выбрано товаров: 42