Запчасти Case IH 9270 (6-84) - ELECTRIC SHIFT ASSEMBLY (06) - POWER TRAIN

Схема запчастей Case IH 9270 - (6-84) - ELECTRIC SHIFT ASSEMBLY (06) - POWER TRAIN
34
6
27
35
29
5
2
24
30
7
11
1
37
15
28
26
32
44
19
10
33
FIT
1:1
100%

Артикул

Название

Примечание

Количество

90-4391T91

SHIFTING UNIT

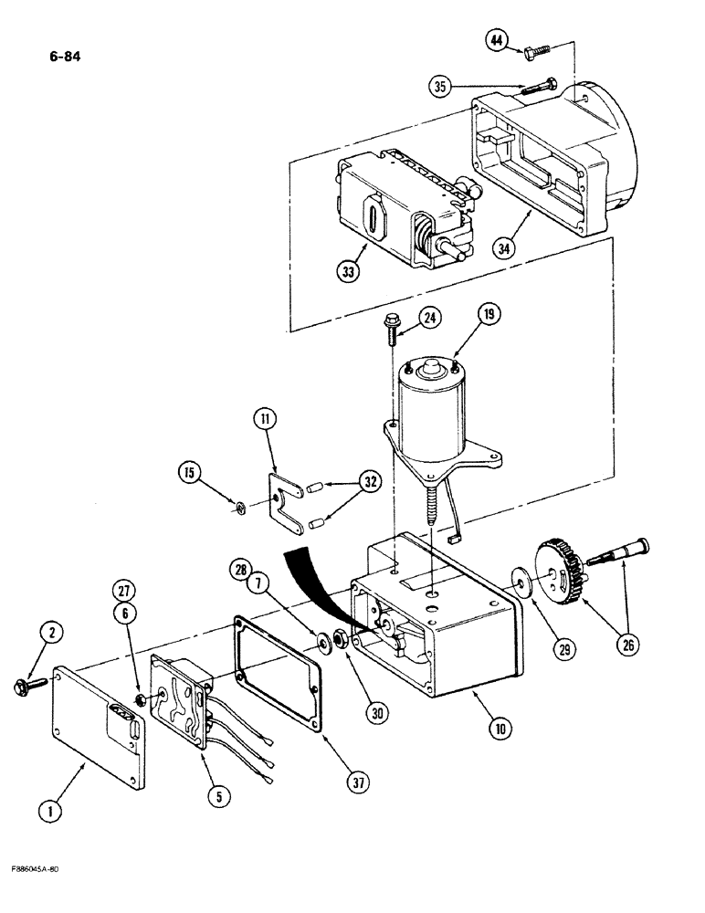
SHIFT ASSEMBLY - electric, axle, Includes: Ref. 1 - 44

1шт.

1

90-4542T1

COVER

- electric shift, Includes: Ref. 37

1шт.

2

90-4552T1

SCREW

BOLT - hex flange

4шт.

90-4550T1

BOARD, PRINTED CIRCU

BOARD ASSEMBLY - circuit, Includes: Ref. 5 - 7

1шт.

5

NSS

NOT SOLD SEPARAT

BOARD - circuit

1шт.

6

NSS

NOT SOLD SEPARAT

NUT - hex

1шт.

7

NSS

NOT SOLD SEPARAT

WASHER - flat

1шт.

90-4543T91

HOUSING

ASSEMBLY - motor, Includes: Ref. 10 & 11

1шт.

10

NSS

NOT SOLD SEPARAT

HOUSING - motor

1шт.

11

NSS

NOT SOLD SEPARAT

SPRING - switch (Order 90-4543T91)

1шт.

15

NSS

NOT SOLD SEPARAT

RETAINER - push on (Order 90-4543T91)

1шт.

90-4546T91

MOTOR, ELECTRIC

MOTOR ASSEMBLY - shift, Includes: Ref. 19

1шт.

19

NSS

NOT SOLD SEPARAT

MOTOR - electric shift

1шт.

24

90-4553T1

SCREW

BOLT - hex flange

3шт.

90-4547T91

GEAR

ASSEMBLY - drive, Includes: Ref. 26 - 32

1шт.

26

NSS

NOT SOLD SEPARAT

GEAR - drive (with shaft)

1шт.

27

NSS

NOT SOLD SEPARAT

NUT - hex

1шт.

28

NSS

NOT SOLD SEPARAT

WASHER - flat

1шт.

29

NSS

NOT SOLD SEPARAT

WASHER - wear, flat

1шт.

30

NSS

NOT SOLD SEPARAT

NUT - hex

1шт.

32

90-4545T1

GEAR

PIN - cam

2шт.

33

90-4548T1

SLIDE

BLOCK ASSEMBLY - slide and shaft

1шт.

34

90-4549T1

HOUSING

- slide block and shaft

1шт.

35

90-4554T1

SCREW

BOLT - hex

4шт.

37

90-6754T1

GASKET

- cover

1шт.

44

413-720

BOLT,Hex, 7/16" - 14 x 1-1/4", Gr 5

- hex, 7/16 NC x 1-1/4 inch

2шт.

Выбрано товаров: 26