Запчасти Case IH 9270 (4-06) - OVERHEAD CAB HARNESS (04) - ELECTRICAL SYSTEMS

Схема запчастей Case IH 9270 - (4-06) - OVERHEAD CAB HARNESS (04) - ELECTRICAL SYSTEMS
10
34
30
25
37
8
39
20
4
28
19
24
24
4
36
35
33
26
6
38
40
12
7
31
6
2
18
7
22
1
21
7
7
23
9
37
20
29
9
41
6
13
32
21
22
6
10
5
17
3
7
27
FIT
1:1
100%

Артикул

Название

Примечание

Количество

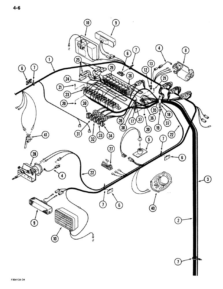
1

60-6516T1

HARNESS

ASSEMBLY - overhead

1шт.

2

60-6451T3

HARNESS

ASSEMBLY - main cab, See Figure 4-02

1шт.

3

60-6300T1

HARNESS

- overhead power

1шт.

4

60-6627T1

ELECTRICAL WIRE

WIRE ASSEMBLY - motor ground (Replaces 20-1452T1)

2шт.

5

REF

INSTRUCTION

LIGHT ASSEMBLY - console, See Figure 9-64

1шт.

6

22-823

MOUNT

MOUNT - strap, adhesive backed

6шт.

7

22-824

CABLE TIE,3/16" x 7 1/4"

STRAP - tie, 7 inch

1шт.

8

REF

INSTRUCTION

DRIVE ASSEMBLY - wiper, See Figure 4-48

1шт.

9

REF

INSTRUCTION

LIGHT ASSEMBLY - warning, See Figure 4-36

4шт.

10

REF

INSTRUCTION

LIGHT ASSEMBLY - field, See Figure 4-37

4шт.

12

19-5577

LOCK WASHER

- lock, 3/8 inch

1шт.

13

115772

NUT

- hex brass, 3/8 inch NC

1шт.

17

31-1776

MOUNTING CLIP

CLAMP - harness, retaining

1шт.

18

31-1349

MOUNTING CLIP

CLAMP - harness, retaining

1шт.

19

413-416

BOLT,Hex, 1/4" - 20 x 1", Gr 5

- hex, 1/4 NC x 1 inch

1шт.

20

19-481

SERRATED NUT

- keps, No. 10 NF

4шт.

21

459-5108

SCREW,Slotted Pan Hd, #10-32 x 1/2", G5

- pan head machine, No. 10 NC x 1/2 inch

4шт.

22

60-6523T1

HARNESS

- rear wiper

1шт.

23

REF

INSTRUCTION

BREAKER ASSEMBLY - circuit, See Figure 4-10

1шт.

24

60-6297T1

DECAL

- circuit breaker

1шт.

25

22-738

DIODE

- electrical

4шт.

26

60-6298T1

DECAL

- relay, overhead

1шт.

27

REF

INSTRUCTION

LIGHT ASSEMBLY - dome, See Figure 9-68

1шт.

28

REF

INSTRUCTION

DRIVE ASSEMBLY - rear wiper, See Figure 4-51

1шт.

29

1-7877

RELAY

- electrical

7шт.

THE RELAY FITS INTO A PLASTIC BLOCK CONNECTOR P/N 245731C1.ALSO THERE IS SOME PLASTIC TERMINALS USED PART NUMBER IS 631019C1.

1шт.

30

1964752C1

SWITCH

- rocker, master light

1шт.

31

245012C1

SWITCH

- rocker, dash light

1шт.

32

1964751C1

SWITCH

- rocker, ether start

1шт.

33

1964755C1

SWITCH

- rocker, rear wiper

1шт.

34

60-3210T1

PLUG

- switch hole

1шт.

35

280129

NUT,1/4"-20

NUT - hex lock, 1/4 inch NC

1шт.

36

20-1451T1

BLOCK

- junction

1шт.

37

495-21031

WASHER,1/4"

- flat, 5/16 x 47/64 x 1/16 inch

3шт.

38

492-11025

LOCK WASHER,1/4"

WASHER, LOCK, 1/4"

2шт.

39

425-104

NUT,1/4"-20, Cl 5

- hex, 1/4 inch NC

3шт.

40

REF

INSTRUCTION

SPEAKER - radio, See Figure 4-39

2шт.

41

REF

INSTRUCTION

SWITCH - micro, door, See Figure 9-69

1шт.

Выбрано товаров: 38