Запчасти Case IH 9270 (6-12) - TRANSMISSION (CONTD) (06) - POWER TRAIN

Схема запчастей Case IH 9270 - (6-12) - TRANSMISSION (CONTD) (06) - POWER TRAIN
20
30
11
12
3
16
15
26
31
17
8
6
23
19
28
24
21
1
22
22
25
4
21
9
13
29
18
2
10
26
23
7
24
5
27
14
FIT
1:1
100%

Артикул

Название

Примечание

Количество

90-7016T91

GEARBOX ASSY

TRANSMISSION ASSEMBLY

1шт.

Includes: Ref. 1 - 40 on Figure 6-04, 1 - 14 on Figure 6-06, 1 - 24 on Figure 6-08, 25 - 39 on Figure 6-10, 1 - 31 on Figure 6-12, 1 - 7 on Figure 6-14, 1 - 23 on Figure 6-16, 1 - 21 on Figure 6-18, 1 - 26 on Figure 6-20, 1 - 32 on Figure 6-22, 1 - 25 on Figure 6-24, 1 - 14 on Figure 6-26, 1 - 30 on Figure 6-28 and 1 - 29 on Figure 6-30.

1шт.

313686A1R

REMAN-TRANSMISSION

Remanufactured Transmission 4WD Powershift; On The Steiger 9280 BSN JCB0028400, Harness Part Number 60-6289T1 Must Also Be Ordered When Replacing Original Transmission 90-7016T91.

1шт.

313686A1C

CORE-TRANSMISSION

Return Part Number

1шт.

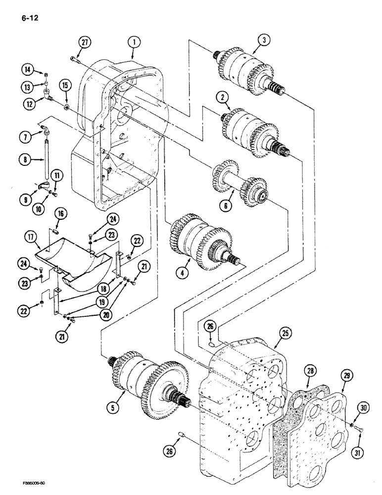
1

33-1476T1

HOUSING

HOUSING - transmission, rear

1шт.

2

REF

INSTRUCTION

CLUTCH PACK ASSEMBLY - 7 inch, input, See Figure 6-16

1шт.

3

REF

INSTRUCTION

CLUTCH PACK ASSEMBLY - 7 inch, 2nd, See Figure 6-18

1шт.

4

REF

INSTRUCTION

CLUTCH PACK ASSEMBLY - 9 inch, See Figure 6-22)

1шт.

5

REF

INSTRUCTION

CLUTCH PACK ASSEMBLY - 8 inch, See Figure 6-20

1шт.

6

REF

INSTRUCTION

SHAFT - compound, See Figure 6-14

1шт.

7

33-1472T1

ELBOW

ELBOW - breather tube

1шт.

8

33-1471T1

TUBE

TUBE - breather

1шт.

9

33-1473T1

MOUNTING CLIP

CLAMP - breather tube

1шт.

10

892-11012

LOCK WASHER,M12

WASHER, LOCK, M12

1шт.

11

SM8124225

BOLT

BOLT - hex, 12 mm - 1.25 x 25 mm

1шт.

12

33-1455T1

VENTILATION PIPE

ELBOW - breather filter

1шт.

13

33-1454T1

BREATHER

FILTER - breather

1шт.

14

SAS99900F

PLUG

PLUG - filter element retension

1шт.

15

SM8911246

NUT

NUT - hex, 16 mm - 1.5

1шт.

16

33-1423T1

PIN, ROLL

PIN - roll

1шт.

17

33-1425T1

PAN, ENGINE OIL

PAN, OIL BAFFLE - oil

1шт.

18

33-1424T1

STRAP

STRAP - oil baffle

2шт.

19

895-11012

WASHER,13.5mm ID x 24mm OD x 2.5mm Thk

WASHER - flat, 13.5 x 24 x 2.5 mm

2шт.

20

892-11012

LOCK WASHER,M12

WASHER, LOCK, M12

2шт.

21

SM8124225

BOLT

BOLT - hex, 12 mm - 1.25 x 25 mm

2шт.

22

825-11410

NUT,M10 x 1.25, Cl 8

NUT, M10 x 1.25, Cl 8

2шт.

23

895-11010

WASHER,11mm ID x 20mm OD x 2mm Thk

WASHER - flat, 11 x 21 x 2 mm

2шт.

24

SM8124020

BOLT

BOLT - hex, 10 mm - 1.25 x 20 mm

2шт.

25

S1400S00F

HOUSING

HOUSING - transmission, front

1шт.

26

33-1467T1

DOWEL

PIN - dowel

2шт.

27

SM8121240

BOLT

BOLT - hex, 12 mm - 1.75 x 40 mm

30шт.

28

S1590S00F

GASKET

GASKET - oil supply plate

1шт.

Part of P/N 33-1559T1 Transmission Gasket Kit

1шт.

29

S1580S00F

LARGE PLATE

PLATE, LARGE PLATE - oil supply

1шт.

30

SM8915140

PLATE, LOCKING

WASHER - lock, 10 mm

7шт.

31

SM8124045

BOLT

BOLT - hex, 10 mm - 1.25 x 45 mm

7шт.

Выбрано товаров: 36