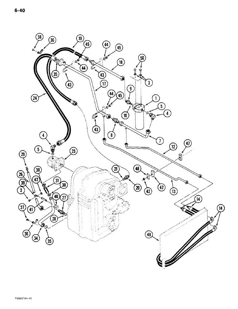
Запчасти Case IH 9270 (6-40) - TRANSMISSION LUBRICATION, TRANSMISSION TO COOLER (06) - POWER TRAIN

Схема запчастей Case IH 9270 - (6-40) - TRANSMISSION LUBRICATION, TRANSMISSION TO COOLER (06) - POWER TRAIN
36
35
9
13
12
31
45
47
43
26
4
29
8
2
49
42
48
44
17
3
37
5
36
35
5
28
7
20
44
45
40
25
1
43
50
34
27
41
14
21
18
44
47
30
4
19
14
45
43
30
24
39
42
38
10
FIT
1:1
100%

Артикул

Название

Примечание

Количество

1

REF

INSTRUCTION

FILTER - hydraulic, See Figue 8-20

1шт.

2

413-612

BOLT,Hex, 3/8" - 16 x 3/4", Gr 5

4шт.

3

495-11041

WASHER,0.406" ID x 0.812" OD x 0.065" W

(Flat, 13/32 x 13/16 x 1/16") 3/8", SAE

3шт.

4

218-5116

ELBOW,90 Degree Elbow, 1-5/8" - 12 Male JIC x 1-5/16" - 12 Male ORB

- 90 degree, adjustable, 1-5/16 x 1-5/8 inch thread, Includes: Ref. 5

2шт.

5

31-587

O-RING,16-1, 90 Duro, 1.171" ID x .116" Thk

- 1-11/64 ID x 1/8 inch width

2шт.

7

50-3131T1

HYD TUBE

TUBE - filter to check valve

1шт.

8

90-6578T1

VALVE POPPET

VALVE - check

1шт.

9

218-5039

HYD CONNECTOR,1-5/8" - 12 Male JIC x 1-5/16" - 12 Male ORB

ADAPTER - straight, 1-5/16 x 1-5/8 inch thread, Includes: Ref. 10

1шт.

10

31-587

O-RING,16-1, 90 Duro, 1.171" ID x .116" Thk

- 1-11/64 ID x 1/8 inch width

1шт.

12

50-3129T1

HYD TUBE

TUBE - tube to cooler hose

1шт.

13

50-3128T1

HYD TUBE

TUBE - tube to cooler hose

1шт.

14

31-2709

HOSE

- tube to oil cooler, 103 inch

2шт.

17

50-3130T1

HYD TUBE

TUBE - check, Serial Range: valve-hose

1шт.

18

50-3132T1

HYD TUBE

TUBE -, Serial Range: filter-hose

1шт.

19

31-2834

HOSE

- tube to transmission, 42 inch

1шт.

20

9410207

HYD CONNECTOR,1 5/16"-12, 37 Degree x 1 5/16"-12, O-Ring

CONNECTOR - short, 1-5/16 flared x 1-5/16 inch O-ring boss, Includes: Ref. 21

1шт.

21

31-587

O-RING,16-1, 90 Duro, 1.171" ID x .116" Thk

- 1-11/64 ID x 1/8 inch width

1шт.

24

31-2842

HOSE,31.75mm ID x 850.9mm L, SAE 100R1

- tube to pump, 35-1/2 inch

1шт.

25

REF

INSTRUCTION

PUMP ASSEMBLY - lubrication, See Figure 6-28

1шт.

26

90-7023T1

TUBE,1.25" OD x 24.15" L

ASSEMBLY - dipstick

1шт.

27

31-401

HYD CONNECTOR,1 5/8"-20, 37 Degree x 1 5/8"-12, O-Ring

CONNECTOR ASSEMBLY - straight, 1-5/8 inch thread, Includes: Ref. 28

1шт.

28

31-1101

O-RING,20-1, 90 Duro, 1.475" ID x .116" Thk

- 1-1/2 x 1/8 inch

1шт.

29

90-6546T1

DIPSTICK

- oil check

1шт.

30

31-1283

MOUNTING CLIP

CLAMP - hose, 1-1/4 x 2-5/8 inch

2шт.

31

1-4571

HOSE

- suction, 1-1/2 x 4 inch (Order hose 1-4482T1 and, Serial Range: cut-length)

1шт.

34

90-7064T1

TUBE,1.5" OD

- transmission to pump (Without PTO)

1шт.

34

90-7063T1

TUBE,1.5" OD

- transmission to pump (With PTO)

1шт.

35

31-1925

O-RING,0.139" Thk x 1.484" ID, -222, Cl 6, 90 Duro

- 1-1/2 x 9/64 inch

2шт.

36

31-1910

COUPLING FLANGE

FLANGE - split, clamp halves

4шт.

37

413-624

BOLT,Hex, 3/8" - 16 x 1-1/2", Gr 5

- hex, 3/8 NC x 1-1/2 inch

4шт.

38

413-720

BOLT,Hex, 7/16" - 14 x 1-1/4", Gr 5

- hex, 7/16 NC x 1-1/4 inch

4шт.

39

31-1348

CLAMP

- tube

1шт.

40

31-1349

MOUNTING CLIP

CLAMP - tube

1шт.

41

90-6588T1

SUPPORT

BRACKET - support, tube clamp

1шт.

42

425-106

NUT,3/8"-16, Cl 5

2шт.

43

19-153

U-BOLT

- tube support, 5/16 NC x 1-3/8 x 2-1/2 inch

3шт.

44

495-11034

WASHER,5/16", SAE

5/16" SAE (flat, 11/32 x 11/16 x 1/16")

6шт.

45

425-105

NUT,5/16"-18, G5

- hex, 5/16 inch NC

7шт.

47

50-2551T1

CLAMP

- tube, split, halves

2шт.

48

50-2533T1

PLATE

COVER - clamp

1шт.

49

REF

INSTRUCTION

COOLER - oil, See Figure 8-22

1шт.

50

413-616

BOLT,Hex, 3/8" - 16 x 1", Gr 5

- hex, 3/8 NC x 1 inch

2шт.

Выбрано товаров: 42