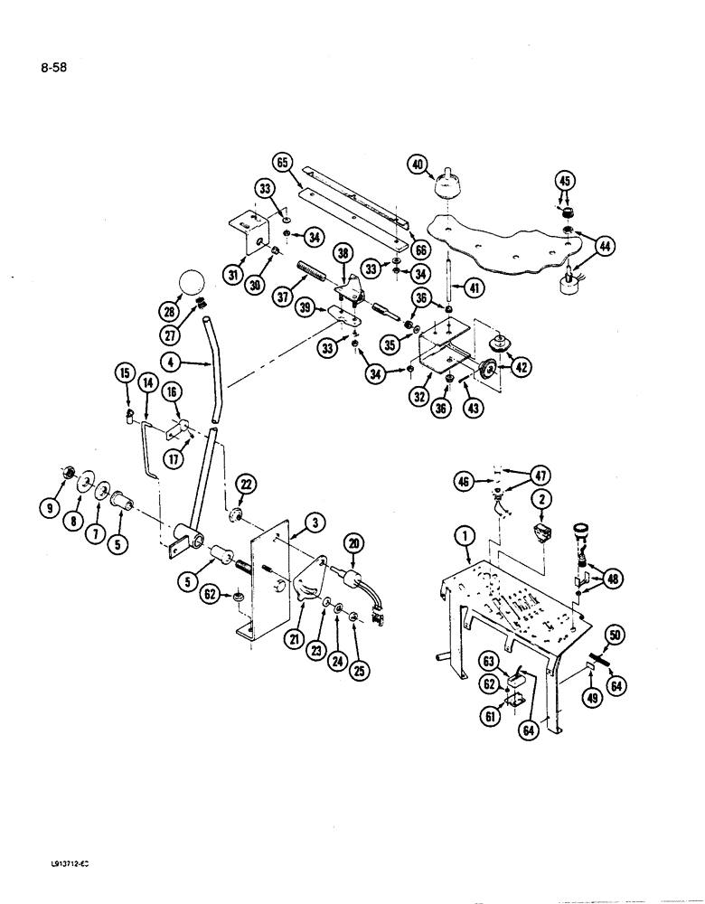
Запчасти Case IH 9270 (8-058) - 3-PT HITCH CONTROLS ELECTRIC CONTROLLED P.I.N. JCB0028425 & AFTER (08) - HYDRAULICS

Схема запчастей Case IH 9270 - (8-058) - 3-PT HITCH CONTROLS ELECTRIC CONTROLLED P.I.N. JCB0028425 & AFTER (08) - HYDRAULICS
22
44
37
43
9
49
14
38
23
33
64
34
5
34
24
32
42
66
5
16
36
7
39
4
62
47
34
63
41
45
17
3
35
33
48
64
61
20
36
28
15
8
30
25
46
21
33
50
40
2
27
1
62
65
31
FIT
1:1
100%

Артикул

Название

Примечание

Количество

1

REF

INSTRUCTION

PANEL - control console (See Figure 9-42 and 9-44)

1шт.

2

1964753C1

SWITCH

- rocker, hitch actuating

1шт.

3

60-6152T1

SUPPORT

BRACKET - lever mounting

1шт.

4

60-6794T1

LEVER

- control

1шт.

5

90-4367T1

BRONZE BUSHING

BUSHING - pivot

2шт.

7

495-21056

WASHER,1/2"

- flat, 9/16 x 1-3/8 x 3/32 inch

1шт.

8

19-5648

SPRING WASHER

- spring, conical, 1/2 inch

1шт.

9

231-1448

NUT,1/2"-13, GB

- light hex, self-locking, 1/2 inch NC

1шт.

14

60-2802T1

STEM

Rod, Linkage, Potentiometer Actuating

1шт.

15

60-2404T1

RETAINER

- linkage rod

2шт.

16

60-6172T2

LEVER

ARM ASSEMBLY - actuating, potentiometer, Includes: Ref. 17

1шт.

17

178-801

SET SCREW,Hex Soc, #10-24 x 1/4"

SCREW - set, No. 10 NC x 1/4 inch

1шт.

20

60-6117T1

POTENTIOMETER

Raise and Lower

1шт.

21

60-6118T1

BRACKET

Potentiometer Adjusting

1шт.

22

60-6155T1

NUT

Potentiometer Mounting

1шт.

23

495-11028

WASHER,1/4", SAE

(flat, 9/32 x 5/8 x 1/16") 1/4", SAE

1шт.

24

493-21026

LOCK WASHER,Int Tooth, 1/4"

WASHER - internal lock, 1/4 inch

1шт.

25

425-104

NUT,1/4"-20, Cl 5

- hex, 1/4 inch NC

1шт.

27

D38662

RING

BUSHING - knob

1шт.

28

60-4273T1

BALL KNOB

KNOB - lever

1шт.

30

19-6113

NYLON BEARING,0.484" ID x 0.578" OD x 0.14"

BEARING - split flanged, 15/32 OD x 9/16 OD

1шт.

31

60-6796T1

SUPPORT

BRACKET - mounting, rod

1шт.

32

60-4757T1

SUPPORT

BRACKET - mounting, gear and rod

1шт.

33

495-31022

WASHER,#10

5шт.

34

86632551

NUT,#10-24, GB

NUT, LOCK, #10-24, GB

6шт.

35

19-5924

SPRING WASHER

- spring, 1/4 inch

1шт.

36

19-6129

NYLON BEARING

BEARING - snap in, door pivot

3шт.

37

60-6797T1

THREADED ROD

ROD - threaded, depth actuating

1шт.

38

60-3950T1

INDICATOR

- depth

1шт.

39

60-3953T1

LARGE PLATE

TAB - lever retainer

1шт.

40

60-3957T1

BUTTON

KNOB - depth actuating

1шт.

41

60-3949T1

ROD

- gear actuating

1шт.

42

60-4275T1

GEAR, BEVEL

GEAR SET - depth actuating

1шт.

43

32-616

COTTER PIN,3/32" x 1"

Pin, Split (Cotter), 3/32" x 1"

2шт.

44

A186061

POTENTIOMETER,10,000 Ohm, 8V

Lower Rate 10,000 Ohm, 8V

1шт.

45

A186263

KNOB

Lower Rate

1шт.

46

60-6111T1

INDICATOR

LIGHT ASSEMBLY - indicator

1шт.

47

58554C1

BULB,C2F, #1892, 14V

- light, No. 1892

1шт.

48

1983331C1

GAUGE

- display, seven segment

1шт.

49

22-823

MOUNT

STRAP - mounting, adhesive backed

1шт.

50

22-824

CABLE TIE,3/16" x 7 1/4"

STRAP - nylon

1шт.

61

60-6065T1

ANGLE BAR

ANGLE - retaining, foam

2шт.

62

231-1445

NUT,5/16"-18, GB

NUT - hex lock, 5/16 inch NC

6шт.

63

60-6066T1

FOAM

- sealing

2шт.

64

60-6123T1

HARNESS

- electronic depth control

1шт.

65

60-3954T1

LARGE PLATE

WEARSTRIP - lever

1шт.

66

60-4276T1

SUPPORT

BRACKET - stiffener, console

1шт.

Выбрано товаров: 47