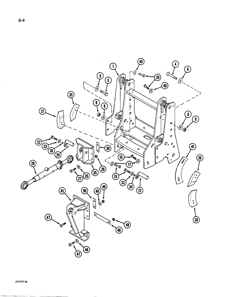
Запчасти Case IH 9270 (9-004) - HITCH UPPER & LOWER LINK MOUNTS (09) - CHASSIS/ATTACHMENTS

Схема запчастей Case IH 9270 - (9-004) - HITCH UPPER & LOWER LINK MOUNTS (09) - CHASSIS/ATTACHMENTS
8
33
35
40
34
49
38
32
30
1
29
13
37
5
17
40
41
4
8
15
15
47
28
27
18
45
9
33
50
49
26
48
9
39
8
24
46
36
47
8
25
48
FIT
1:1
100%

Артикул

Название

Примечание

Количество

1

70-5991T2

SUPPORT

MOUNT - rear frame, three point hitch (Replaces 70-5991T1)

1шт.

4

90-7493T1

SCREW,#0 - 8 x 10"

BOLT - hex, 1 NC x 10 inch

10шт.

5

426-1640

BOLT,Hex, 1" - 8 x 2-1/2", Gr 8

- hex, 1 NC x 2-1/2 inch

6шт.

8

496-21106

WASHER,1 1/16" x 2" x .209", HDN

- flat, 1-1/16 x 2 x 13/64 inch, Hardened

32шт.

9

425-1016

NUT,1"-8, G5

- hex, 1 inch NC

16шт.

13

70-5972T2

PIN

- mounting, rockershaft

2шт.

15

426-1032

BOLT,Hex, 5/8" - 11 x 2", Gr 8

- hex, 5/8 NC x 2 inch, grade 8

2шт.

17

495-11066

WASHER,5/8", SAE

- flat, 21/32 x 1-5/16 x 3/32 inch

2шт.

18

70-5967T1

SPACER,16.7mm ID x 22.2mm OD x 11.2mm

- pin

2шт.

19

425-1010

NUT,5/8"-11, G5

2шт.

24

70-6147T1

PIN

- lift link, upper

1шт.

25

70-6022T1

SUPPORT

MOUNT - upper link (With PTO)

1шт.

26

496-11081

WASHER,13/16" x 1 1/2" x .134", HDN

Flat 13/16" x 1 1/2" x .134", HDN

6шт.

27

426-12144

BOLT,Hex, 3/4" - 10 x 9", Gr 8

- hex, 3/4 NC x 9 inch, grade 8

6шт.

28

425-1012

NUT,3/4"-10, G5

- hex, 3/4 inch NC

6шт.

29

REF

INSTRUCTION

LINK ASSEMBLY - upper (See Figure 9-8)

1шт.

30

70-6406T1

LARGE PLATE

PLATE

2шт.

32

426-1024

BOLT,Hex, 5/8" - 11 x 1-1/2", Gr 8

- hex, 5/8 NC x 1-1/2 inch, grade 8

1шт.

33

495-11066

WASHER,5/8", SAE

- flat, 21/32 x 1-5/16 x 3/32 inch

1шт.

34

70-5967T1

SPACER,16.7mm ID x 22.2mm OD x 11.2mm

- pin

1шт.

35

70-6096T1

STIFFENER

BLOCK - no sway, left upper

1шт.

36

70-6018T1

BLOCK

- no sway, right upper

1шт.

37

70-6098T1

SPACER

BLOCK - no sway, left lower

1шт.

38

70-6020T1

BLOCK ASSY.

BLOCK - no sway, right lower

1шт.

39

426-1032

BOLT,Hex, 5/8" - 11 x 2", Gr 8

- hex, 5/8 NC x 2 inch, grade 8

8шт.

40

495-11066

WASHER,5/8", SAE

- flat, 21/32 x 1-5/16 x 3/32 inch

8шт.

41

70-6387T1

LARGE PLATE

PLATE - sway block

2шт.

45

70-6025T3

SUPPORT

MOUNT - upper link (Without PTO) (Replaces 70-6025T1)

1шт.

46

70-6405T1

SHIM

1шт.

47

426-1248

BOLT,Hex, 3/4" - 10 x 3", Gr 8

- hex, 3/4 NC x 3 inch, grade 8

8шт.

48

496-11081

WASHER,13/16" x 1 1/2" x .134", HDN

Flat 13/16" x 1 1/2" x .134", HDN

16шт.

49

425-1012

NUT,3/4"-10, G5

- hex, 3/4 inch NC

8шт.

50

70-6406T1

LARGE PLATE

PLATE

2шт.

Выбрано товаров: 0