Запчасти Case IH 9270 (4-044) - INSTRUMENT CLUSTER (04) - ELECTRICAL SYSTEMS

Схема запчастей Case IH 9270 - (4-044) - INSTRUMENT CLUSTER (04) - ELECTRICAL SYSTEMS
9
17
6
2
13
6
9
9
12
5
7
2
18
6
1
8
8
FIT
1:1
100%

Артикул

Название

Примечание

Количество

60-6135T92

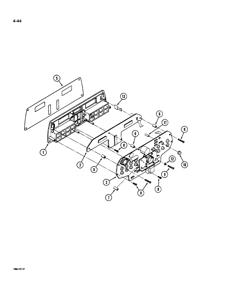
INSTRUMENT CLUSTER

CLUSTER ASSEMBLY - instrument, electronic (Power Shift), Includes: Ref. 1 - 18

1шт.

Earlier units that used a P/N 60-6563T92 Elec. Dash Mod. Assy introduced a P/N 60-7161T91 dash assy.

1шт.

The Alarm is part of the P/N 60-6135T92 Dash Module and is NSS.

1шт.

60-6563T91

INSTRUMENT CLUSTER

CLUSTER ASSEMBLY - instrument, electronic (SynchroShift), Includes: Ref. 1 - 18

1шт.

Earlier units that used a 60-6135t93 Elec. Dash Mod. Assy. introduced a 60-7162t91 dash. assy. They do not sub old may still be ordered.

1шт.

1

NSS

NOT SOLD SEPARAT

DASH - instrument, plastic

1шт.

2

NSS

NOT SOLD SEPARAT

CIRCUIT BOARD - printed, dash

1шт.

5

60-6344T1

DECAL

- dash

1шт.

6

NSS

NOT SOLD SEPARAT

SPACER - circuit board

3шт.

7

NSS

NOT SOLD SEPARAT

SPACER - circuit board

4шт.

8

NSS

NOT SOLD SEPARAT

SCREW - flange head tap, No. 3 x 3/8 inch

6шт.

9

NSS

NOT SOLD SEPARAT

SCREW - pan head tap, No. 8 x 1-1/8 inch

5шт.

12

NSS

NOT SOLD SEPARAT

WASHER - flat, No. 8

1шт.

13

25-9000262

IGNITION SWITCH

SWITCH - dash

2шт.

17

W10478

LAMP

- Type C-2F, No. 194

16шт.

Выбрано товаров: 0