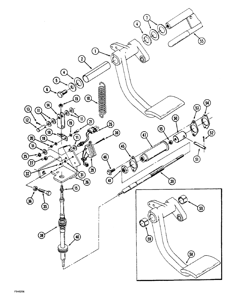
Запчасти Case IH 9280 (6-070) - TRANSMISSION CLUTCH CONTROL (06) - POWER TRAIN

Схема запчастей Case IH 9280 - (6-070) - TRANSMISSION CLUTCH CONTROL (06) - POWER TRAIN
15
21
47
1
6
50
35
19
36
15
25
10
32
25
45
11
52
19
31
13
4
46
11
53
58
11
39
30
5
51
18
20
14
27
59
40
15
2
41
12
4
54
55
39
7
29
59
26
11
FIT
1:1
100%

Артикул

Название

Примечание

Количество

1

60-6835T1

PEDAL

if equipped

1шт.

2

60-6836T1

RING RACE

BUSHING - pivot, used with Ref. 1 only

1шт.

4

19-5635

WASHER

- flat, 1 x 1-3/4 x 3/32 inch

2шт.

5

495-21056

WASHER,1/2"

- flat, 9/16 x 1-3/8 x 7/64 inch

1шт.

6

426-816

BOLT,Hex, 1/2" - 13 x 1", Gr 8

- hex, 1/2 NC x 1 inch, grade 8

1шт.

7

95-81125

WASHER,1 1/16" x 1 3/4" x .065"

- flat, 1-1/16 x 1-3/4 x 1/16 inch

1шт.

10

2-5000T1

SPRING

- pedal return

1шт.

11

495-11041

WASHER,0.406" ID x 0.812" OD x 0.065" W

(Flat, 13/32 x 13/16 x 1/16") 3/8", SAE

6шт.

12

19-5922

CLEVIS PIN,3/8" x 1 1/4"

PIN - clevis, 3/8 x 1-1/4 inch

1шт.

13

32-612

COTTER PIN,3/32" x 3/4"

PIN, SPLIT (COTTER), 3/32" x 3/4"

1шт.

14

60-4384T1

CLEVIS COUPLING

CLEVIS, cable end

1шт.

15

425-155

JAM NUT,Jam, 5/16"-24, G5

- hex jam, 5/16 inch NF

3шт.

18

60-5048T1

SUPPORT

BRACKET - actuator mounting

1шт.

Used on tractors equipped with PowerShift transmissions only.

1шт.

19

495-21019

WASHER,#8

2шт.

Used on tractors equipped with PowerShift transmissions only.

1шт.

20

19-5621

LOCK NUT,#8-32, GB

NUT - hex, self-locking, No. 8 NC

1шт.

Used on tractors equipped with PowerShift transmissions only.

1шт.

21

20-1316T1

ACTUATOR

mode, magnetic

1шт.

Used on tractors equipped with PowerShift transmissions only.

1шт.

25

60-6027T1

SENSOR

- proximity

1шт.

Used on tractors equipped with PowerShift transmissions only.

1шт.

26

60-6025T1

SUPPORT

BRACKET - control mounting

1шт.

27

425-104

NUT,1/4"-20, Cl 5

- hex, 1/4 inch NC

3шт.

29

20-2340T91

IGNITION SWITCH

SWITCH ASSEMBLY - micro, order switch 20-2333T1 and wire 60-2666T1

1шт.

30

470-10620

SCREW,Pan HD, #6 - 32 x 1-1/4"

- machine, pan head slotted, No. 6 NC x 1-1/4 inch

2шт.

31

495-31016

WASHER,#6

2шт.

32

225-14106

NUT,#6-32

2шт.

35

426-628

BOLT,Hex, 3/8" - 16 x 1-3/4", Gr 8

- hex, 3/8 NC x 1-3/4 inch, grade 8

1шт.

36

425-106

NUT,3/8"-16, Cl 5

1шт.

39

60-4957T1

CABLE

- clutch actuating, 75 inch long

1шт.

Used on tractors equipped with PowerShift transmissions only.

1шт.

39

60-6729T1

CABLE

- clutch actuating, 54 inch long, SynchroMesh

1шт.

40

1-1050

GROMMET

hole, cable guard

1шт.

41

425-1512

JAM NUT,Jam, 3/4"-10, G5

- hex, jam, 3/4 inch NF

1шт.

45

2-4693T1

RETAINER

- cable guard

1шт.

46

458-412

BOLT,Hex, 1/4" - 20 x 3/4", Gr 5

- hex flange, 1/4 NC x 3/4 inch

2шт.

47

2-4692T1

ROPE GUIDE

GUARD - cable

1шт.

50

60-6241T1

END

COLLAR - cable

1шт.

51

19-6041

PIN

- headless

1шт.

52

32-212

COTTER PIN,1/32" x 3/4"

PIN, SPLIT (COTTER), 1/32" x 3/4"

2шт.

53

60-2056T1

GASKET

- retainer

1шт.

54

60-3008T1

SHIM

- retainer

1шт.

55

REF

INSTRUCTION

MOUNT - pedal, clutch and brake, see Figure 7-2

1шт.

58

60-4251T2

PEDAL

no longer used, order 60-6835T1 pedal and 60-6836T1 bearing, Refs. 1 and 2

1шт.

59

24-208

BEARING ASSY,1" ID x 1.125" OD x 0.75"

BUSHING - pivot, split, used with Ref. 58 only

2шт.

Выбрано товаров: 46