Запчасти Case IH 9280 (6-110) - PTO TRANSFER CASE ASSEMBLY, (CONT) (06) - POWER TRAIN

Схема запчастей Case IH 9280 - (6-110) - PTO TRANSFER CASE ASSEMBLY, (CONT) (06) - POWER TRAIN
70
39
79
53
82
41
38
81
47
71
59
57
50
49
54
75
80
74
83
48
58
73
71
37
83
72
40
76
44
60
FIT
1:1
100%

Артикул

Название

Примечание

Количество

90-7039T91

TRANSFER BOX

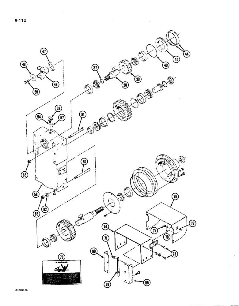
CASE ASSEMBLY - transfer, PTO (Continued), Includes: Ref. 37 - 60 and 1 - 35 on Fig. 6-108

1шт.

37

31-1744

O-RING

O-RING - sealing, yoke, 1-3/4 x 1-8 inch

1шт.

38

90-1991T1

SHAFT

- input

1шт.

39

90-4404T1

PINION

GEAR - input, (32 tooth)

1шт.

40

90-4423T1

O-RING,5.609" ID x 5.887" OD x 0.139"

- end cap, 5-5/8 x 5-7/8 inch

1шт.

41

90-4422T1

CAP

- end, input shaft

1шт.

44

90-5755T1

RING, SNAP

RING - snap, 0.105 inch thick

1шт.

44

90-5754T1

RING, SNAP

RING - snap, 0.110 inch thick

1шт.

44

90-5753T1

RING, SNAP

RING - snap, 0.115 inch thick

1шт.

44

90-5752T1

RING, SNAP

RING - snap, 0.120 inch thick

1шт.

44

90-5751T1

RING, SNAP

RING - snap, 0.125 inch thick

1шт.

47

90-1994T1

SEAL

- input shaft yoke

1шт.

48

90-7007T1

YOKE

- input, PTO

1шт.

49

19-5776

WASHER

- flat

1шт.

50

426-1024

BOLT,Hex, 5/8" - 11 x 1-1/2", Gr 8

- hex, 5/8 NC x 1-1/2 inch, grade 8

1шт.

53

218-5106

90 ELBOW,90 Degree Elbow, 3/4" - 16 Male JIC x 3/4" - 16 Male ORB

- 90 degree adjustable, 3/4-16 inch thread, Includes: Ref. 54

1шт.

54

237-6008

O-RING,0.087" Thk x 0.644" ID, -908, Cl 6, 90 Duro

8-1, 90 Duro, .644" ID x .087" Thk

1шт.

57

19967R1

DOWEL,1/4" x 1 1/4"

PIN - dowel, 1/4 x 1-1/4 inch

1шт.

58

90-4417T2

HOUSING

- PTO

1шт.

59

90-5870T1

ANGLE BAR

MOUNT - shield, left

1шт.

60

90-5869T1

ANGLE BAR

MOUNT - shield, right

1шт.

70

495-11041

WASHER,0.406" ID x 0.812" OD x 0.065" W

(Flat, 13/32 x 13/16 x 1/16") 3/8", SAE

4шт.

71

19-341

LOCK NUT,3/8" - 16, GB

NUT - hex, lock, 3/8 inch NC

4шт.

72

19-6013

SPACER

- pivot

4шт.

73

426-620

BOLT,Hex, 3/8" - 16 x 1-1/4", Gr 8

4шт.

74

90-5868T1

SUPPORT

BRACKET - shield mount

1шт.

75

90-3484T1

SHIELD

- PTO

1шт.

76

90-5866T1

RETAINER

- bracket

2шт.

79

2-7125T1

DECAL

- PTO safety

1шт.

80

426-12112

BOLT,Hex, 3/4" - 10 x 7", Gr 8

- hex, 3/4 NC x 7 inch, grade 8 (With three point hitch)

2шт.

81

426-12144

BOLT,Hex, 3/4" - 10 x 9", Gr 8

- hex, 3/4 NC x 9 inch, grade 8 (With three point hitch)

6шт.

81

413-12128

BOLT,Hex, 3/4" - 10 x 8", Gr 5

- hex, 3/4 NC x 8 inch (Without three point hitch)

6шт.

82

496-11081

WASHER,13/16" x 1 1/2" x .134", HDN

Flat 13/16" x 1 1/2" x .134", HDN

1шт.

83

425-1012

NUT,3/4"-10, G5

- hex, 3/4 inch NC

6шт.

Выбрано товаров: 0