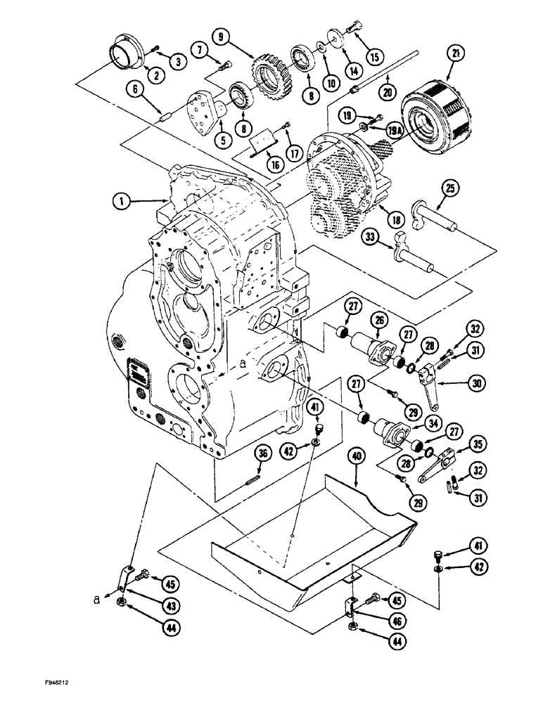
Запчасти Case IH 9280 (6-040) - SYNCHROMESH TRANSMISSION ASSEMBLY REAR HOUSING, SHIFT LEVERS, BAFFLE & CLUTCH (06) - POWER TRAIN

Схема запчастей Case IH 9280 - (6-040) - SYNCHROMESH TRANSMISSION ASSEMBLY REAR HOUSING, SHIFT LEVERS, BAFFLE & CLUTCH (06) - POWER TRAIN
32
30
20
34
41
1
16
42
32
42
40
44
27
3
26
6
7
31
35
36
19a
27
29
15
8
21
2
19
46
5
27
18
43
33
44
27
28
10
29
25
45
9
8
14
31
17
41
45
FIT
1:1
100%

Артикул

Название

Примечание

Количество

90-7373T91

TRANSMISSION

ASSEMBLY - SynchroMesh, includes parts listed on Figures 6-34 - 6-58, Includes: Ref. 1 - 46

1шт.

1

33-1600T2

HOUSING

- rear, transmission, replaces 33-1600T1

1шт.

Replace 33-1600T2 housing and 33-1638T2 support as a set on tractors with transmission Serial Number H1C-001 through H1D-036 if either part needs replacement.

1шт.

2

33-1815T1

ADAPTER

- inner, oil pump

1шт.

3

SM8120830

BOLT

BOLT - hex, 8 mm - 1.25 x 30 mm

4шт.

5

33-1766T1

SHAFT

- idler, reverse

1шт.

6

33-1807T1

DOWEL

PIN - dowel, locating

2шт.

7

33-1767T1

BOLT

BOLT - socket head, special

7шт.

8

33-1694T1

TAPERED BEARING

BEARING - tapered roller

2шт.

9

33-1691T1

PINION

GEAR - idler, reverse

1шт.

10

S9950S00F

SHIM,0.1mm Thk

(0.10 mm) .004" Thk

1шт.

10

S9960S00F

SHIM,0.31mm Thk

(0.30 mm) .012" Thk

1шт.

10

S9970S00F

SHIM,0.51mm Thk

(0.51 mm) .020" Thk

1шт.

10

S9980S00F

SHIM,0.71mm Thk

(0.7 mm) .028" Thk

1шт.

14

33-1693T1

WASHER

PLATE - retainer

1шт.

15

SM8134635

BOLT

BOLT - hex, 16 mm - 1.50 x 35 mm, class 10.9

1шт.

16

33-1808T1

DEFLECTOR

BAFFLE - rear, reverse idler shaft

1шт.

17

SM8110612

BOLT

BOLT - hex, 6 mm - 1.00 x 12 mm

1шт.

18

33-1638T2

HOLDER

SUPPORT - clutch

1шт.

Replace 33-1600T2 housing and 33-1638T2 support as a set on tractors with transmission Serial Number H1C-001 through H1D-036 if either part needs replacement.

1шт.

19

SM8174045

BOLT

- hex, special, 10 - 1.25 x 40 mm, class 10.9

11шт.

19a

SM8915340

WASHER

- flat, special

11шт.

20

33-1648T1

TUBE

- lubrication, clutch

1шт.

21

REF

INSTRUCTION

CLUTCH ASSEMBLY - transmission, parts list Figure 6-56

1шт.

25

33-1751T1

HANDLED SHAFT

LEVER - shift, 1st and reverse, inner

1шт.

26

33-1747T1

BEARING CARRIER

HOLDER - lever, shift

1шт.

27

33-1726T1

BEARING, NEEDLE

BEARING - needle

4шт.

28

33-1727T1

OIL SEAL

SEAL - holder

2шт.

Included in Gasket Kit 33-1822T91

1шт.

29

SM8124025

BOLT

BOLT - hex, 10 mm - 1.25 x 25 mm

4шт.

30

33-1724T1

CONTROL LEVER

LEVER - shift, 1st and reverse, outer

1шт.

31

SM831050

PIN

- spring

2шт.

32

SM8124245

BOLT

BOLT - hex, 12 mm - 1.25 x 25 mm

2шт.

33

33-1753T1

HANDLED SHAFT

LEVER - shift, A-B shaft, inner

1шт.

34

33-1749T1

BEARING CARRIER

HOLDER - lever, A-B shaft

1шт.

35

33-1725T1

CONTROL LEVER

LEVER - shift, A-B shaft, outer

1шт.

36

SM831060

PIN, SPLIT (COTTER)

PIN - spring

1шт.

40

33-1611T2

HOUSING

PAN - oil

1шт.

Replace 33-1611T2 pan and 33-1643T2 housing (see previous Figure) as a set on tractors with transmission Serial Number H1C-001 through H1D-040 if either part needs replacement.

1шт.

41

SM8124020

BOLT

BOLT - hex, 10 mm - 1.25 x 20 mm

2шт.

42

895-11010

WASHER,11mm ID x 20mm OD x 2mm Thk

- flat, 11 x 21 x 2 mm

2шт.

43

33-1610T1

HOLDER

BRACKET - mounting, oil pan, right-hand

1шт.

44

825-11410

NUT,M10 x 1.25, Cl 8

2шт.

45

SM8124225

BOLT

BOLT - hex, 12 mm - 1.25 x 25 mm

2шт.

46

33-1809T1

BRACKET

- mounting, oil pan, left-hand

1шт.

33-1822T91

GASKET KIT

KIT - gasket, complete transmission, includes all Refs. as indicated on Figures 6-34 - 6-58

1шт.

Выбрано товаров: 46