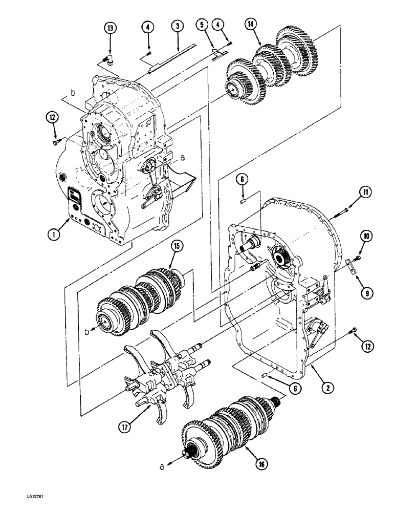
Запчасти Case IH 9280 (6-042) - SYNCHROMESH TRANSMISSION ASSEMBLY OIL GUTTER, SHAFT ASSEMBLY & SHIFTER ASSEMBLY (06) - POWER TRAIN

Схема запчастей Case IH 9280 - (6-042) - SYNCHROMESH TRANSMISSION ASSEMBLY OIL GUTTER, SHAFT ASSEMBLY & SHIFTER ASSEMBLY (06) - POWER TRAIN
12
11
13
10
6
16
1
2
6
12
4
14
15
9
3
17
4
5
FIT
1:1
100%

Артикул

Название

Примечание

Количество

90-7373T91

TRANSMISSION

ASSEMBLY - SynchroMesh, includes parts listed on Figures 6-34 - 6-58

1шт.

1

REF

INSTRUCTION

HOUSING - rear, transmission, see Figure 6-40

1шт.

2

REF

INSTRUCTION

HOUSING - front, transmission, see Figure 6-38

1шт.

3

33-1811T1

CONDUIT

LIP - oil

1шт.

4

SM8110612

BOLT

BOLT - hex, 6 mm - 1.00 x 12 mm

2шт.

5

33-1812T1

CONDUIT

LIP - oil, reverse gear

1шт.

6

33-1467T1

DOWEL

PIN - dowel

2шт.

9

33-1746T1

LARGE PLATE

PLATE - lock

1шт.

10

SM8124020

BOLT

BOLT - hex, 10 mm - 1.25 x 20 mm

2шт.

11

SM8124090

BOLT

BOLT - hex, 10 mm - 1.25 x 90 mm

12шт.

12

SM8121240

BOLT

BOLT - hex, 12 - 1.75 x 40 mm

21шт.

13

33-1821T1

VENTILATION PIPE

ELBOW - breather tube

1шт.

14

REF

INSTRUCTION

SHAFT ASSEMBLY - center, parts list Figure 6-50

1шт.

15

REF

INSTRUCTION

SHAFT ASSEMBLY - speed, parts list Figure 6-54

1шт.

16

REF

INSTRUCTION

SHAFT ASSEMBLY - output, parts list Figure 6-52

1шт.

17

REF

INSTRUCTION

SHIFTER ASSEMBLY - transmission, parts list Figure 6-48

1шт.

Выбрано товаров: 16