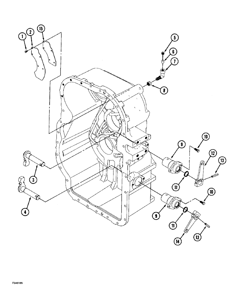
Запчасти Case IH 9280 (6-059I) - SYNCHROSHIFT TRANSMISSION ASSEMBLY FRONT HOUSING, SHIFT LEVERS & BREATHER (06) - POWER TRAIN

Схема запчастей Case IH 9280 - (6-059I) - SYNCHROSHIFT TRANSMISSION ASSEMBLY FRONT HOUSING, SHIFT LEVERS & BREATHER (06) - POWER TRAIN
2
12
9
5
9
13
10
4
15
10
13
8
11
7
3
14
1
11
6
FIT
1:1
100%

Артикул

Название

Примечание

Количество

90-7775T91

TRANSMISSION

ASSEMBLY - mechanical shift, inlcudes parts listed on Figures 6-59C - 6-61E, Includes: Ref. 1 - 15

1шт.

1

614-6012

BOLT,Hex, M6 x 1 x 12mm, Cl 8.8, Full Thd

2шт.

2

90-7982T1

BAFFLE ASSY.

BAFFLE - breather

1шт.

3

90-7983T1

LEVER

- shift, second and third speed, inner

1шт.

4

90-7984T1

LEVER

- shift, C and D range, inner

1шт.

5

33-1761T1

PLUG

- taper

1шт.

6

33-1454T1

BREATHER

FILTER - breather

1шт.

7

33-1455T1

VENTILATION PIPE

ELBOW - 90 degree, breather filter

1шт.

8

SM8911246

NUT

- hex, 16 mm - 1.5

1шт.

9

90-7985T1

HOLDER

- lever

2шт.

10

514-712

BOLT,Hex, M10 x 1.25 x 25mm, Cl 8.8, Full Thd

4шт.

11

33-1727T1

OIL SEAL

SEAL - holder

2шт.

Included in Gasket Kit 90-7927T91

1шт.

12

90-7975T1

LEVER

- shift, speed, outer

1шт.

13

SM831050

PIN

- spring

2шт.

14

90-7977T1

LEVER

- shift, range, outer

1шт.

15

90-8006T1

GASKET

- breather baffle

1шт.

Included in Gasket Kit 90-7927T91

1шт.

90-7927T91

GASKET KIT

KIT - gasket, transmission, includes all Refs. as indicated on Figures 6-59C - 6-61E

1шт.

Выбрано товаров: 19