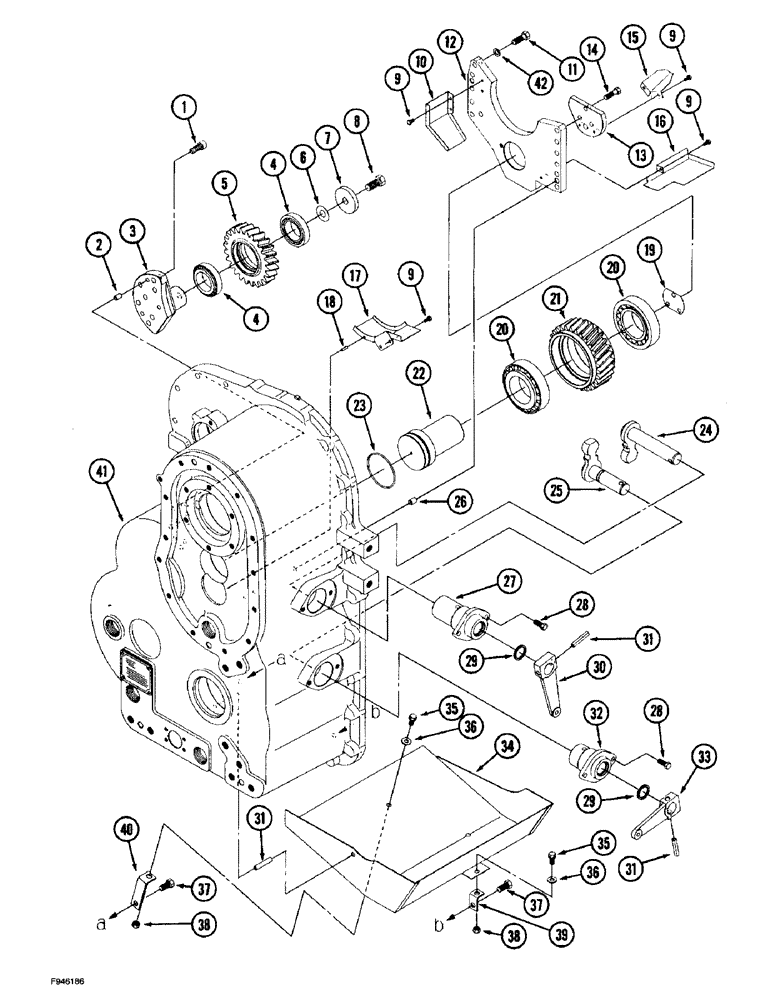
Запчасти Case IH 9280 (6-059K) - SYNCHROSHIFT TRANSMISSION ASSEMBLY REAR HOUSING, SHIFT LEVERS & BAFFLES (06) - POWER TRAIN

Схема запчастей Case IH 9280 - (6-059K) - SYNCHROSHIFT TRANSMISSION ASSEMBLY REAR HOUSING, SHIFT LEVERS & BAFFLES (06) - POWER TRAIN
4
30
23
41
2
3
24
16
38
35
34
1
9
35
31
5
9
14
19
26
32
29
10
36
12
20
15
7
33
31
27
18
28
13
36
40
28
22
31
39
38
9
25
4
20
11
37
8
6
42
9
37
29
17
21
FIT
1:1
100%

Артикул

Название

Примечание

Количество

90-7775T91

TRANSMISSION

ASSEMBLY - mechanical shift, includes parts listed on Figures 6-59C - 6-61E, Includes: Ref. 1 - 42

1шт.

1

33-1767T1

BOLT

BOLT - socket head, special

7шт.

2

33-1807T1

DOWEL

PIN - dowel

2шт.

3

33-1766T1

SHAFT

- idler, reverse

1шт.

4

90-7953T1

BEARING, ROLLER

BEARING - tapered roller

2шт.

5

90-7954T1

PINION

GEAR - idler, reverse

1шт.

6

S9950S00F

SHIM,0.1mm Thk

(0.10 mm) .004" Thk

1шт.

6

S9960S00F

SHIM,0.31mm Thk

(0.30 mm) .012" Thk

1шт.

6

S9970S00F

SHIM,0.51mm Thk

(0.51 mm) .020" Thk

1шт.

6

S9980S00F

SHIM,0.71mm Thk

(0.7 mm) .028" Thk

1шт.

7

33-1693T1

WASHER

PLATE - retainer

1шт.

8

514-1021

BOLT,Hex, M16 x 1.5 x 35mm, Cl 10.9

1шт.

9

614-6012

BOLT,Hex, M6 x 1 x 12mm, Cl 8.8, Full Thd

7шт.

10

90-7955T1

CHANNEL

GUTTER - input

1шт.

11

514-832

BOLT,Hex, M12 x 1.25 x 35mm, Cl 8.8, Full Thd

12шт.

12

90-7957T1

LARGE PLATE

PLATE - support

1шт.

13

90-7958T1

WASHER

COVER - idler shaft

1шт.

14

514-730

BOLT,Hex, M10 x 1.25 x 35mm, Cl 8.8, Full Thd

3шт.

15

90-7959T1

CHANNEL

GUTTER - bearing

1шт.

16

90-7960T1

CHANNEL

GUTTER - gear, second speed

1шт.

17

90-7961T1

CHANNEL

GUTTER - gear, first speed

1шт.

18

90-7962T1

DOWEL

PIN - roll

1шт.

19

90-7963T1

SHIM

0.10 mm thick

1шт.

19

90-7964T1

SHIM

0.15 mm thick

1шт.

19

90-7965T1

SHIM

0.30 mm thick

1шт.

19

90-7966T1

SHIM

0.70 mm thick

1шт.

20

90-7920T1

BEARING, ROLLER

BEARING - tapered roller

2шт.

21

90-7968T1

PINION

GEAR - idler

1шт.

22

90-7969T1

PINION

SHAFT - idler

1шт.

23

90-7970T1

O-RING

shaft

1шт.

Included in Gasket Kit 90-7927T91

1шт.

24

90-7971T1

LEVER

- shift, first-reverse speed, inner

1шт.

25

90-7972T1

LEVER

- shift, A-B range, inner

1шт.

26

90-7973T1

DOWEL

PIN - dowel

2шт.

27

90-7974T1

DOWEL

HOLDER - lever, first-reverse speed

1шт.

28

514-712

BOLT,Hex, M10 x 1.25 x 25mm, Cl 8.8, Full Thd

4шт.

29

33-1727T1

OIL SEAL

SEAL - holder

2шт.

Included in Gasket Kit 90-7927T91

1шт.

30

90-7975T1

LEVER

- shift, speed, outer

1шт.

31

SM831050

PIN

- spring

3шт.

32

90-7976T1

HOLDER

- lever, A-B range

1шт.

33

90-7977T1

LEVER

- shift, range, outer

1шт.

34

90-7978T1

BAFFLE ASSY.

PAN - oil

1шт.

35

514-703

BOLT,Hex, M10 x 1.25 x 20mm, Cl 8.8, Full Thd

2шт.

36

895-11010

WASHER,11mm ID x 20mm OD x 2mm Thk

- flat, 11 x 21 x 2 mm

2шт.

37

514-842

BOLT,Hex, M12 x 1.25 x 25mm, Cl 8.8, Full Thd

2шт.

38

825-11410

NUT,M10 x 1.25, Cl 8

2шт.

39

90-7979T1

STRAP

BRACKET, oil pan, left-hand

1шт.

40

90-7980T1

STRAP

BRACKET, oil pan, right-hand

1шт.

41

90-7989T1

HOUSING

- rear, transmission

1шт.

42

90-7948T1

WAVE WASHER

- wave

12шт.

90-7927T91

GASKET KIT

KIT - gasket, transmission, includes all Ref. as indicated on Figures 6-59C - 6-61E

1шт.

Выбрано товаров: 52