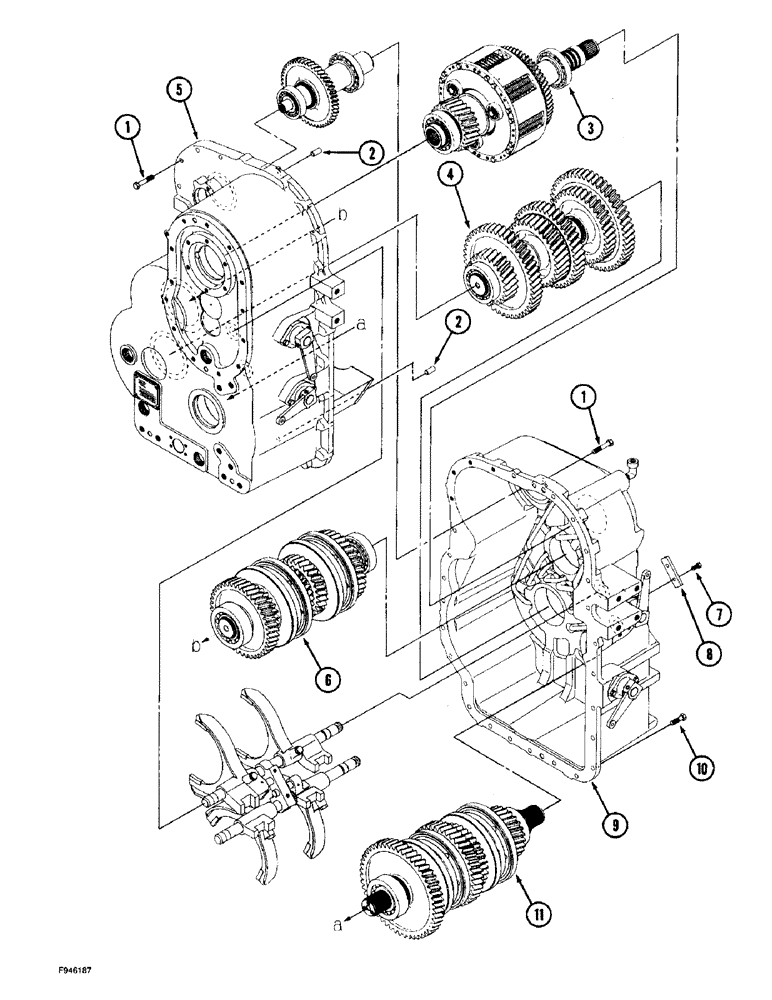
Запчасти Case IH 9280 (6-059O) - SYNCHROSHIFT TRANSMISSION ASSEMBLY OIL GUTTER, SHAFT ASSEMBLY & SHIFTER ASSEMBLY (06) - POWER TRAIN

Схема запчастей Case IH 9280 - (6-059O) - SYNCHROSHIFT TRANSMISSION ASSEMBLY OIL GUTTER, SHAFT ASSEMBLY & SHIFTER ASSEMBLY (06) - POWER TRAIN
5
2
6
9
2
10
1
1
8
11
3
4
7
FIT
1:1
100%

Артикул

Название

Примечание

Количество

90-7775T91

TRANSMISSION

ASSEMBLY - mechanical shift, includes parts listed on Figures 6-59C - 6-61E, Includes: Ref. 1 - 11

1шт.

1

514-843

BOLT,Hex, M12 x 1.25 x 60mm, Cl 8.8, Full Thd

13шт.

2

33-1467T1

DOWEL

PIN - dowel

2шт.

3

90-7943T91

SHAFT

ASSEMBLY - input, 12 speed, parts list Figure 6-60

1шт.

4

90-7986T91

SHAFT ASSY.

SHAFT ASSEMBLY - fourth, parts list Figure 6-59Y

1шт.

5

90-7989T1

HOUSING

- rear, transmission

1шт.

6

90-7988T91

SHAFT ASSY.

SHAFT ASSEMBLY - third, parts list Figure 6-59U

1шт.

7

514-703

BOLT,Hex, M10 x 1.25 x 20mm, Cl 8.8, Full Thd

2шт.

8

33-1746T1

LARGE PLATE

PLATE - lock

1шт.

9

90-7987T1

HOUSING

- front, transmission

1шт.

90-7987T1 is a rear housing per ECN F9497-10 p/n 90-7989T1 is a front housing. NAPO TECH NOTE

1шт.

10

514-830

BOLT,Hex, M12 x 1.25 x 40mm, Cl 8.8, Full Thd

Hex, M12 x 1.25 x 40, 8.8, Full Thd

16шт.

11

90-7990T91

SHAFT ASSY.

SHAFT ASSEMBLY - fifth, parts list Figure 6-59W

1шт.

Выбрано товаров: 0