Запчасти Case IH 9280 (9-089A) - CAB AIR CCONDITIONER & HEATER MODULE EXTERNAL COMPONENTS P.I.N. JEE0031850 & AFTER (09) - CHASSIS/ATTACHMENTS

Схема запчастей Case IH 9280 - (9-089A) - CAB AIR CCONDITIONER & HEATER MODULE EXTERNAL COMPONENTS P.I.N. JEE0031850 & AFTER (09) - CHASSIS/ATTACHMENTS
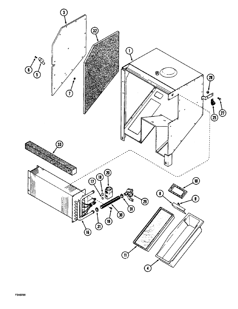
31
10
18
4
27
3
19
29
8
28
6
31
33
20
25
11
5
32
30
9
1
7
17
16
FIT
1:1
100%

Артикул

Название

Примечание

Количество

60-6973T91

AIR CONDITIONER

MODULE ASSEMBLY - air conditioning and heating, Includes: Ref. 1 - 33

1шт.

1

60-6692T3

HOUSING

- module

1шт.

3

60-6685T1

COVER

- module

1шт.

4

60-6674T1

HOUSING

HOUSING - filter

1шт.

5

60-6318T91

LOCK

LATCH, filter box retaining

1шт.

6

19-5422

SCREW,Truss Hd, #8 - 32 x 3/4"

- machine, truss head, No. 8 NC x 3/4 inch

2шт.

7

193-1002

NUT,Keps, #8 - 32, w/ Ext Tooth LW

- hex, with external tooth lock washer, No. 8 NC

2шт.

8

60-6675T1

ANGLE BAR

BRACKET - filter box

1шт.

9

260-1338

SELF-TAP SCREW,Cross Pan Hd, #6 x 1/2"

SCREW - self-tapping, pan Phillips, No. 6-20 x 1/2 inch

2шт.

10

60-6703T1

COVER

GASKET - filter box

1шт.

11

60-4452T2

FILTER

- air

1шт.

16

60-6677T1

EVAPORATOR

CORE - heater and evaporator

1шт.

17

128484A1

O-RING,0.07" Thk x 0.426" ID, -13, Cl 5, 70 Duro

10.82 ID x 1.78 mm wide

1шт.

18

128485A1

O-RING,1.78mm Thk x 14mm ID, 70 Duro

14 ID x 1.78 mm wide

1шт.

19

60-6407T1

SCREW

- hex flanged, self-tapping, No. 10-16 x 1/2 inch

6шт.

20

1990756C1

VALVE

- expansion

1шт.

25

T50104

CLAMP

- P-type

1шт.

27

426-612

BOLT,Hex, 3/8" - 16 x 3/4", Gr 8

- hex, 3/8 NC x 3/4 inch, grade 8

1шт.

28

425-106

NUT,3/8"-16, Cl 5

1шт.

29

1331087C1

HEATER VALVE

VALVE - control

1шт.

30

REF

INSTRUCTION

HOSE - heater, 5/8 IDx 5 inch long, cut from 97252CX bulk hose, see below

1шт.

31

214-1408

HOSE CLAMP,11.2mm - 19.8mm

CLAMP, HOSE, , Adj. #08, 0.50/0.91 Type F Worm

2шт.

32

60-6698T1

FOAM

PAD - foam, module cover

1шт.

33

60-6817T1

FOAM

PAD - core sealing, 1-3/4 x 1-3/4 x 18-3/4 inch long

1шт.

97252CX

HOSE

- bulk, 5/8 (16) x 1 (25) x 600 inch (15240 mm) long

1шт.

Выбрано товаров: 25