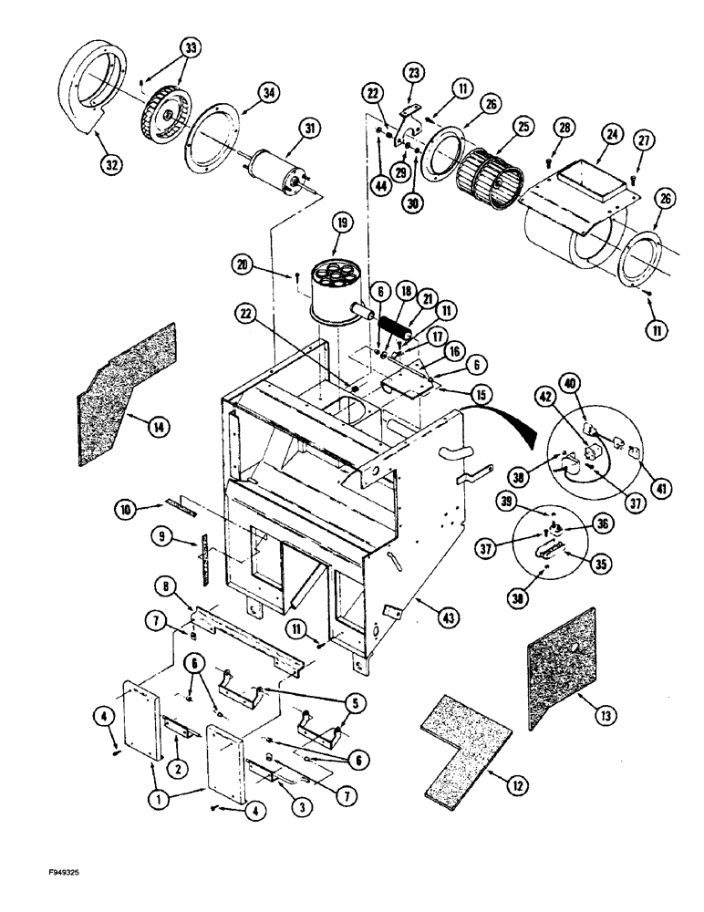
Запчасти Case IH 9280 (9-090) - CAB AIR CCONDITIONER & HEATER MODULE INTERNAL COMPONENTS PRIOR TO P.I.N. JCB0028400 (09) - CHASSIS/ATTACHMENTS

Схема запчастей Case IH 9280 - (9-090) - CAB AIR CCONDITIONER & HEATER MODULE INTERNAL COMPONENTS PRIOR TO P.I.N. JCB0028400 (09) - CHASSIS/ATTACHMENTS
22
37
11
39
13
30
1
34
41
44
38
14
19
27
17
9
43
38
4
16
22
26
26
7
20
40
21
42
2
23
12
6
6
37
6
18
10
7
35
11
11
33
6
15
36
3
29
31
25
5
11
28
24
4
32
8
FIT
1:1
100%

Артикул

Название

Примечание

Количество

60-4780T95

AIR CONDITIONER

MODULE ASSEMBLY - air conditioner and heater, Includes: Ref. 1 - 44

1шт.

60-4780T95 MODULE ASSEMBLY-AIR CONDITIONING AND HEATER. ORDER PT. NO. 60-7244T91 INSTRUCTION PACKAGE. INSTRUCTION PACKAGE CONTAINS PART NUMBERS, AND QUANTITIES, REQUIRED TO SERVICE MODULE ASSEMBLY.

1шт.

1

60-4765T1

FLAP

DOOR - air recirculation

2шт.

2

60-4761T1

THREADED ROD

ROD - door retaining

1шт.

3

60-4760T1

THREADED ROD

ROD - door actuating

1шт.

4

280-13512

SELF-TAP SCREW,Hex Wash Hd, #10 x 3/4"

SCREW - self-tapping, hex washer head, No. 10-16 x 3/4 inch

8шт.

5

60-4762T1

SUPPORT

BRACKET - door pivot

2шт.

6

19-6129

NYLON BEARING

BUSHING - split flange, 11/32 OD x 7/16 OD

6шт.

7

19-6157

STEEL SHEET NUT

NUT - U-type, No. 10

8шт.

8

60-4769T1

SUPPORT

ANGLE - door mounting

1шт.

9

60-4773T1

SEAL

7-3/16 inch (183 mm) long, cut from 2-7261T1 bulk seal, recirculation door, see below

4шт.

10

60-4774T1

SEAL

4-5/32 inch (106 mm) long, cut from 2-7261T1 bulk seal, recirculation door, see below

2шт.

11

60-6407T1

SCREW

- hex flanged, self-tapping, No. 10-16 x 1/2 inch

16шт.

12

60-4726T1

FOAM

PAD - insulating

1шт.

13

60-4728T1

FOAM

PAD - insulating

1шт.

14

60-4730T1

FOAM

PAD - insulating

1шт.

15

60-4626T1

PANEL

DOOR - cab pressurization

1шт.

16

60-4627T1

SHAFT

- door pivot

1шт.

17

31-1870

CLAMP

CLIP - retaining, pivot shaft

2шт.

18

19-6046

WASHER

- flat, 5/16 x 5/8 x 1/8 inch

2шт.

19

60-3902T1

PRECLEANER

- fresh air

1шт.

20

9426646

SELF-TAP SCREW,Hex Wash Hd, #6 x 1/4"

SCREW - hex flange, self-tapping, No. 6 NS x 1/4 inch

3шт.

21

31-1635

HOSE,1.00" ID x 4.00"

Precleaner, Order 31-1502T1, and Cut to Required Length 1.00" ID x 4.00"

1шт.

22

31-2451

GROMMET

motor mounting

5шт.

23

60-4622T1

SUPPORT

BRACKET - motor mount

2шт.

24

60-4721T1

HOUSING

- blower fan, wide

1шт.

25

60-6331T1

GUARD

FAN - blower, wide

1шт.

26

60-3888T1

FLANGE

RING - fan retaining, inlet, wide wheel

2шт.

27

413-48

BOLT,Hex, 1/4" - 20 x 1/2", Gr 5

- hex, 1/4 NC x 1/2 inch

7шт.

28

413-410

BOLT,Hex, 1/4" - 20 x 5/8", Gr 5

- hex, 1/4 NC x 5/8 inch

2шт.

29

195-513

WASHER,#10

- flat, 7/32 x 1/2 x 3/64 inch

4шт.

30

9411893

LOCK NUT,#10-32, GB

NUT - hex, self-locking, No. 10 NF

4шт.

31

60-5613T2

MOTOR, ELECTRIC

MOTOR - blower

1шт.

32

60-3847T1

HOUSING

- blower fan, narrow

1шт.

33

60-4117T1

BLOWER,Fan

FAN - blower, narrow

1шт.

34

60-2640T1

FLANGE ASSY

RING - fan retaining

1шт.

35

20-1171T1

SUPPORT

BRACKET - mounting, circuit breaker

1шт.

36

245765C1

CIRCUIT-BREAKER,30A

BREAKER - circuit, 30 ampere

1шт.

37

340-1108

SCREW,Cross Pan Hd, #10-24 x 1/2"

- machine, pan Phillips, No. 10 NC x 1/2 inch

3шт.

38

19-5571

SERRATED NUT

- hex, with external tooth lock washer, No. 10 NC

3шт.

39

19-481

SERRATED NUT

- hex, with external tooth lock washer, No.10 NF

2шт.

40

60-6332T2

HARNESS

- motor

1шт.

41

22-738

DIODE

- electrical, motor

1шт.

42

1983394C1

RELAY

- electrical, replaces 1-7877

1шт.

43

REF

INSTRUCTION

HOUSING - parts list Figure 9-86

1шт.

44

495-31022

WASHER,#10

4шт.

2-7261T1

SEAL

- bulk, adhesive-backed, 120 inch (3048 mm) long

1шт.

31-1502

HOSE,1.00", Bulk, SAE 20R3 CLASS D2

1.00", Bulk, SAE 20R3, CLASS D2

1шт.

Выбрано товаров: 48