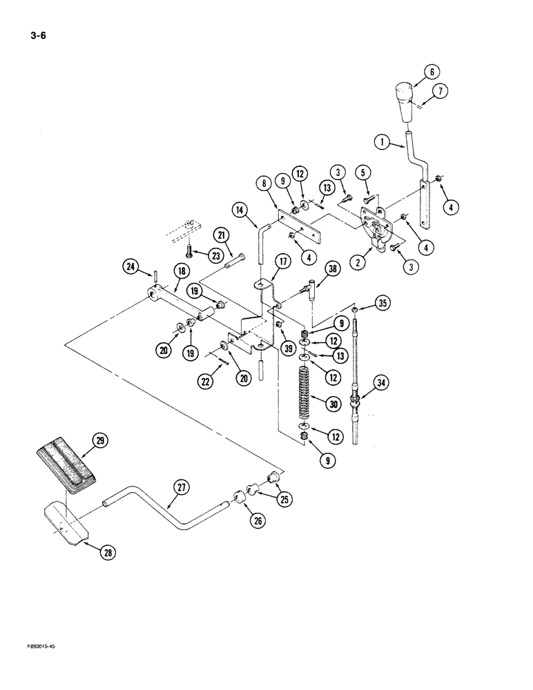
Запчасти Case IH 9280 (3-06) - THROTTLE AND DECELERATOR CONTROLS, CAB (03) - FUEL SYSTEM

Схема запчастей Case IH 9280 - (3-06) - THROTTLE AND DECELERATOR CONTROLS, CAB (03) - FUEL SYSTEM
12
25
20
17
3
35
22
38
1
12
9
18
28
26
12
5
6
14
30
21
20
27
12
23
8
7
13
4
3
39
9
24
4
4
13
2
34
19
9
19
29
FIT
1:1
100%

Артикул

Название

Примечание

Количество

1

60-4686T2

CONTROL LEVER

LEVER - throttle control

1шт.

2

60-3783T1

ACTUATOR

QUADRASTAT - throttle control

1шт.

3

413-410

BOLT,Hex, 1/4" - 20 x 5/8", Gr 5

- hex, 1/4 NC x 5/8 inch

4шт.

4

111626C1

NUT

- hex lock, 1/4 inch NC

6шт.

5

113-9

BOLT,Hex, 1/4" - 20 x 7/8", Gr 5

- hex, 1/4 NC x 7/8 inch

2шт.

6

60-2050T3

BALL KNOB

KNOB - control lever

1шт.

7

19-5798

SET SCREW

SCREW - set, No. 8 NC x 5/8 inch

1шт.

8

60-3696T1

LINING

LEVER - actuating, throttle cable

1шт.

9

19-6113

NYLON BEARING,0.484" ID x 0.578" OD x 0.14"

BEARING - flanged

3шт.

12

19-107

WASHER

- flat, 3/8 x 1 x 5/64 inch

4шт.

13

19-168

COTTER PIN,1/8" x 1"

PIN - cotter, 1/8 x 1 inch

2шт.

14

60-6278T1

ROD

- actuating

1шт.

17

60-6277T1

SUPPORT

BRACKET - guide, rod

1шт.

18

60-6276T1

LEVER

- actuating, decelerator

1шт.

19

60-1948T1

BUSHING,0.3135" ID x 0.5" OD x 0.312"

BEARING - pivot

2шт.

20

19-5995

SPRING WASHER

- spring, 5/16 inch

2шт.

21

19-5664

CLEVIS PIN,5/16" x 2"

PIN - clevis, 5/16 x 1-7/8 inch

1шт.

22

132-320

COTTER PIN,3/32" x 3/4"

PIN, SPLIT (COTTER), 3/32" x 3/4"

1шт.

23

19-44

BOLT,Hex, 1/2" - 13 x 1 1/4", Gr 5

- hex, 1/2 NC x 1-1/4 inch

1шт.

24

138-2067

PIN,3/16" x 1", Coiled

1шт.

25

24-206

BEARING CONE,0.5" ID x 0.75" OD x 0.3"

BEARING - flanged

2шт.

26

19-490

COLLAR

- set, 1/2 inch

1шт.

27

60-4926T1

STEM

ROD - pedal, decelerator actuating

1шт.

28

60-3688T1

PEDAL

- decelerator

1шт.

29

24-13

PROTECTION STRIP

PAD - pedal, decelerator

1шт.

30

60-3702T1

SPRING

- compression

1шт.

34

60-6425T1

CABLE,3048mm L

- throttle, Includes: Ref. 35

1шт.

35

225-14210

NUT,#10-32

1шт.

38

A75447

BALL JOINT

JOINT - ball, throttle

1шт.

39

9411893

LOCK NUT,#10-32, GB

NUT - hex lock, No. 10 NF

1шт.

Выбрано товаров: 30