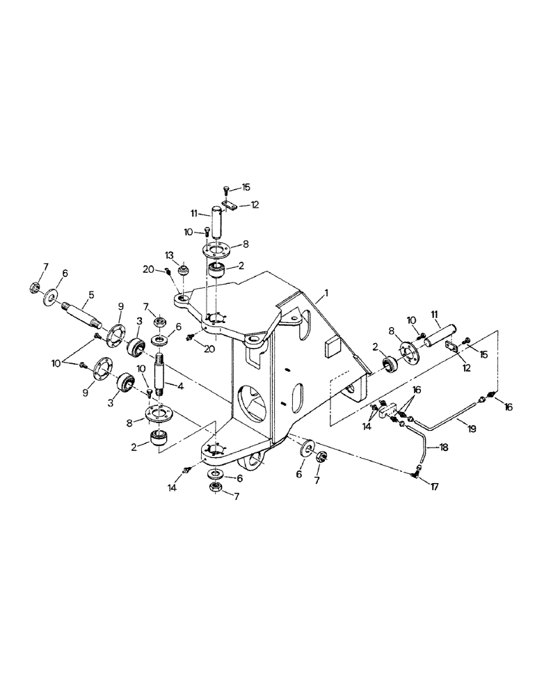
Запчасти Case IH CP-1400 (06-6) - CENTER YOKE (12) - FRAME

Схема запчастей Case IH CP-1400 - (06-6) - CENTER YOKE (12) - FRAME
4
12
6
7
17
2
16
14
8
18
15
8
8
9
12
7
6
9
16
15
7
10
2
7
14
10
10
20
6
3
2
1
11
13
6
19
11
3
20
5
10
FIT
1:1
100%

Артикул

Название

Примечание

Количество

1

70-1423T4

LINKAGE YOKE

CENTER YOKE, Replaces 70-1423T2 and 70-1423T3

1шт.

Superseded - old P/N is not used any longer; the new P/N is to be used in all cases. Old P/N should be removed from existing inventory. It is recommended that the old part not be used under any circumstances.

1шт.

2

15-7

BALL BEARING,2.25" ID x 3.5625" OD x 1.969"

UNIBALL

3шт.

If there is a gap between Ref 2 and 8, a washer 19-5709 can be installed

1шт.

3

70-1212T1

SPHERICAL BEARING,57.13mm ID x 100.01mm OD x 58.88mm W

UNIBALL

2шт.

4

70-1207T1

PIN,57.07mm OD x 277.88mm L

KING PIN

1шт.

5

70-1206T1

PIN,57.07mm OD x 296.67mm L

KING PIN

1шт.

6

19-5636

WASHER,39.62mm ID x 88.9mm OD x 9.53mm Thk

4шт.

7

19-5641

LOCK NUT,1 1/2"-6, GB

4шт.

8

70-1428T1

RETAINER

RETAINING RING

3шт.

If there is a gap between Ref 2 and 8, a washer 19-5709 can be installed

1шт.

9

70-1429T2

RETAINER

RETAINING RING, Replaces 70-1429T1

2шт.

Retaining Ring P/N 70-1429T1 should only be used on the 1325 and 1360 series models while P/N 70-1429T2 should be used on all 1400 series models.

1шт.

Superseded - old P/N can be used for all models, but order new P/N when stock is depleted.

1шт.

10

19-633

BOLT,Hex, 1/2" - 13 x 3/4", Gr 5

CAPSCREW

30шт.

11

70-1909T1

PIN,57.07mm OD x 207.26mm L

KING PIN

2шт.

12

70-1910T1

RETAINER

RETAINING BLOCK

2шт.

13

15-44

SPHERICAL BEARING

SELF-ALIGNING BUSHING

2шт.

14

80710

LUBE NIPPLE,1/8” – 27 Dryseal PTF

NIPPLE, LUBE, 1/8"-27 x .66 lg

3шт.

15

19-821

BOLT,Hex, 1/2" - 13 x 1 1/4", Gr 8, Full Thd

CAPSCREW

4шт.

16

31-598

CONNECTING ROD

CONNECTOR

3шт.

17

31-599

ELBOW

1шт.

18

70-2266T1

PIPE

TUBE

1шт.

19

70-2267T1

PIPE

TUBE

1шт.

20

31-93

FITTING

GREASE FITTING

4шт.

Выбрано товаров: 25