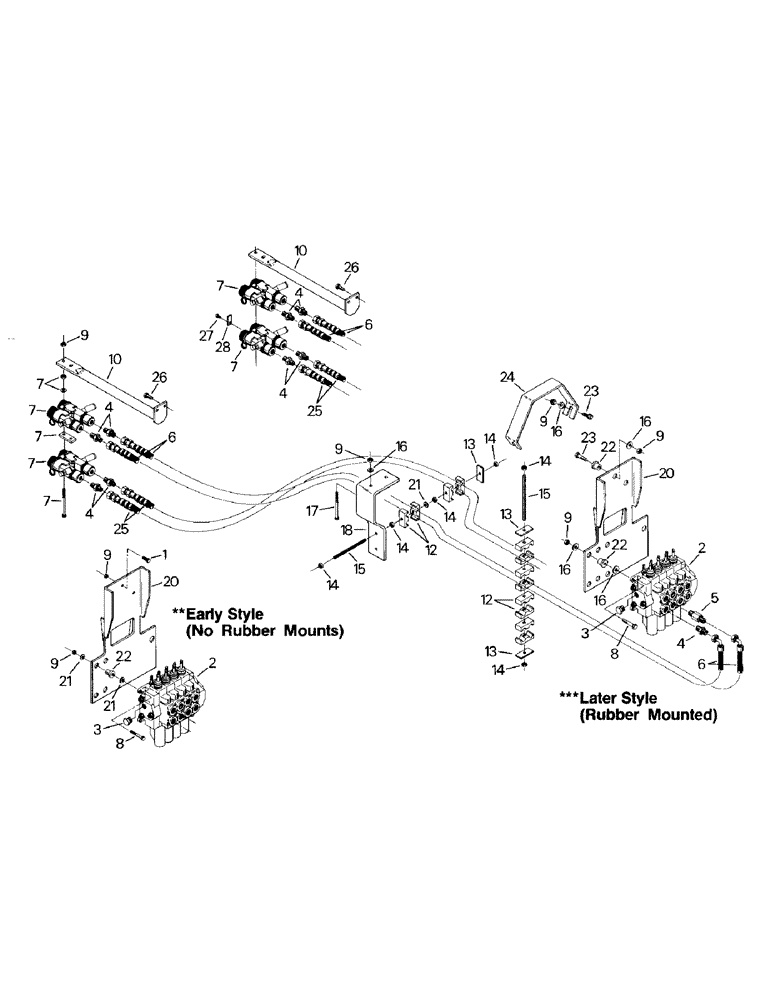
Запчасти Case IH CR-1280 (08-05) - CONTROL VALVE AND COUPLER MOUNTING (07) - HYDRAULICS

Схема запчастей Case IH CR-1280 - (08-05) - CONTROL VALVE AND COUPLER MOUNTING (07) - HYDRAULICS
3
9
9
22
21
7
5
7
4
14
7
14
22
7
16
21
9
14
15
13
6
7
4
16
4
22
12
23
10
9
6
20
7
7
26
17
14
16
3
13
8
6
9
2
2
15
16
28
4
27
9
4
12
20
16
8
18
10
24
1
25
26
23
14
25
21
13
14
9
FIT
1:1
100%

Артикул

Название

Примечание

Количество

1

19-18

BOLT,Hex, 3/8" - 16 x 1 1/4", Gr 5

Capscrew, early style

3шт.

2

Control Valve Assy., see Fig. 08-15

1шт.

3

218-5158

PLUG,Hex Hd, 1 1/16"-12 ORB

1шт.

4

18-570

HYD CONNECTOR,7/8"-14, 37 Degree x 7/8"-14, O-Ring

Fitting (10)

12шт.

The quantity shown is for 4 spool valve, quantities will vary depending on whether a 3 spool or 4 spool valve is used.

1шт.

5

9410230

HYD CONNECTOR,7/8"-14, 37 Degree x 7/8"-14, Pipe

Fitting (10)

4шт.

The quantity shown is for 4 spool valve, quantities will vary depending on whether a 3 spool or 4 spool valve is used.

1шт.

6

31-2256

HOSE,15.88mm ID x 3505.2mm L, SAE 100R2

8шт.

The quantity shown is for 4 spool valve, quantities will vary depending on whether a 3 spool or 4 spool valve is used.

1шт.

7

Coupler Assy (see Figure 8-14)

2шт.

The quantity shown is for 4 spool valve, quantities will vary depending on whether a 3 spool or 4 spool valve is used.

1шт.

8

19-21

BOLT,Hex, 3/8" - 16 x 2", Gr 5

Capscrew

3шт.

9

19-78

SPECIAL NUT,3/8"-16, G5

(qty 18 on eary models)

14шт.

10

50-2880T1

SUPPORT

Coupler Mount, Replaces 50-2569T1

2шт.

For cosmetic reasons when replacing the eary styel coupler mounts with the later style, they should be replaced in pairs. They do not look alike.

1шт.

Old part can be used on all tractors. New part should be used when stock is depleted.

1шт.

11

50-2037T1

STRAP

Cable Tie (not shown)

3шт.

12

50-2534T1

CLAMP

Half Clamp

24шт.

The quantity shown is for 4 spool valve, quantities will vary depending on whether a 3 spool or 4 spool valve is used.

1шт.

13

50-2533T1

PLATE

Cover Plate

6шт.

14

19-77

NUT,5/16"-18, G5

18шт.

The quantity shown is for 4 spool valve, quantities will vary depending on whether a 3 spool or 4 spool valve is used.

1шт.

15

19-6182

STUD

(6" long)

4шт.

The quantity shown is for 4 spool valve, quantities will vary depending on whether a 3 spool or 4 spool valve is used.

1шт.

19-6207

STUD

(7-1/4" long)

1шт.

The quantity shown is for 4 spool valve, quantities will vary depending on whether a 3 spool or 4 spool valve is used.

1шт.

16

19-107

WASHER

qty. 4 with early style no rubber mounts

13шт.

17

19-279

BOLT,Hex, 3/8" - 16 x 3", Gr 5

Capscrew

2шт.

18

50-2570T1

HANGER

Hose Hanger

1шт.

19

19-135

CABLE TIE

Ty Rap (not shown)

16шт.

The quantity shown is for 4 spool valve, quantities will vary depending on whether a 3 spool or 4 spool valve is used.

1шт.

20

60-4358T1

Bracket, early style no rubber mounts

1шт.

Old part must be used prior to serial no. break. New part will work after serial no. break only.

1шт.

20

60-4358T2

SUPPORT

Bracket, later style rubber mounted

1шт.

Old part must be used prior to serial no. break. New part will work after serial no. break only.

1шт.

21

19-224

WASHER,3/8", SAE

qty. 10 with early style no rubber mounts

4шт.

The quantity shown is for 4 spool valve, quantities will vary depending on whether a 3 spool or 4 spool valve is used.

1шт.

22

1-3528

MOUNTING PARTS

Rubber Mount, qty. 3 with early style no rubber mounts

6шт.

23

19-19

BOLT,Hex, 3/8" - 16 x 1 1/2", Gr 5

Capscrew, qty. 2 with early style no rubber mounts

1шт.

24

50-2711T1

GUARD

Hose Guard

1шт.

25

50-2697T1

CONDUIT

Flex Guard

8шт.

The quantity shown is for 4 spool valve, quantities will vary depending on whether a 3 spool or 4 spool valve is used.

1шт.

26

19-284

BOLT,Hex, 3/8" - 16 x 7/8", Gr 5

Capscrew

4шт.

27

19-434

BOLT,Hex, 1/4" - 20 x 0.375", Gr 5

Capscrew

4шт.

The quantity shown is for 4 spool valve, quantities will vary depending on whether a 3 spool or 4 spool valve is used.

1шт.

28

50-2778T1

PLATE

Tab (#1)

1шт.

50-2779T1

PLATE

Tab (#2)

1шт.

50-2780T1

PLATE

Tab (#3)

1шт.

50-2781T1

PARTITION

Tab (#4)

1шт.

Выбрано товаров: 49