Запчасти Case IH CR-1280 (10-14) - PTO DRIVESHAFTS AND MOUNTING Options & Miscellaneous

Схема запчастей Case IH CR-1280 - (10-14) - PTO DRIVESHAFTS AND MOUNTING Options & Miscellaneous
3
1
4
5
4
4
2
8
6
7
FIT
1:1
100%

Артикул

Название

Примечание

Количество

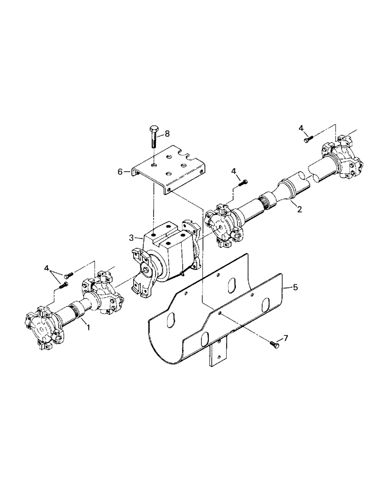
1

Driveshaft Assy (see Fig.10-15)

1шт.

2

Driveshaft Assy (see Fig. 10-15)

1шт.

3

Hanger Bearing Assy (see Fig. 10-15)

1шт.

4

19-536

BOLT,3/8" - 24 x 1 3/4", Gr 8

Capscrew

16шт.

5

90-5962T1

BRACKET

1шт.

6

90-6081T1

PLATE

1шт.

7

9418822

BOLT,Hex, 3/8" x 1", Gr 5

Capscrew

4шт.

8

9430880

BOLT,Hex, 5/8" - 11 x 3", Gr 8

Capscrew

4шт.

Выбрано товаров: 0