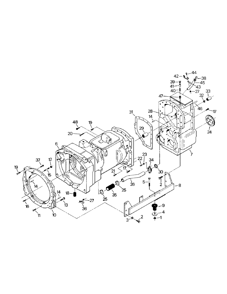
Запчасти Case IH CR-1280 (04-15) - TRANSMISSION MOUNTING AND ATTACHING PARTS (04) - Drive Train

Схема запчастей Case IH CR-1280 - (04-15) - TRANSMISSION MOUNTING AND ATTACHING PARTS (04) - Drive Train
21
34
28
30
14
45
26
19
9
14
7
20
47
22
19
46
41
2
35
12
2
10
27
5
33
17
24
1
38
25
31
48
40
29
17
42
4
18
11
3
23
14
36
6
15
44
25
8
43
37
16
32
39
27
13
FIT
1:1
100%

Артикул

Название

Примечание

Количество

1

19-85

LOCK NUT

Lock Nut

4шт.

2

19-252

BOLT,3/4" - 10 x 1 3/4", Gr 5

Capscrew

12шт.

3

19-5723

WASHER

6шт.

4

19-6150

WASHER,19.84mm ID x 95.25mm OD x 4.78mm Thk

4шт.

5

19-769

BOLT,Hex, 3/4" - 10 x 4", Gr 5

Capscrew

4шт.

6

90-4592T91

Trans Assy (see Fig. 4-18 - 4-28)

1шт.

7

Drop Box Assy (see Fig. 4-32 - 4-35)

1шт.

8

90-4607T1

MOUNTING PARTS

Trans Mount (Left)

1шт.

90-4608T1

MOUNTING PARTS

Trans Mount (Right)

1шт.

9

90-5704T1

ANCHOR

Rubber Mount

4шт.

10

90-5767T1

ADAPTER

Plate

1шт.

11

19-516

X,Hex, 7/16"-14 x 1 3/4", G8

Capscrew

9шт.

12

19-457

NUT,7/8"-9, G5

2шт.

13

19-5426

SCREW,Hex, 7/8" - 9 x 2 3/4", Gr 8

Capscrew

2шт.

14

19-5607

PIN

Dowel Pin

4шт.

15

19-6156

STUD

2шт.

16

19-941

BOLT,Hex, 1/2" - 13 x 1 3/4", Gr 8

Capscrew

4шт.

17

223438

BOLT,Hex, 5/8" - 11 x 2 1/2", Gr 8

Capscrew

12шт.

18

90-6414T1

PLUG

Foam Plug

1шт.

19

19-817

SCREW,Hex, 5/8"-11 x 2", G8

Capscrew

1шт.

20

186659

BOLT,Hex, 1/2" - 13 x 3 3/4", Gr 8

Capscrew

1шт.

21

19-792

BOLT,Hex, 1/2" - 13 x 2 1/2", Gr 8

Capscrew

1шт.

22

19-6

BOLT,5/16" - 18 x 3/4", Gr 5

Capscrew

2шт.

23

19-116

LOCK WASHER,5/16"

5/16"

2шт.

24

90-4580T1

SPROCKET ASSY.

Sprocket

1шт.

25

31-1283

MOUNTING CLIP

Clamp

2шт.

26

90-6038T1

TUBE,2 mm OD x 19.05, 5.61 mm L

1шт.

27

19-78

SPECIAL NUT,3/8"-16, G5

2шт.

28

C70923548

O-RING

1шт.

29

C70259019

COUPLING

1шт.

30

70931583

Sealing Ring

1шт.

31

C70265314

GASKET

1шт.

32

C70927775

Snap Ring

1шт.

33

C70259122

COUPLING

PTO Shaft Coupling

1шт.

34

C70258462

FLANGE

1шт.

35

C70269770

Hose

1шт.

36

31-1070

CLAMP,5/8", 3/8" Bolt, Double

1шт.

37

19-371

BOLT,Hex, 7/16" - 14 x 1 1/2", Gr 8

Capscrew

2шт.

38

90-6218T1

DIPSTICK

1шт.

39

1-1359

BREATHER

Vent

1шт.

40

31-1841

CONDUIT

Nipple

1шт.

41

31-605

HYD CONNECTOR,1/8"-27 NPTF, Female

Coupling

1шт.

42

90-6248T1

BRACKET

1шт.

43

32-161

COLLAR CLAMP

Clamp

1шт.

44

19-16

BOLT,Hex, 3/8" - 16 x 3/4", Gr 5

Capscrew

1шт.

45

C70258752

TUBE

Dipstick Tube

1шт.

46

C70276134

TUBE

1шт.

47

31-512

REDUCER,3/8"-18 Male NPTF x 1/8"-27 Female NPTF

1шт.

48

19-907

12 PT SCREW,Flg, 5/8" - 11 x 2", Gr 8

12-Pt Capscrew

2шт.

Выбрано товаров: 49