Запчасти Case IH KM-280 (02-12) - ALTERNATOR ASSEMBLY (06) - ELECTRICAL

Схема запчастей Case IH KM-280 - (02-12) - ALTERNATOR ASSEMBLY (06) - ELECTRICAL
35
8
40
22
12
24
21
35
15
14
17
9
26
34
3
27
6
34
29
7
37
43
5
44
1
13
39
33
2
31
28
28
30
34
18
10
33
11
36
41
16
42
23
20
25
32
19
38
4
FIT
1:1
100%

Артикул

Название

Примечание

Количество

20-1610T91

ALTERNATOR

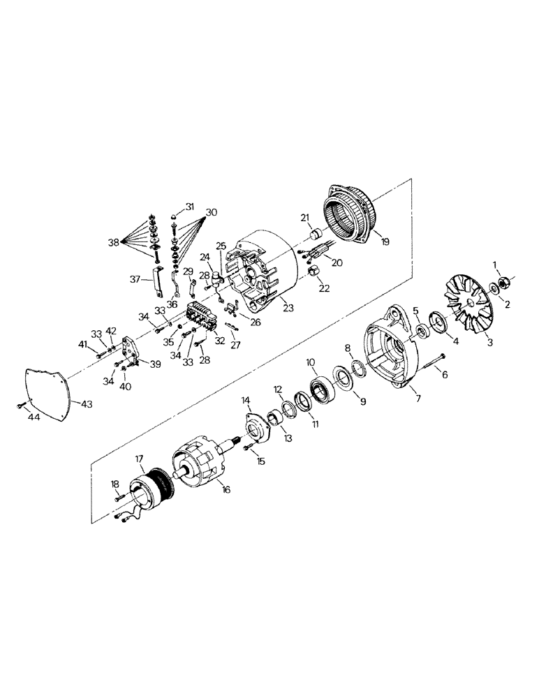
Alt Assy (Delco # 1117160) consists of Ref. 1-44

1шт.

104258A1R

REMAN-ALTERNATOR

40A 24V

1шт.

104258A1C

CORE-ALTERNATOR

Return number

1шт.

1

22-1024

NUT

Nut

1шт.

2

22-1144

WASHER

Washer

1шт.

3

22-1108

FAN

Fan

1шт.

4

20-1680T1

SHIELD

Bearing Shield

1шт.

5

20-1681T1

COLLAR

Outside Collar

1шт.

6

20-1706T1

BOLT

Bolt

4шт.

7

20-1682T1

FRAME

Frame

1шт.

8

20-1683T1

WASHER

Felt Washer

1шт.

9

20-1684T1

RETAINER

Retainer Plate

1шт.

10

20-1685T1

BEARING ASSY,25 mm ID x 62 mm OD x 17 mm

Bearing

1шт.

11

20-1686T1

SPARE PART Retainer Cup

1шт.

12

20-1687T1

WASHER

Felt Washer

1шт.

13

20-1688T1

SPARE PART Inside Collar

1шт.

14

20-1689T1

LARGE PLATE

PLATE, LARGE Retainer Plate

1шт.

15

20-1707T1

SPARE PART Screw

3шт.

16

20-1690T1

SPARE PART Rotor

1шт.

17

20-1691T1

SPARE PART Field Coil

1шт.

18

22-1039

SCREW

Screw

4шт.

19

20-1692T1

SPARE PART Stator

1шт.

20

20-1693T1

SPARE PART Grommet

1шт.

21

201694T1

Bearing

1шт.

22

20-1695T1

BUSHING

SPARE PART Bushing

1шт.

23

NSS

NOT SOLD SEPARAT

Housing

1шт.

24

20-1696T1

CAPACITOR

Capacitor

1шт.

25

20-1697T1

BRACKET

Capacitor Bracket

1шт.

26

20-1698T1

DIODE

Diode Trio

1шт.

27

22-1019

INSULATOR

Insulator

1шт.

28

22-1038

SELF-TAP SCREW

Screw

2шт.

29

20-1699T1

SPARE PART Connector

1шт.

30

20-1700T1

PACKAGE

Terminal Package

1шт.

31

22-1013

CAP

Cap

1шт.

32

2-1317

RECTIFIER

Rectifier Bridge

1шт.

33

2-1323

WASHER

Insulated Washer

4шт.

34

20-1708T1

SPARE PART Screw

3шт.

35

20-1709T1

SPARE PART Nut

3шт.

36

20-1701T1

SPARE PART Connector

1шт.

37

20-1702T1

SPARE PART Output Connector

1шт.

38

20-1703T1

PACKAGE

Terminal Package

1шт.

39

22-1064

REGULATOR

Regulator (20-1704T1)

1шт.

Superseded, Old P/N can be used for all models, but order new P/N when stock is depleted.

1шт.

40

22-1022

NUT

Nut

1шт.

41

22-1050

SCREW

Screw

2шт.

42

22-1008

WASHER

Washer

2шт.

43

20-1705T1

SPARE PART Cover

1шт.

44

20-1710T1

SPARE PART Screw

5шт.

Выбрано товаров: 0