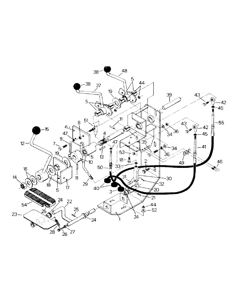
Запчасти Case IH KM-280 (01-25) - THROTTLE, TRANSMISSION AND TRANSFER CASE CONTROLS (10) - CAB

Схема запчастей Case IH KM-280 - (01-25) - THROTTLE, TRANSMISSION AND TRANSFER CASE CONTROLS (10) - CAB
47
41
43
31
18
27
25
19
26
23
13
8
37
43
5
35
39
25
50
9
32
17
14
5
6
40
47
46
4
55
51
36
53
10
1
16
11
24
19
36
21
12
34
22
33
29
24
15
34
45
5
38
24
49
2
5
11
54
20
52
7
44
44
19
5
30
38
42
28
3
42
45
48
FIT
1:1
100%

Артикул

Название

Примечание

Количество

1

1-4359T1

Lever Support

1шт.

2

19-957

SCREW

Tapping Screw

3шт.

3

1-1051

GROMMET

1шт.

4

4-551

SHAFT

1шт.

5

24-209

BUSHING,0.75" ID x 0.875" OD x 0.375"

Bearing

8шт.

6

1-4251

LEVER

1шт.

7

19-19

BOLT,Hex, 3/8" - 16 x 1 1/2", Gr 5

Capscrew

1шт.

8

19-78

SPECIAL NUT,3/8"-16, G5

1шт.

9

19-6187

SPRING

(Repl 2 of 11-015)

1шт.

See figure 4-4B for Fuel Shut-Off Cable & Mts. (F) Superceded - P/N is superseded on this model or models only. Old P/N can be used for other applications and models but new P/N must always be used in this code.

1шт.

10

4-570

LEVER

1шт.

11

19-950

LOCK PIN,1/4" x 1 3/4", Slotted

Pin, 1/4" x 1 3/4", Slotted

2шт.

12

4-564

LEVER

Throttle Lever

1шт.

13

19-951

KEY

1шт.

14

231-46112

LOCK NUT,3/4"-16, GB

Nut

1шт.

15

24-210

KNOB

1шт.

16

4-577

WASHER

Spring Washer

2шт.

17

4-574T3

SUPPORT

1шт.

18

19-288

BOLT,Hex, 5/16" - 18 x 5/8", Gr 5, Full Thd

Capscrew

2шт.

19

4-566

DISC

3шт.

20

4-556

LEVER

1шт.

21

19-505

LOCK PIN,3/16" x 1", Slotted

Pin, 3/16" x 1", Slotted

1шт.

22

60-1476T1

SHAFT

1шт.

23

60-1475T1

PEDAL

1шт.

24

24-206

BEARING CONE,0.5" ID x 0.75" OD x 0.3"

Bearing

4шт.

25

19-952

LOCK PIN,3/32" x 3/4", Slotted

Pin, 3/32" x 3/4", Slotted

3шт.

26

19-3061

SCREW,Hex Flg, #10 - 24 x 7/8", Gr 2

Machine Screw

1шт.

27

19-567

NUT,#10-24

1шт.

28

11-21

SPRING

1шт.

29

4-552T1

ROD

Decelerator Rod

1шт.

30

19-140

CLEVIS

2шт.

31

19-143

CLEVIS PIN,5/16" x 0.94"

2шт.

32

19-238

COTTER PIN,3/32" x 3/4"

Pin, Split (Cotter), 3/32" x 3/4"

2шт.

33

19-88

NUT,5/16"-24, G5

2шт.

34

19-224

WASHER,3/8", SAE

2шт.

35

19-22

BOLT,Hex, 3/8" - 16 x 2 1/2", Gr 5

Capscrew

1шт.

36

19-295

NUT,Jam, 3/8" - 16, Gr 5

2шт.

37

2-2524T3

LEVER

Two-Speed Trans Lever

1шт.

38

54-364

KNOB

2шт.

39

24-216

SHAFT

1шт.

40

1-1050

GROMMET

2шт.

41

1-4252

CABLE

Transmission

1шт.

42

1-3332

BALL JOINT

Rod End (Female)

2шт.

43

19-7

BOLT,Hex, 5/16" - 18 x 1", Gr 5

Capscrew

2шт.

44

19-5777

LOCK NUT

Lock Nut

4шт.

45

19-236

JAM NUT,5/16" - 24, Gr 5

Jam Nut

2шт.

46

19-5402

BOLT

U-Bolt

2шт.

47

19-308

NUT,#10 - 32

2шт.

48

2-2523T3

LEVER

Transfer Case Lever

1шт.

49

2-3008T1

SHIM

2шт.

50

29-58

CABLE

Throttle Cable (Cat 3306 & 3406, Komatsu Engines)

1шт.

1-4481

CABLE

Throttle Cable (Cummins L10 & 855 Engines)

1шт.

51

6-1431

BALL JOINT

1шт.

52

19-700

WASHER,5/16"

2шт.

53

19-509

LOCK NUT,5/16"-24, GB

4шт.

54

24-13

PROTECTION STRIP

Decelerator Pedal Pad

1шт.

55

1-3561

CABLE

Transfer Case

1шт.

Выбрано товаров: 57