Запчасти Case IH KM-280 (10-14) - SPRAYER PUMP AND ATTACHING PARTS, CAT 3406 ENGINE Options & Miscellaneous

Схема запчастей Case IH KM-280 - (10-14) - SPRAYER PUMP AND ATTACHING PARTS, CAT 3406 ENGINE Options & Miscellaneous
13
8
12
5
16
2
10
7
4
16
6
14
16
16
1
3
11
16
9
16
15
FIT
1:1
100%

Артикул

Название

Примечание

Количество

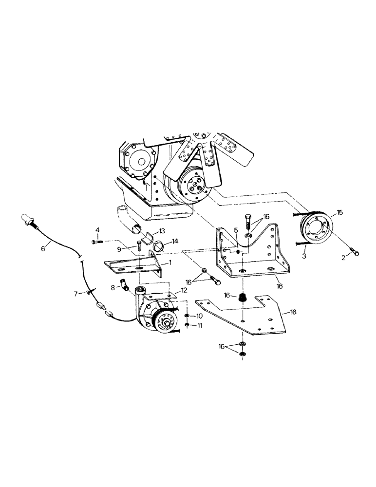
35-1301T91

KIT

Sprayer Pump Kit, consists of Ref. 1-15

1шт.

1

1-3067

BRACKET

1шт.

2

19-817

SCREW,Hex, 5/8"-11 x 2", G8

Capscrew

6шт.

3

1-6863

V-BELT,0.53" W x 57.00" L

1шт.

4

19-45

BOLT,1/2" - 13 x 1 1/2", Gr 5

Capscrew

3шт.

5

19-82

LOCK NUT

3шт.

6

1-2908

ELECTRICAL WIRE

Wire

1шт.

7

22-824

CABLE TIE,3/16" x 7 1/4"

STRAP, CABLE, 3/16" x 7 1/4"

2шт.

8

1-3711

ELBOW

Inlet Elbow

1шт.

9

19-19

BOLT,Hex, 3/8" - 16 x 1 1/2", Gr 5

Capscrew

2шт.

10

19-107

WASHER

2шт.

11

19-78

SPECIAL NUT,3/8"-16, G5

2шт.

12

Sprayer Pump Assy (Fig. 10-15)

1шт.

13

1-4193

SHIELD

1шт.

14

32-22

HOSE CLAMP,#52, 2.81/3.75 Type F Worm

Clamp

1шт.

15

1-3066

PULLEY

1шт.

16

Existing Engine Items (Fig. 4-4)

1шт.

Выбрано товаров: 17