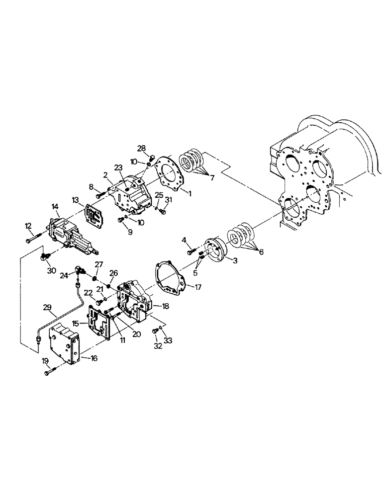
Запчасти Case IH KP-1360 (04-28) - TRANSMISSION ASSEMBLY (04) - Drive Train

Схема запчастей Case IH KP-1360 - (04-28) - TRANSMISSION ASSEMBLY (04) - Drive Train
27
19
9
30
20
24
32
8
28
14
33
5
7
16
2
21
3
31
1
15
10
23
17
26
10
6
4
11
29
25
18
22
12
13
FIT
1:1
100%

Артикул

Название

Примечание

Количество

1

90-3076T2

GASKET

Replaces 90-3076T1

1шт.

Part of trans gasket overhaul kit P/N 90-3842T91

1шт.

Superseded - old P/N can be used for all models, but order new P/N when stock is depleted.

1шт.

2

90-3193T2

MANIFOLD

CLUTCH COLLECTOR, Replaces 90-3193T1

1шт.

Superseded - old P/N can be used for all models, but order new P/N when stock is depleted.

1шт.

3

90-3149T1

RETAINER

BEARING RETAINER

1шт.

4

9409079

BOLT (SPREADER),3/8" - 16 x 7/8", Gr 8

CAPSCREW

4шт.

5

90-3219T1

PLUG

PIPE PLUG

2шт.

6

90-3034T1

SHIM

.010

1шт.

90-3035T1

SHIM

.0125

1шт.

90-2970T1

SHIM

.015

1шт.

90-3036T1

SHIM

.020

1шт.

7

90-3109T1

SHIM

.010

1шт.

90-3110T1

SHIM

.0125

1шт.

90-2971T1

SHIM

.015

1шт.

90-3111T1

SHIM

.020

1шт.

8

19-17

BOLT,Hex, 3/8" - 16 x 1", Gr 5, Full Thd

CAPSCREW

6шт.

9

9410356

PLUG

4

3шт.

10

90-3304T1

O-RING,0.356" ID x 0.495" OD x 0.075"

4шт.

Part of trans gasket overhaul kit P/N 90-3842T91

1шт.

11

19-6023

SCREW,Hex Skt

SOCKET HEAD CAPSCREW

3шт.

12

19-298

BOLT,Hex, 3/8" - 16 x 3.25", Gr 5

CAPSCREW

4шт.

13

90-3080T1

GASKET

1шт.

Part of trans gasket overhaul kit P/N 90-3842T91

1шт.

14

TRANS CONTROL VALVE ASSY., see Figure 04-35

1шт.

15

90-3156T1

GASKET

1шт.

Part of trans gasket overhaul kit P/N 90-3842T91

1шт.

16

TRANS REGULATOR VALVE ASSY., see Figure 04-36

1шт.

17

90-3155T1

GASKET

1шт.

Part of trans gasket overhaul kit P/N 90-3842T91

1шт.

18

90-3283T1

LARGE PLATE

DITCH PLATE

1шт.

19

19-724

CAPSCREW Hex, 5/16"-18 x 2 1/2", G5

8шт.

20

19-19

BOLT,Hex, 3/8" - 16 x 1 1/2", Gr 5

CAPSCREW

3шт.

21

90-3309T1

O-RING,0.649" ID x 0.818" OD x 0.09"

1шт.

Part of trans gasket overhaul kit P/N 90-3842T91

1шт.

22

9410361

PLUG

8

1шт.

23

31-357

PLUG

PIPE PLUG

1шт.

24

31-1344

ELBOW,90º, 7/16"-20, 37º x 9/16"-18, O-Ring

6

1шт.

25

90-3303T1

O-RING,0.078" Thk x 0.468" ID, -906, Cl 6, 90 Duro

4шт.

Part of trans gasket overhaul kit P/N 90-3842T91

1шт.

26

90-2974T1

SCREEN

FILTER SCREEN

1шт.

27

19-6024

SNAP RING

1шт.

28

31-2139

PLUG

4

1шт.

29

90-2975T1

TUBE,0.25" OD x 4.34" L

1шт.

30

18-1538

ELBOW,90 Degree, 7/16"-20, 37 Degree x 7/16"-20, O-Ring

4

1шт.

31

9410358

PLUG

6

4шт.

32

31-2356

PLUG

10

1шт.

33

90-4555T1

O-RING,0.949" ID x 0.76" OD x 0.1"

1шт.

90-3842T91

GASKET KIT

OVERHAUL KIT trans gasket, consists of ref. 1, 10, 13, 15, 17, 21 and 25

1шт.

Выбрано товаров: 49