Запчасти Case IH KP-1400 (08-18) - HYDRAULIC CONTROL VALVE ASSEMBLY (07) - HYDRAULICS

Схема запчастей Case IH KP-1400 - (08-18) - HYDRAULIC CONTROL VALVE ASSEMBLY (07) - HYDRAULICS
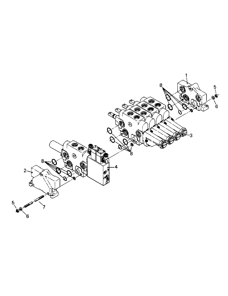
2
3
8
6
7
8
5
6
1
8
5
4
FIT
1:1
100%

Артикул

Название

Примечание

Количество

50-1391T91

HYDRAULIC CONTROL VALVE ASSY (3-spool)

1шт.

50-2044T91

HYDRAULIC CONTROL VALVE ASSY (3-spool with 3-pt hitch)

1шт.

50-2043T91

HYDRAULIC CONTROL VALVE ASSY (3-spool with 3-pt hitch incl ref. 9)

1шт.

50-1410T91

HYDRAULIC CONTROL VALVE ASSY (4-spool)

1шт.

50-1422T91

HYDRAULIC CONTROL VAVLE ASSY (4-spool with 3-pt hitch)

1шт.

50-1982T91

HYDRAULIC CONTROL VAVLE ASSY (4-spool with 3-pt hitch) (incl ref. 9)

1шт.

1

50-1730T1

COVER

VALVE COVER

1шт.

2

50-1731T1

COVER

VALVE COVER

1шт.

3

VALVE SECTION ASSY (standard0 (qty 3 with 3-spool valve) (see figure 8-19)

4шт.

4

VALVE SECTION ASSY (solenoid) (only used with 3-pt hitch) (see figure 8-21)

1шт.

5

19-341

LOCK NUT,3/8" - 16, GB

6шт.

6

19-117

LOCK WASHER,3/8"

3/8"

6шт.

7

19-5978

STUD

(3-spool valve)

3шт.

19-5977

STUD

(3-spool valve with 3-pt hitch & 4-spool valve)

3шт.

19-5973

STUD (4-spool valve with 3-pt hitch & 5-spool valve)

3шт.

8

2-3792T1

SEAL KIT

SEAL KIT (qty varies) (see fig. note)

1шт.

9

20-1580T1

HARNESS

CONTROL VALVE WIRE HARNESS (only used with 3-pt hitch) (not shown)

1шт.

Выбрано товаров: 17